Official Stockist

  • Your Shopping BasketYour Shopping Baske

    Empty
  • SSL Secure Connection


Official Stockist

Diagram & User Manual Search

Quickly locate your appliance and order replacement parts using our secure online payment facility.

  • Over 20,000 appliances available
  • Simply click on the part to buy
  • Secure online payment
  • Next day delivery

Detailed Search




  

Specific Search



  

Created by Gas Engineers, for Gas Engineers • We only sell Genuine Boiler Spares • HSP - Where The Trade Buy

IDEAL
BRITISH GAS RD2 4 125 - (Boiler 1)
Appliance Code: 41-392-73

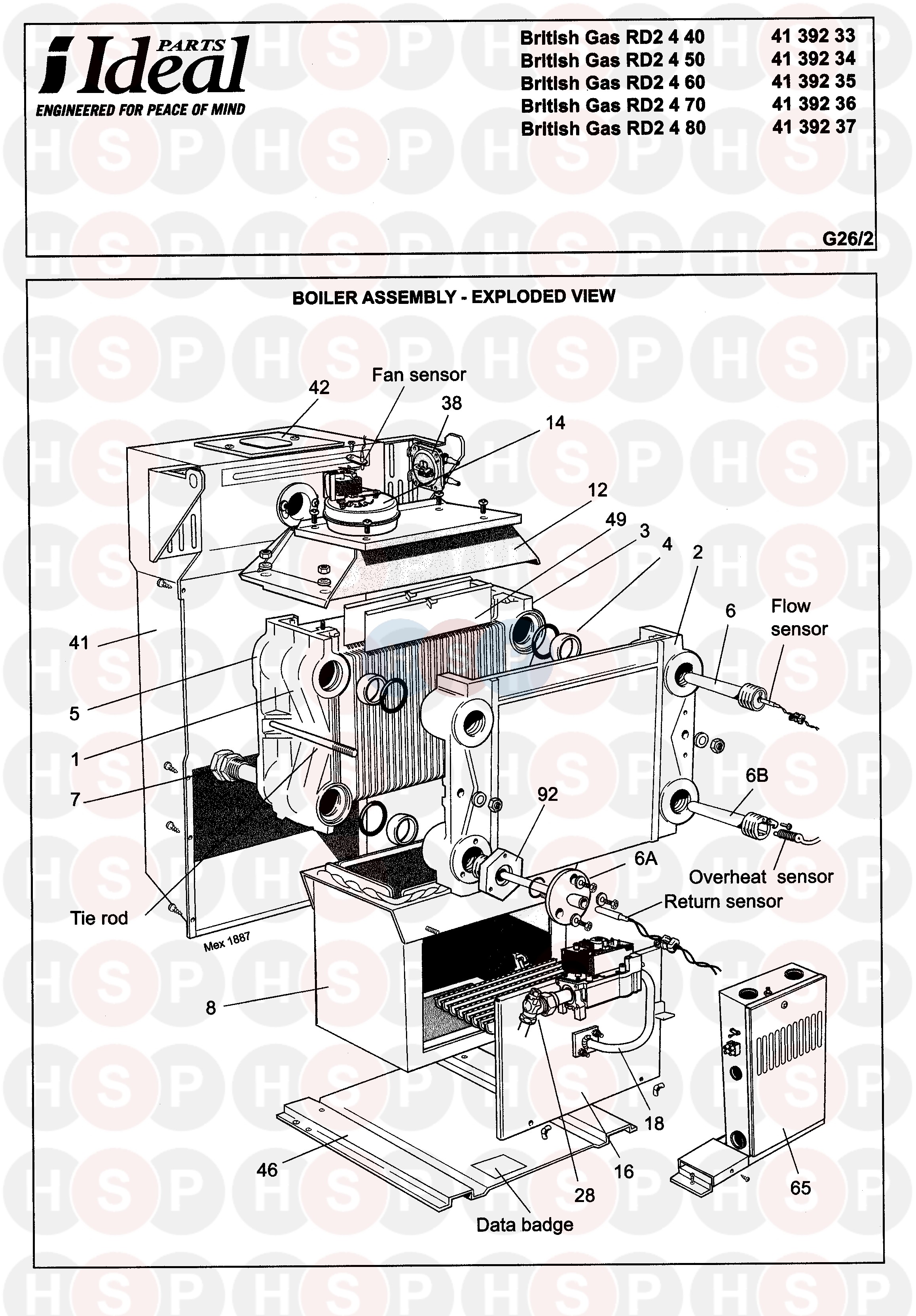
Appliance Diagram


Boiler 1 diagram for Ideal British Gas RD2 4 125Click the diagram to open it on a new page

You can then pinch & zoom to adjust the size.

1   HT EXCH ASS MX 3 RS40
Ideal part no. 150741
£184.57
1 Part number 150742, HT EXCH ASS MX 3 RS50-80 HT EXCH ASS MX 3 RS50-80
Ideal part no. 150742
 
1   OBSOLETE HT EXCH ASS MX 3 RS100
Ideal part no. 150743
 
1   HT EXCH ASS MX 3 RS125
Ideal part no. 150744
 
6   OBSOLETE T/STAT POCKET RD2
Ideal part no. 154729
 
6   OBSOLETE THERMOSTAT POCKET KIT CLA FF
Ideal part no. 171449
 
7   DISTRIBUTOR TUBE ASSY (50-80) RD2
Ideal part no. 154420
£22.51
7   DISTRIBUTOR TUBE ASSY (125) RD2
Ideal part no. 154422
£33.77
7   OBSOLETE DISTRIBUTOR TUBE ASSY (40) RD2
Ideal part no. 154419
 
7   OBSOLETE DISTRIBUTOR TUBE ASSY 100 RD2
Ideal part no. 154421
 
8 Part number 075278, C/CHBR with INSL/SEALS:MX2 BED RS40 C/CHBR WITH INSL/SEALS:MX2 BED RS40
Ideal part no. 075278
£65.54
8   OBSOLETE C/CHBR WITH INSL/SEALS:MX2 BED RS50
Ideal part no. 075279
 
8   OBSOLETE C/CHBR WITH INSL/SEALS:MX2 BED RS70
Ideal part no. 075280
 
8 Part number 075281, C/CHBR WITH INSL/SEALS:MX2BED RS100 C/CHBR WITH INSL/SEALS:MX2BED RS100
Ideal part no. 075281
 
8   OBSOLETE C/CHBR WITH INSL/SEALS:MX2BED RS125
Ideal part no. 075282
 
9   C/CHBR SD INSL+FTTGS:MX2BED 40
Ideal part no. 075283
£12.05
9   OBSOLETE C/CHBR SD INSL+FTTG:MX2 BED 50
Ideal part no. 075284
 
9 Part number 075285, OBSOLETE C/CHBR SD INSL+FTTG:MX2BED 100 OBSOLETE C/CHBR SD INSL+FTTG:MX2BED 100
Ideal part no. 075285
 
9 Part number 075286, OBSOLETE C/CHBR SD INSL+FTTG:MX2BED 125 OBSOLETE C/CHBR SD INSL+FTTG:MX2BED 125
Ideal part no. 075286
 
10 Part number 075287, OBSOLETE C/CHBR FRT INS+FTTGS:MX2BED OBSOLETE C/CHBR FRT INS+FTTGS:MX2BED
Ideal part no. 075287
 
11 Part number 075288, OBSOLETE C/CHBR REAR INS AND FTTGS:MX2BED OBSOLETE C/CHBR REAR INS AND FTTGS:MX2BED
Ideal part no. 075288
 
12   COLLECTOR HOOD ASS MEX FF440 KIT
Ideal part no. 171908
£41.54
12   COLL HOOD ASSY MEXICO FF50-80
Ideal part no. 153736
 
12   OBSOLETE COLL HOOD ASSY MEXICO FF100
Ideal part no. 153737
 
12   OBSOLETE COLL HOOD ASSY MEXICO FF125
Ideal part no. 153738
 
13   FAN MOUNTING PLATE S/ASSY MEX FF440 KIT
Ideal part no. 171901
£62.29
13   FAN MOUNTING PLATE S/ASSY MEX FF450 KIT
Ideal part no. 171902
£62.24
13   FAN MOUNTING PLATE S/ASSY MEX FF460 KIT
Ideal part no. 171903
£62.24
13   FAN MOUNTING PLATE S/ASSY MEX FF470 KIT
Ideal part no. 171904
£62.24
13   OBSOLETE FAN PLATE S/ASSEMBLY MEXICO FF100
Ideal part no. 079886
 
13   OBSOLETE FAN PLATE S/ASSEMBLY MEXICO FF125
Ideal part no. 079887
 
13   OBSOLETE FAN MOUNTING PLATE S/ASSY MEX FF480 KIT
Ideal part no. 171905
 
14 Part number 079888, FAN ASSEMBLY MEXICO FF40-80 FAN ASSEMBLY MEXICO FF40-80
Ideal part no. 079888
£360.47
14 Part number 079889, FAN ASSEMBLY MEXICO FF100-125 FAN ASSEMBLY MEXICO FF100-125
Ideal part no. 079889
£360.47
15   O RING 50.39I/DX3.53 DES 0038 VF3/00/10
Ideal part no. 153207
£4.30
16   OBSOLETE FRTPLT/GAS LINE ASSY RD2 40
Ideal part no. 154699
 
16   OBSOLETE FRTPLT/GAS LINE ASSY RD2 50
Ideal part no. 154700
 
16   OBSOLETE FRTPLT/GAS LINE ASSY RD2 60
Ideal part no. 154701
 
16   OBSOLETE FRTPLT/GAS LINE ASSY RD2 70
Ideal part no. 154702
 
16   OBSOLETE FRTPLT/GAS LINE ASSY RD2 80
Ideal part no. 154703
 
16   OBSOLETE FRTPLT/GAS LINE ASSY RD2 100
Ideal part no. 154704
 
16   OBSOLETE FRTPLT/GAS LINE ASSY RD2 125
Ideal part no. 154705
 
17 Part number 079334, OBSOLETE SIGHT GLASS ASSEMBLY OBSOLETE SIGHT GLASS ASSEMBLY
Ideal part no. 079334
 
18   OBSOLETE BNR MANIFOLD ASS PTD MX 40-80
Ideal part no. 100598
 
18   OBSOLETE BNR MFLD ASS RD2 100/125
Ideal part no. 154410
 
20 Part number 012959, LH MAIN BURNER AC19/123216 LH MAIN BURNER AC19/123216
Ideal part no. 012959
£227.08
20 Part number 013857, MAIN BURNER AC19/123244 MAIN BURNER AC19/123244
Ideal part no. 013857
 
20   MAIN BURNER AC19/123266
Ideal part no. 113187
 
20   MAIN BURNER AC19/123267
Ideal part no. 113188
 
20   OBSOLETE RH MAIN BURNER AC19/123298
Ideal part no. 150865
 
20 Part number 150871, RH MAIN BURNER AC19/123299 OBSOLETE RH MAIN BURNER AC19/123299 OBSOLETE
Ideal part no. 150871
 
20 Part number 153203, OBSOLETE MAIN BURNER - RH MEXICO FF125 OBSOLETE MAIN BURNER - RH MEXICO FF125
Ideal part no. 153203
 
21   INJECTOR BNR BRAY CAT 103 SIZE 1700
Ideal part no. 150986
£3.17
21   OBSOLETE INJECTOR BNR BRAY CAT 10 SIZE 1400
Ideal part no. 003361
 
21   OBSOLETE INJECTOR BNR BRAY CAT 10 SIZE 2200
Ideal part no. 004049
 
21   OBSOLETE INJECTOR BNR BRAY CAT 10 SIZE 1200
Ideal part no. 004190
 
21 Part number 004305, OBSOLETE INJECTOR BNR BRAY CAT 10 SIZE 1700 OBSOLETE INJECTOR BNR BRAY CAT 10 SIZE 1700
Ideal part no. 004305
 
21   OBSOLETE INJECTOR BNR BRAY CAT 10 SIZE 2300
Ideal part no. 004760
 
22 Part number 075291, PILOT BNR ASSY Q385A2036 PILOT BNR ASSY Q385A2036
Ideal part no. 075291
 
23 Part number 003825, INJECTOR PILOT HONEYWELL 45900421-029 INJECTOR PILOT HONEYWELL 45900421-029
Ideal part no. 003825
 
24 Part number 170797, GAS VALVE ASSY(VR4605CA1076 & 0 RING)RD2 GAS VALVE ASSY(VR4605CA1076 & 0 RING)RD2
Ideal part no. 170797
 
25 Part number 003248, O-RING 25.0 I/D X 4.0 DES 0038 MN70 O-RING 25.0 I/D X 4.0 DES 0038 MN70
Ideal part no. 003248
£9.29
26 Part number 003777, OBSOLETE IGN ELECTRODE 60877 MX2 100-140 OBSOLETE IGN ELECTRODE 60877 MX2 100-140
Ideal part no. 003777
 
26   OBSOLETE HOT SURFACE IGNITER
Ideal part no. 152802
 
27 Part number 052888, HT LEAD ASSY 460mm LG RS/MEXSL HT LEAD ASSY 460MM LG RS/MEXSL
Ideal part no. 052888
£3.74
28   GAS COCK RD2 100/125 ASSEMBLY
Ideal part no. 170796
£32.83
28 Part number 013580, 1/2INR/ANGLED GAS COCK F/F 1/2INR/ANGLED GAS COCK F/F
Ideal part no. 013580
 
29   PCB CHASSIS ASSEMBLY MEXICO FF
Ideal part no. 079892
£22.83
31   FAN/PRESS SWITCH HARNESS RD2
Ideal part no. 154442
£19.26
32   GAS VALVE/NEON HARNESS RD2
Ideal part no. 154440
£12.36
32 Part number 154444, CONTROLS HARNESS RD2 CONTROLS HARNESS RD2
Ideal part no. 154444
£13.77
33 Part number 004420, PCB SUPPORT CLIP TCBS-6 PCB SUPPORT CLIP TCBS-6
Ideal part no. 004420
£3.06
37   OBSOLETE CONTROL BOX COVER RD2
Ideal part no. 154414
 
38 Part number 171454, PRESSURE SWITCH ASSY KIT CLA FF PRESSURE SWITCH ASSY KIT CLA FF
Ideal part no. 171454
£95.03
39 Part number 171468, PRESSURE SENSING PIPE KIT CLA FF PRESSURE SENSING PIPE KIT CLA FF
Ideal part no. 171468
£17.34
41   TURRET ASSEMBLY MEXICO FF40-80
Ideal part no. 153739
£63.13
41   TURRET ASSY MEX FF440 KIT
Ideal part no. 171906
£52.61
41   TURRET ASSY MEX FF4125 KIT
Ideal part no. 171907
£56.32
42   OBSOLETE TURRET ACCESS COVER ASS MEXICO FF
Ideal part no. 153740
 
43   FLUE CONNECTOR-MEXICO FF
Ideal part no. 153206
£8.61
44   OBSOLETE AIR DUCT SLG PLT AS PTD CL2
Ideal part no. 110886
 
45   AIR DUCT SLG PLT GASKET CL2
Ideal part no. 110887
 
46   OBSOLETE BOILER BASE PLATE MEX 40-100
Ideal part no. 134236
 
46   OBSOLETE BLR BASE PLATE MX RS/CF125
Ideal part no. 134237
 
47   HT SHIELD-BASE PLATE MX3 100
Ideal part no. 150838
£2.13
47   HT SHIELD-BASE PLATE MX3 125
Ideal part no. 150839
£3.95
48   HARDWARE PACK RD2 40
Ideal part no. 155029
£110.14
48   HARDWARE PACK RD2 50-80
Ideal part no. 155030
£111.20
48   HARDWARE PACK RD2 100
Ideal part no. 155031
£112.11
48   HARDWARE PACK RD2 125
Ideal part no. 155032
£113.28
49   OBSOLETE FLUEWAY BAFFLE KIT MEXICO FF40-100
Ideal part no. 079890
 
49   OBSOLETE FLUEWAY BAFFLE KIT MEXICO FF125
Ideal part no. 079891
 
52 Part number 069929, OBSOLETE PLASTIC IMPELLER WCF690152-01 OBSOLETE PLASTIC IMPELLER WCF690152-01
Ideal part no. 069929
£9.95
53   FLUE HARDWARE PACK MEXICO FF
Ideal part no. 153724
£32.11
54 Part number 171483, FLUE ELBOW ASSY KIT CLA FF FLUE ELBOW ASSY KIT CLA FF
Ideal part no. 171483
 
55   OBSOLETE FLUE EXTENSION TUBE(TOP) MEXICO FF
Ideal part no. 153399
 
56   FLUE EXTENSION TUBE ASS (REAR)MEXICO FF
Ideal part no. 153749
£7.13
57   OBSOLETE FLUE EXTENSION TUBE ASS (SIDE)MEXICO FF
Ideal part no. 153750
 
58   OBSOLETE WALL TEMPLATE RD2
Ideal part no. 155028
 
59 Part number 111521, SEALING RING ASSY NF FLUE PCK CL2 SEALING RING ASSY NF FLUE PCK CL2
Ideal part no. 111521
 
61   SIDE OUTLET PLATE PACK70/80
Ideal part no. 170493
£8.08
62   OBSOLETE JACKET COMPLETE RD2
Ideal part no. 172458
 
62   OBSOLETE JACKET COMPLETE RD
Ideal part no. 172461
 
63   CONTROLS PANEL COMPLETE RD2
Ideal part no. 155034
 
64   CONTROLS PANEL RD2
Ideal part no. 155066
 
65   OBSOLETE CONTROL BOX ASSY RD2
Ideal part no. 170803
 
67 Part number 139296, OBSOLETE CONTROL KNOB RESP OBSOLETE CONTROL KNOB RESP
Ideal part no. 139296
 
68   THERMO PHIAL BRKT MEX
Ideal part no. 057454
 
69 Part number 003147, SPLIT PIN 1/16 X 1 BRASS SPLIT PIN 1/16 X 1 BRASS
Ideal part no. 003147
£2.91
70 Part number 003022, OBSOLETE AMBER PROG LENS CLIP OBSOLETE AMBER PROG LENS CLIP
Ideal part no. 003022
 
71   OBSOLETE CTRLS FRT PANEL ASSY RD2
Ideal part no. 170802
 
72   OBSOLETE MAGNETIC STRIP 210 X 13MM
Ideal part no. 151997
 
73   OBSOLETE JACKET SIDE PANEL ASS LH MEXICO FF40-100
Ideal part no. 170658
 
73   OBSOLETE JACKET SIDE PANEL ASS LH MEXICO FF125
Ideal part no. 170660
 
74   OBSOLETE JACKET SIDE PANEL ASS RH MEXICO FF40-100
Ideal part no. 170659
 
74   OBSOLETE JACKET SIDE PANEL ASS RH MEXICO FF125
Ideal part no. 170661
 
75 Part number 170662, JACKET FRONT PANEL ASS MEXICO FF JACKET FRONT PANEL ASS MEXICO FF
Ideal part no. 170662
£38.42
76   OBSOLETE TOP PANEL 40-100
Ideal part no. 172477
 
76   OBSOLETE TOP PANEL 125
Ideal part no. 172478
 
77   OBSOLETE GRILLE PANEL
Ideal part no. 172467
 
78   OBSOLETE JKT FIXING PACK:MX 3 RS/CF/FAN
Ideal part no. 075350
 
80   GASKET FLUE CONNECTOR MEXICO FF
Ideal part no. 153912
 
81   GASKET FAN MEXICO FF
Ideal part no. 153935
 
82 Part number 154443, POTENTIOMETER & HARNESS RD2 POTENTIOMETER & HARNESS RD2
Ideal part no. 154443
 
83 Part number 154439, THERMISTORS & HARNESS RD2 THERMISTORS & HARNESS RD2
Ideal part no. 154439
 
84   MAINS INPUT HARNESS RD2
Ideal part no. 154441
£1.47
85 Part number 171930, THERMOSTAT POCKET KIT THERMOSTAT POCKET KIT
Ideal part no. 171930
£22.75
85   OBSOLETE THERMOSTAT BUSH RD2
Ideal part no. 154730
 
86   O RING (SSL207 EP70)
Ideal part no. 154731
£1.17
87   BADGE - BRITISH GAS
Ideal part no. 155402
£2.28
88   BADGE - SCOTTISH GAS
Ideal part no. 155403
£2.28
89   CTRL BOX STEELWORK S/ASSY RD2
Ideal part no. 170850
£93.23
90   OBSOLETE MAINS COVER RD2
Ideal part no. 154913
 
91   POTENTIOMETER MTG BRKT RD2
Ideal part no. 154411
£1.98
92 Part number 171909, SAMPLE POINT CAP MEX FF SER 4 KIT SAMPLE POINT CAP MEX FF SER 4 KIT
Ideal part no. 171909
 



Heating spares made simple this website is secured by Geotrust