Official Stockist

  • Your Shopping BasketYour Shopping Baske

    Empty
  • SSL Secure Connection


Official Stockist

Diagram & User Manual Search

Quickly locate your appliance and order replacement parts using our secure online payment facility.

  • Over 20,000 appliances available
  • Simply click on the part to buy
  • Secure online payment
  • Next day delivery

Detailed Search




  

Specific Search



  

Created by Gas Engineers, for Gas Engineers • We only sell Genuine Boiler Spares • HSP - Where The Trade Buy

IDEAL
MEXICO RS 4 125 - (Boiler 1)
Appliance Code: 41-392-80

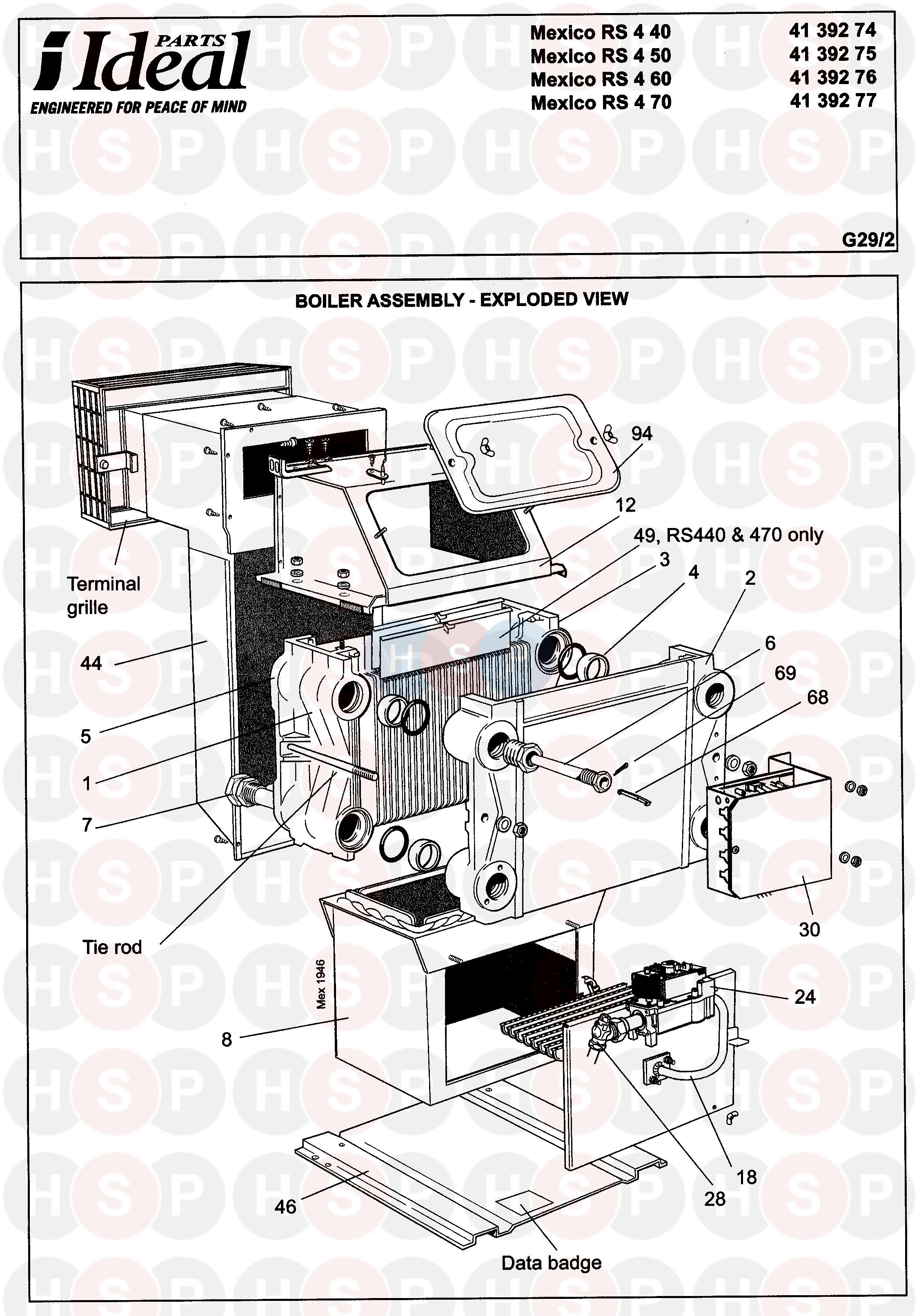
Appliance Diagram


Boiler 1 diagram for Ideal Mexico RS 4 125Click the diagram to open it on a new page

You can then pinch & zoom to adjust the size.

1   HT EXCH ASS MX 3 RS40
Ideal part no. 150741
£184.57
1 Part number 150742, HT EXCH ASS MX 3 RS50-80 HT EXCH ASS MX 3 RS50-80
Ideal part no. 150742
 
1   OBSOLETE HT EXCH ASS MX 3 RS100
Ideal part no. 150743
 
1   HT EXCH ASS MX 3 RS125
Ideal part no. 150744
 
6 Part number 055865, T/STAT POCKET ASS 6339004 T/STAT POCKET ASS 6339004
Ideal part no. 055865
£26.82
6   OBSOLETE T/STAT POCKET ASS 6339011
Ideal part no. 002523
 
7   DIST TUBE ASS MX RS/CF100
Ideal part no. 057160
£41.14
7 Part number 057159, OBSOLETE DIST TUBE ASS MEX 50/80 OBSOLETE DIST TUBE ASS MEX 50/80
Ideal part no. 057159
 
7   OBSOLETE DIST TUBE ASS MEX 40
Ideal part no. 059037
 
7   OBSOLETE DIST TUBE ASS MEX RS125
Ideal part no. 059706
 
8 Part number 075278, C/CHBR with INSL/SEALS:MX2 BED RS40 C/CHBR WITH INSL/SEALS:MX2 BED RS40
Ideal part no. 075278
£65.54
8   OBSOLETE C/CHBR WITH INSL/SEALS:MX2 BED RS50
Ideal part no. 075279
 
8   OBSOLETE C/CHBR WITH INSL/SEALS:MX2 BED RS70
Ideal part no. 075280
 
8 Part number 075281, C/CHBR WITH INSL/SEALS:MX2BED RS100 C/CHBR WITH INSL/SEALS:MX2BED RS100
Ideal part no. 075281
 
8   OBSOLETE C/CHBR WITH INSL/SEALS:MX2BED RS125
Ideal part no. 075282
 
9   C/CHBR SD INSL+FTTGS:MX2BED 40
Ideal part no. 075283
£12.05
9   OBSOLETE C/CHBR SD INSL+FTTG:MX2 BED 50
Ideal part no. 075284
 
9 Part number 075285, OBSOLETE C/CHBR SD INSL+FTTG:MX2BED 100 OBSOLETE C/CHBR SD INSL+FTTG:MX2BED 100
Ideal part no. 075285
 
9 Part number 075286, OBSOLETE C/CHBR SD INSL+FTTG:MX2BED 125 OBSOLETE C/CHBR SD INSL+FTTG:MX2BED 125
Ideal part no. 075286
 
10 Part number 075287, OBSOLETE C/CHBR FRT INS+FTTGS:MX2BED OBSOLETE C/CHBR FRT INS+FTTGS:MX2BED
Ideal part no. 075287
 
11 Part number 075288, OBSOLETE C/CHBR REAR INS AND FTTGS:MX2BED OBSOLETE C/CHBR REAR INS AND FTTGS:MX2BED
Ideal part no. 075288
 
12   COLL HOOD ASSY:MX RS3/40
Ideal part no. 075340
£29.85
12   COLL HOOD ASSY:MX RS3/100
Ideal part no. 075342
£48.11
12   COLL HOOD ASSY:MX RS3/125
Ideal part no. 075343
£54.00
12   OBSOLETE COLL HOOD ASSY:MX RS3/50-80
Ideal part no. 075341
 
16   FRT PLATE/GAS LINE ASSY 460
Ideal part no. 171994
£187.96
16   OBSOLETE FRT PLATE/GAS LINE ASSY 440
Ideal part no. 171992
 
16   OBSOLETE FRT PLATE/GAS LINE ASSY 450
Ideal part no. 171993
 
16   OBSOLETE FRT PLATE/GAS LINE ASSY 470
Ideal part no. 171995
 
16   OBSOLETE FRT PLATE/GAS LINE ASSY 485
Ideal part no. 171996
 
16   OBSOLETE FRT PLATE/GAS LINE ASSY 4100
Ideal part no. 171997
 
16   OBSOLETE FRT PLATE/GAS LINE ASSY 4125
Ideal part no. 171998
 
17 Part number 079334, OBSOLETE SIGHT GLASS ASSEMBLY OBSOLETE SIGHT GLASS ASSEMBLY
Ideal part no. 079334
 
18   BURNER MANIFOLD ASSY
Ideal part no. 172001
 
18   BURNER MANIFOLD ASSY
Ideal part no. 172002
 
19   PILOT PIPE+FTTGS:MX2 BED RS100
Ideal part no. 075289
 
19   OBSOLETE PILOT PIPE+FTTGS:MX2 BED RS125
Ideal part no. 075290
 
19   OBSOLETE PILOT PIPE ASS MX2 RS40
Ideal part no. 079749
 
19   OBSOLETE PILOT PIPE ASS MX 2 RS 50/60
Ideal part no. 079750
 
19   OBSOLETE PILOT PIPE ASS MX2 RS70/80
Ideal part no. 079751
 
20 Part number 012959, LH MAIN BURNER AC19/123216 LH MAIN BURNER AC19/123216
Ideal part no. 012959
£227.08
20   MAIN BURNER AC19/123266
Ideal part no. 113187
 
20   MAIN BURNER AC19/123267
Ideal part no. 113188
 
20   OBSOLETE RH MAIN BURNER AC19/123298
Ideal part no. 150865
 
20 Part number 150871, RH MAIN BURNER AC19/123299 OBSOLETE RH MAIN BURNER AC19/123299 OBSOLETE
Ideal part no. 150871
 
20 Part number 153203, OBSOLETE MAIN BURNER - RH MEXICO FF125 OBSOLETE MAIN BURNER - RH MEXICO FF125
Ideal part no. 153203
 
20 Part number 172003, MAIN BURNER 470 MAIN BURNER 470
Ideal part no. 172003
 
21   INJECTOR BNR BRAY CAT 103 SIZE 1700
Ideal part no. 150986
£3.17
21   OBSOLETE INJECTOR BNR BRAY CAT 10 SIZE 1400
Ideal part no. 003361
 
21   OBSOLETE INJECTOR BNR BRAY CAT 10 SIZE 2200
Ideal part no. 004049
 
21   OBSOLETE INJECTOR BNR BRAY CAT 10 SIZE 1200
Ideal part no. 004190
 
21 Part number 004305, OBSOLETE INJECTOR BNR BRAY CAT 10 SIZE 1700 OBSOLETE INJECTOR BNR BRAY CAT 10 SIZE 1700
Ideal part no. 004305
 
22 Part number 075291, PILOT BNR ASSY Q385A2036 PILOT BNR ASSY Q385A2036
Ideal part no. 075291
 
22 Part number 079355, PILOT BNR ASSY Q385A-1020 PILOT BNR ASSY Q385A-1020
Ideal part no. 079355
 
23 Part number 003825, INJECTOR PILOT HONEYWELL 45900421-029 INJECTOR PILOT HONEYWELL 45900421-029
Ideal part no. 003825
 
24 Part number 170664, GAS VALVE ASSEMBLY MEXICO FF100-125 GAS VALVE ASSEMBLY MEXICO FF100-125
Ideal part no. 170664
£213.65
25 Part number 003248, O-RING 25.0 I/D X 4.0 DES 0038 MN70 O-RING 25.0 I/D X 4.0 DES 0038 MN70
Ideal part no. 003248
£9.29
26 Part number 004713, IGN ELECTRODE BE/3231/SI MX2 IGN ELECTRODE BE/3231/SI MX2
Ideal part no. 004713
 
26 Part number 151079, IGN ELECTRODE H/W 45900413-004 IGN ELECTRODE H/W 45900413-004
Ideal part no. 151079
 
27 Part number 058826, 900mm H T LEADS CON 400/1450 900MM H T LEADS CON 400/1450
Ideal part no. 058826
 
27 Part number 130918, H T LEAD ASSY 1100mm LG SPRINT H T LEAD ASSY 1100MM LG SPRINT
Ideal part no. 130918
 
28 Part number 013580, 1/2INR/ANGLED GAS COCK F/F 1/2INR/ANGLED GAS COCK F/F
Ideal part no. 013580
 
29   PCB CHASSIS ASSEMBLY MEXICO FF
Ideal part no. 079892
£22.83
30 Part number 173799, PCB 25E PCB 25E
Ideal part no. 173799
£175.89
30   OBSOLETE 1 AMP FUSES BOARD 7
Ideal part no. 065668
 
30 Part number 079716, NOW USE PART NO 173799 PCB 25D BOARD NOW USE PART NO 173799 PCB 25D BOARD
Ideal part no. 079716
 
32   OBSOLETE GAS VALVE HARNESS MEXICO FF
Ideal part no. 153195
 
33 Part number 004420, PCB SUPPORT CLIP TCBS-6 PCB SUPPORT CLIP TCBS-6
Ideal part no. 004420
£3.06
37   PCB COVER MEXICO FF
Ideal part no. 153201
£4.66
44   OBSOLETE AIR/FLUE DUCT ASS MX RS40
Ideal part no. 057202
 
44   OBSOLETE AIR/FLUE DUCT ASS MEX RS70 & RS440-470
Ideal part no. 057203
 
44 Part number 057204, OBSOLETE AIR/FLUE DUCT ASS MEX RS80 OBSOLETE AIR/FLUE DUCT ASS MEX RS80
Ideal part no. 057204
 
44   OBSOLETE AIR/FLUE DUCT ASS MX RS100/125
Ideal part no. 057205
 
44   OBSOLETE AIR/FLUE DUCT ASS MX RS50
Ideal part no. 058990
 
44   OBSOLETE AIR/FL DUCT ASS MEX RS60
Ideal part no. 134895
 
45   OBSOLETE AIR/FLU DUCT GASKETS:MX2 BED
Ideal part no. 075308
 
46   OBSOLETE BOILER BASE PLATE MEX 40-100
Ideal part no. 134236
 
46   OBSOLETE BLR BASE PLATE MX RS/CF125
Ideal part no. 134237
 
47   HT SHIELD-BASE PLATE MX3 100
Ideal part no. 150838
£2.13
47   HT SHIELD-BASE PLATE MX3 125
Ideal part no. 150839
£3.95
48   OBSOLETE H/WARE PK MEX RS/CF40
Ideal part no. 013915
 
48   H/WARE PK MEX RS/CF50-80
Ideal part no. 013916
 
48   OBSOLETE H/WARE PK MEX RS/CF100
Ideal part no. 013918
 
48   OBSOLETE H/WARE PK MEX RS/CF125
Ideal part no. 013919
 
49   OBSOLETE FLUEWAY BAFFLE KIT MEXICO FF40-100
Ideal part no. 079890
 
49   OBSOLETE FLUEWAY BAFFLE MEXICO
Ideal part no. 135770
 
50 Part number 013311, SEALING GASKET MEX RS SEALING GASKET MEX RS
Ideal part no. 013311
 
51 Part number 053596, OBSOLETE SEALING PLT MEX RS 40-125 OBSOLETE SEALING PLT MEX RS 40-125
Ideal part no. 053596
 
62   OBSOLETE JACKET COMPLETE RS
Ideal part no. 172454
 
62   OBSOLETE JACKET COMPLETE RS 125
Ideal part no. 172462
 
63   CONTROL BOX COMPLETE MX SUP RS4 SERIES
Ideal part no. 172000
 
64   OBSOLETE CTRLS PANEL MX3
Ideal part no. 151428
 
65   OBSOLETE CONTROL BOX WIRING
Ideal part no. 171999
 
66 Part number 151903, CTRL STAT-RANCO REF K36-P1354 CTRL STAT-RANCO REF K36-P1354
Ideal part no. 151903
 
67 Part number 111904, CONTROL KNOB ASSY CONTROL KNOB ASSY
Ideal part no. 111904
 
68   THERMO PHIAL BRKT MEX
Ideal part no. 057454
 
69 Part number 003147, SPLIT PIN 1/16 X 1 BRASS SPLIT PIN 1/16 X 1 BRASS
Ideal part no. 003147
£2.91
71   OBSOLETE CTRLS FRONT PNL ASS:MX 3
Ideal part no. 075346
 
72   OBSOLETE MAGNETIC STRIP 210 X 13MM
Ideal part no. 151997
 
73 Part number 172465, SIDE PANEL 45-100 SIDE PANEL 45-100
Ideal part no. 172465
£29.50
73   SIDE PANEL 125
Ideal part no. 172466
£37.39
75 Part number 170662, JACKET FRONT PANEL ASS MEXICO FF JACKET FRONT PANEL ASS MEXICO FF
Ideal part no. 170662
£38.42
76   TOP PANEL 45-100
Ideal part no. 172468
£55.57
76   OBSOLETE TOP PANEL 125
Ideal part no. 172478
 
77   OBSOLETE GRILLE PANEL
Ideal part no. 172467
 
78   OBSOLETE JKT FIXING PACK:MX 3 RS/CF/FAN
Ideal part no. 075350
 
79 Part number 139603, ROCKER SWITCH ARCOELH8600VBWHITE ROCKER SWITCH ARCOELH8600VBWHITE
Ideal part no. 139603
£1.98
93   OBSOLETE TOP BRACKET C/W FIXINGS MX3
Ideal part no. 075378
 
94   OBSOLETE CLEANOUT COVER ASS MX 3 40-80
Ideal part no. 150777
 
94   OBSOLETE CLEANOUT CVR ASS MX 3 100-140
Ideal part no. 150778
 



Heating spares made simple this website is secured by Geotrust