Official Stockist

  • Your Shopping BasketYour Shopping Baske

    Empty
  • SSL Secure Connection


Official Stockist

Diagram & User Manual Search

Quickly locate your appliance and order replacement parts using our secure online payment facility.

  • Over 20,000 appliances available
  • Simply click on the part to buy
  • Secure online payment
  • Next day delivery

Detailed Search




  

Specific Search



  

Created by Gas Engineers, for Gas Engineers • We only sell Genuine Boiler Spares • HSP - Where The Trade Buy

IDEAL
MEXICO CF 4 55 - (Boiler 1)
Appliance Code: 41-392-82

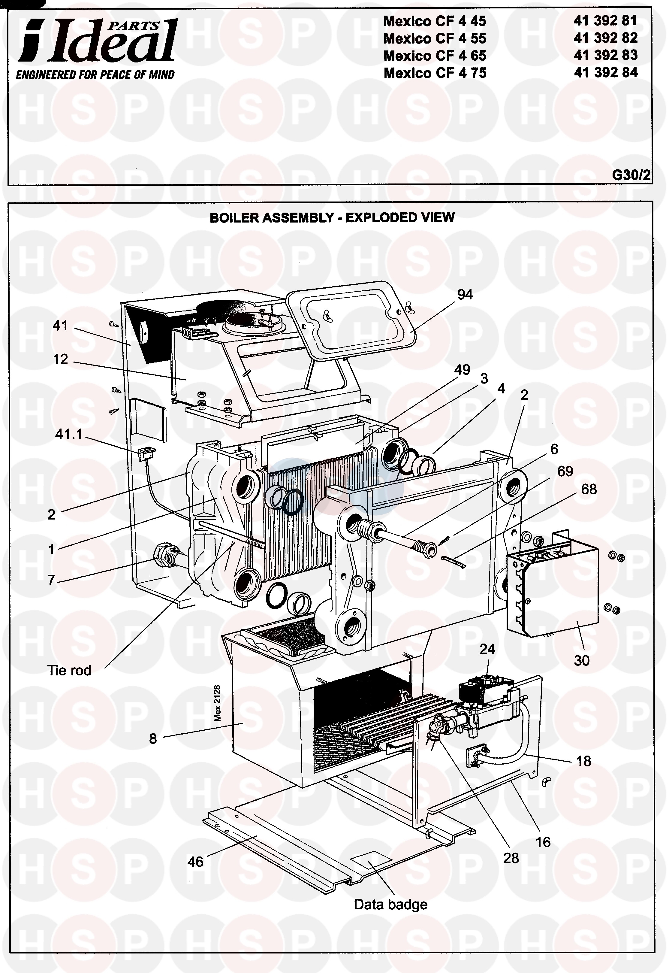
Appliance Diagram


Boiler 1 diagram for Ideal Mexico CF 4 55Click the diagram to open it on a new page

You can then pinch & zoom to adjust the size.

1 Part number 150747, HT EXCH ASS MX 3 CF100 4 section HT EXCH ASS MX 3 CF100 4 SECTION
Ideal part no. 150747
£574.80
1   INSULATION-HEAT EXCHANGER 445-475
Ideal part no. 171980
£9.51
1 Part number 150746, HT EXCH ASS MX 3 CF50-80 HT EXCH ASS MX 3 CF50-80
Ideal part no. 150746
 
1 Part number 150748, HT EXCH ASS MX 3 CF125 HT EXCH ASS MX 3 CF125
Ideal part no. 150748
 
1   OBSOLETE HT EXCH ASS MX 3 CF140
Ideal part no. 150749
 
6 Part number 055865, T/STAT POCKET ASS 6339004 T/STAT POCKET ASS 6339004
Ideal part no. 055865
£26.82
6   OBSOLETE T/STAT POCKET ASS 6339011
Ideal part no. 002523
 
7   DIST TUBE ASS MX RS/CF100
Ideal part no. 057160
£41.14
7 Part number 057159, OBSOLETE DIST TUBE ASS MEX 50/80 OBSOLETE DIST TUBE ASS MEX 50/80
Ideal part no. 057159
 
7   OBSOLETE DIST TUBE ASS MEX 40
Ideal part no. 059037
 
7   OBSOLETE DIST TUBE ASS MEX RS125
Ideal part no. 059706
 
7   OBSOLETE DIST TUBE ASS MEX SUPER CF 140
Ideal part no. 134681
 
8   C/CHBR+INSL/SEALS:MX2BED CF100
Ideal part no. 075301
£69.65
8   OBSOLETE C/CHBR+INSL/SEALS:MX2 BED CF50
Ideal part no. 075299
 
8   OBSOLETE C/CHBR+INSL/SEALS:MX2 BED CF80
Ideal part no. 075300
 
8   OBSOLETE C/CHBR+INSL/SEALS:MX2BED CF125
Ideal part no. 075302
 
8   OBSOLETE C/CHBR+INSL/SEALS:MX2BED CF140
Ideal part no. 075303
 
9   OBSOLETE C/CHBR SD INSL+FTTG:MX2 BED 50
Ideal part no. 075284
 
9 Part number 075285, OBSOLETE C/CHBR SD INSL+FTTG:MX2BED 100 OBSOLETE C/CHBR SD INSL+FTTG:MX2BED 100
Ideal part no. 075285
 
9 Part number 075286, OBSOLETE C/CHBR SD INSL+FTTG:MX2BED 125 OBSOLETE C/CHBR SD INSL+FTTG:MX2BED 125
Ideal part no. 075286
 
9   C/CHBR SD INSL+FTTG:MX2BED 140
Ideal part no. 075296
 
10 Part number 075287, OBSOLETE C/CHBR FRT INS+FTTGS:MX2BED OBSOLETE C/CHBR FRT INS+FTTGS:MX2BED
Ideal part no. 075287
 
11 Part number 075288, OBSOLETE C/CHBR REAR INS AND FTTGS:MX2BED OBSOLETE C/CHBR REAR INS AND FTTGS:MX2BED
Ideal part no. 075288
 
12   OBSOLETE COLL HOOD ASS:MX CF3/50
Ideal part no. 075352
 
12   OBSOLETE COLL HOOD ASS:MX CF3/60
Ideal part no. 075353
 
12   COLL HOOD ASS:MX CF3/70
Ideal part no. 075354
 
12   OBSOLETE COLL HOOD ASS:MX CF3/100
Ideal part no. 075356
 
12   OBSOLETE COLL HOOD ASS:MX CF3/125
Ideal part no. 075357
 
12   COLL HOOD ASS:MX CF3/140
Ideal part no. 075358
 
16   FRT PLATE/GAS LINE ASSY CF455
Ideal part no. 171982
£191.88
16   OBSOLETE FRT PLATE/GAS LINE ASSY CF445
Ideal part no. 171981
 
16   OBSOLETE FRT PLATE/GAS LINE ASSY CF465
Ideal part no. 171983
 
16   OBSOLETE FRT PLATE/GAS LINE ASSY CF475
Ideal part no. 171984
 
16   OBSOLETE FRT PLATE/GAS LINE ASSY CF495
Ideal part no. 171985
 
16   OBSOLETE FRT PLATE/GAS LINE ASSY CF4120
Ideal part no. 171986
 
16   OBSOLETE FRT PLATE/GAS LINE ASSY CF4140
Ideal part no. 171987
 
17 Part number 079334, OBSOLETE SIGHT GLASS ASSEMBLY OBSOLETE SIGHT GLASS ASSEMBLY
Ideal part no. 079334
 
18   BURNER MANIFOLD ASSY
Ideal part no. 172001
 
18   BURNER MANIFOLD ASSY
Ideal part no. 172002
 
19   PILOT PIPE ASSY MX2CF100
Ideal part no. 079682
£17.06
19   PILOT PIPE ASSY MX2 CF125
Ideal part no. 079683
 
19   OBSOLETE PILOT PIPE ASSY MX2 CF140
Ideal part no. 079684
 
19   OBSOLETE P/PIPE ASS MX2 RS60P CF50/60
Ideal part no. 079752
 
19   PILOT PIPE ASS MX2 CF70/80
Ideal part no. 079755
 
20 Part number 100160, LH MAIN BURNER AC19/123285 LH MAIN BURNER AC19/123285
Ideal part no. 100160
 
20 Part number 100162, LH MAIN BURNER AC19/123287 LH MAIN BURNER AC19/123287
Ideal part no. 100162
 
20 Part number 100164, LH MAIN BURNER AC19/123289 LH MAIN BURNER AC19/123289
Ideal part no. 100164
 
20   OBSOLETE MAIN BURNER
Ideal part no. 171990
 
20   MAIN BURNER RH C/W PILOT BRACKET
Ideal part no. 172448
 
20   MAIN BURNER RH
Ideal part no. 172449
 
20   MAIN BURNER RH C/W PILOT BRACKET
Ideal part no. 172450
 
21   MAIN INJECTOR 445
Ideal part no. 171991
£4.10
21   OBSOLETE INJECTOR BNR BRAY CAT 10 SIZE 1400
Ideal part no. 003361
 
21   OBSOLETE INJECTOR BNR BRAY CAT 10 SIZE 2200
Ideal part no. 004049
 
21 Part number 004305, OBSOLETE INJECTOR BNR BRAY CAT 10 SIZE 1700 OBSOLETE INJECTOR BNR BRAY CAT 10 SIZE 1700
Ideal part no. 004305
 
21   OBSOLETE INJECTOR BNR BRAY CAT 10 SIZE 2000
Ideal part no. 112934
 
22 Part number 172008, PILOT BURNER ASSY CF45-75 PILOT BURNER ASSY CF45-75
Ideal part no. 172008
 
22 Part number 172009, PILOT BURNER ASSY CF95-120-140 PILOT BURNER ASSY CF95-120-140
Ideal part no. 172009
 
23   PILOT BURNER HONEYWELL Q385A 1079B RS/CF
Ideal part no. 004712
£25.02
23 Part number 171434, PILOT BURNER INJECTOR CLA FF30-80 PILOT BURNER INJECTOR CLA FF30-80
Ideal part no. 171434
 
24 Part number 170664, GAS VALVE ASSEMBLY MEXICO FF100-125 GAS VALVE ASSEMBLY MEXICO FF100-125
Ideal part no. 170664
£213.65
25 Part number 003248, O-RING 25.0 I/D X 4.0 DES 0038 MN70 O-RING 25.0 I/D X 4.0 DES 0038 MN70
Ideal part no. 003248
£9.29
26 Part number 003777, OBSOLETE IGN ELECTRODE 60877 MX2 100-140 OBSOLETE IGN ELECTRODE 60877 MX2 100-140
Ideal part no. 003777
 
26 Part number 004713, IGN ELECTRODE BE/3231/SI MX2 IGN ELECTRODE BE/3231/SI MX2
Ideal part no. 004713
 
27 Part number 058826, 900mm H T LEADS CON 400/1450 900MM H T LEADS CON 400/1450
Ideal part no. 058826
 
27 Part number 130918, H T LEAD ASSY 1100mm LG SPRINT H T LEAD ASSY 1100MM LG SPRINT
Ideal part no. 130918
 
28 Part number 013580, 1/2INR/ANGLED GAS COCK F/F 1/2INR/ANGLED GAS COCK F/F
Ideal part no. 013580
 
29   PCB CHASSIS ASSEMBLY MEXICO FF
Ideal part no. 079892
£22.83
30 Part number 173799, PCB 25E PCB 25E
Ideal part no. 173799
£175.89
30   OBSOLETE 1 AMP FUSES BOARD 7
Ideal part no. 065668
 
30 Part number 079716, NOW USE PART NO 173799 PCB 25D BOARD NOW USE PART NO 173799 PCB 25D BOARD
Ideal part no. 079716
 
32   OBSOLETE GAS VALVE HARNESS MEXICO FF
Ideal part no. 153195
 
33 Part number 004420, PCB SUPPORT CLIP TCBS-6 PCB SUPPORT CLIP TCBS-6
Ideal part no. 004420
£3.06
37   PCB COVER MEXICO FF
Ideal part no. 153201
£4.66
44   OBSOLETE DOWNDRAFT STAT AND FTTGS:MX3 CF
Ideal part no. 075372
 
44   OBSOLETE D D BK PNL/TOP INFL MX CF50/60
Ideal part no. 139554
 
44   OBSOLETE D D BK PNL/TOP INFL MX CF70
Ideal part no. 139555
 
44   OBSOLETE D D BK PNL/TOP INFL MX CF100
Ideal part no. 139557
 
44   OBSOLETE D/DIVERTER BK PNL ASS MX CF140
Ideal part no. 150263
 
44   OBSOLETE D D BK/TOP INFL MX CF80
Ideal part no. 151018
 
44   OBSOLETE D D BK/TOP INFL MX CF125
Ideal part no. 151019
 
46   OBSOLETE BOILER BASE PLATE MEX 40-100
Ideal part no. 134236
 
46   OBSOLETE BLR BASE PLATE MX RS/CF125
Ideal part no. 134237
 
46   OBSOLETE BASE PLATE-FRONT MX CF140
Ideal part no. 134988
 
47   HT SHIELD-BASE PLATE MX3 100
Ideal part no. 150838
£2.13
47   HT SHIELD-BASE PLATE MX3 125
Ideal part no. 150839
£3.95
47   HT SHIELD-BASE PLATE MX3 140
Ideal part no. 150840
£4.45
48   H/WARE PK MEX RS/CF50-80
Ideal part no. 013916
 
48   OBSOLETE H/WARE PK MEX RS/CF100
Ideal part no. 013918
 
48   OBSOLETE H/WARE PK MEX RS/CF125
Ideal part no. 013919
 
48   OBSOLETE H/WARE PK MEX CF140
Ideal part no. 013920
 
49 Part number 134737, OBSOLETE FLUEWAY BAFFLE ASS MX CF100 OBSOLETE FLUEWAY BAFFLE ASS MX CF100
Ideal part no. 134737
 
49   OBSOLETE FLUEWAY BAFFLE MEXICO
Ideal part no. 135770
 
49   OBSOLETE FLUE BAFFLE
Ideal part no. 172451
 
62   OBSOLETE JACKET COMPLETE:MX CF3/140
Ideal part no. 075363
 
62   OBSOLETE JACKET COMPLETE CF
Ideal part no. 172456
 
62   OBSOLETE JACKET COMPLETE CF125
Ideal part no. 172459
 
63   OBSOLETE CONTROLS COMPLETE MX SUP CF4 SERIES
Ideal part no. 171989
 
64   OBSOLETE CTRLS PANEL MX3
Ideal part no. 151428
 
65   OBSOLETE CONTROL BOX WIRING ASSY
Ideal part no. 171988
 
66 Part number 151903, CTRL STAT-RANCO REF K36-P1354 CTRL STAT-RANCO REF K36-P1354
Ideal part no. 151903
 
67 Part number 111904, CONTROL KNOB ASSY CONTROL KNOB ASSY
Ideal part no. 111904
 
68   THERMO PHIAL BRKT MEX
Ideal part no. 057454
 
69 Part number 003147, SPLIT PIN 1/16 X 1 BRASS SPLIT PIN 1/16 X 1 BRASS
Ideal part no. 003147
£2.91
71   OBSOLETE CTRLS FRONT PNL ASS:MX 3
Ideal part no. 075346
 
72   OBSOLETE MAGNETIC STRIP 210 X 13MM
Ideal part no. 151997
 
73 Part number 172465, SIDE PANEL 45-100 SIDE PANEL 45-100
Ideal part no. 172465
£29.50
73   SIDE PANEL 125
Ideal part no. 172466
£37.39
73   OBSOLETE JKT SIDE PNL ASSY:MX CF3/140
Ideal part no. 075366
 
75 Part number 170662, JACKET FRONT PANEL ASS MEXICO FF JACKET FRONT PANEL ASS MEXICO FF
Ideal part no. 170662
£38.42
76   TOP PANEL
Ideal part no. 172475
£32.83
76   TOP PANEL
Ideal part no. 172476
£40.27
76   OBSOLETE JKT TOP PNL ASSY:MX CF3/80-100
Ideal part no. 075368
 
76   OBSOLETE TOP PANEL MX3 CF140
Ideal part no. 151435
 
77   OBSOLETE GRILLE PANEL
Ideal part no. 172467
 
78   OBSOLETE JKT FIXING PACK:MX 3 RS/CF/FAN
Ideal part no. 075350
 
79 Part number 139603, ROCKER SWITCH ARCOELH8600VBWHITE ROCKER SWITCH ARCOELH8600VBWHITE
Ideal part no. 139603
£1.98
93   OBSOLETE TOP BRACKET C/W FIXINGS MX3
Ideal part no. 075378
 
94   OBSOLETE CLEANOUT COVER ASS MX 3 40-80
Ideal part no. 150777
 
94   OBSOLETE CLEANOUT CVR ASS MX 3 100-140
Ideal part no. 150778
 
300 Part number 100355, L/STAT RANCO LM7 P9015 L/STAT RANCO LM7 P9015
Ideal part no. 100355
£27.54



Heating spares made simple this website is secured by Geotrust