Click here to see our Easter working times

Official Stockist

  • Your Shopping BasketYour Shopping Baske

    Empty
  • SSL Secure Connection


Official Stockist

Diagram & User Manual Search

Quickly locate your appliance and order replacement parts using our secure online payment facility.

  • Over 20,000 appliances available
  • Simply click on the part to buy
  • Secure online payment
  • Next day delivery

Detailed Search




  

Specific Search



  

Created by Gas Engineers, for Gas Engineers • We only sell Genuine Boiler Spares • HSP - Where The Trade Buy

IDEAL
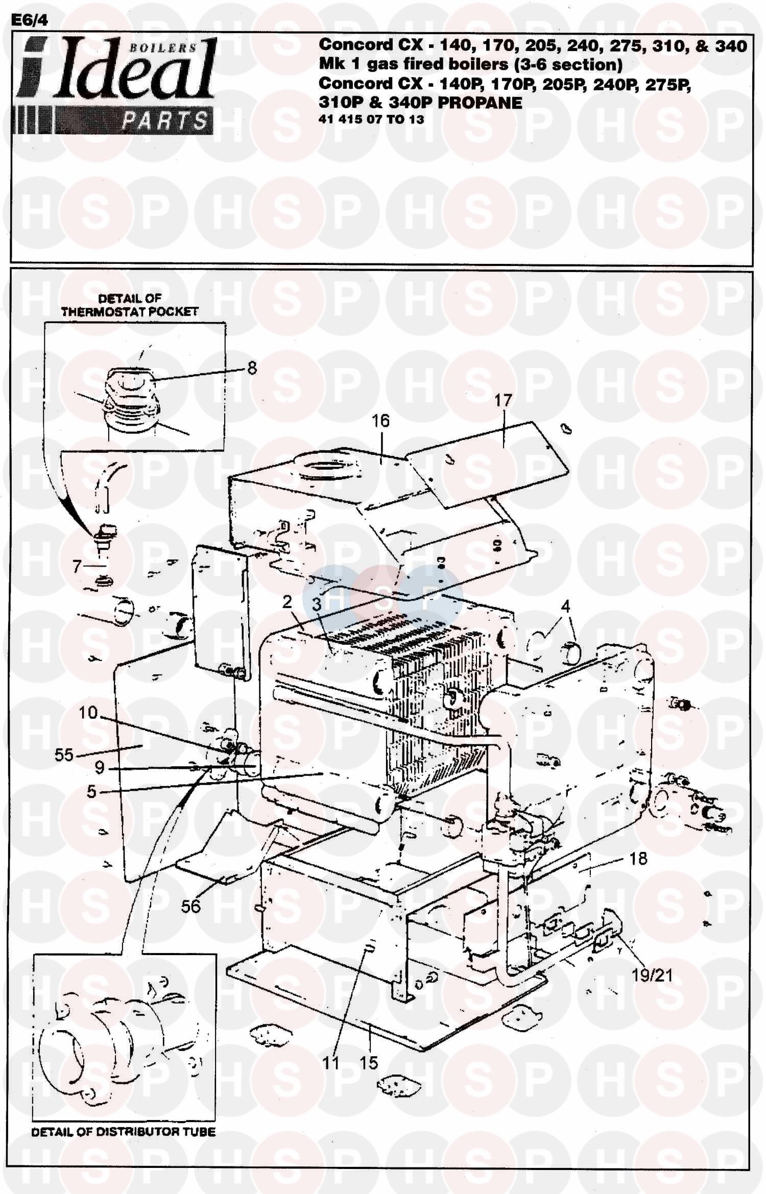
CONCORD CX - 310 & 310P - (Boiler Assembly 1)
Appliance Code: 41-415-12

Appliance Diagram


Boiler Assembly 1 diagram for Ideal Concord CX - 310 & 310PClick the diagram to open it on a new page

You can then pinch & zoom to adjust the size.

0   PRESSURE GAUGE CX
Ideal part no. 004257
£116.06
0   OBSOLETE DIST TUBE GASKET
Ideal part no. 013227
 
0 Part number 060562, PCB 1C BOARD (409800) PCB 1C BOARD (409800)
Ideal part no. 060562
 
0 Part number 079675, OBSOLETE Mastic + Nozzle Assy OBSOLETE MASTIC + NOZZLE ASSY
Ideal part no. 079675
 
0 Part number 130025, FLANGE RC 1/2 IN CX FLANGE RC 1/2 IN CX
Ideal part no. 130025
 
1   OBSOLETE HT EXCH ASS 3 SCTN:CX 140
Ideal part no. 059768
 
1   OBSOLETE HT EXCH ASS 4 SCTN:CX170/205
Ideal part no. 059769
 
1   OBSOLETE HT EXCH ASS 5 SCTN:CX240/275
Ideal part no. 059770
 
1   OBSOLETE HT EXCH ASS 6 SCTN:CX310/340
Ideal part no. 059771
 
2   OBSOLETE END SECT W/4X0 RINGS & 4XSPLIT
Ideal part no. 078801
 
3   OBSOLETE CENTRE SECT W/8X0 RINGS
Ideal part no. 078802
 
4 Part number 078800, OBSOLETE SET OF 4 O RINGS + 4 SPLIT OBSOLETE SET OF 4 O RINGS + 4 SPLIT
Ideal part no. 078800
 
5   OBSOLETE SET TIE RODS CX140
Ideal part no. 078803
 
5   OBSOLETE SET 4-M12 X 439 MM TIE RODS
Ideal part no. 078804
 
5   OBSOLETE SET OF 4-M12X562 MM TIE RODS
Ideal part no. 078805
 
5   OBSOLETE 4 M12X685 TIE RODS CX (AC)
Ideal part no. 078806
 
6   OBSOLETE HEAT EXCH INSUL CXI 410
Ideal part no. 078807
 
6 Part number 078808, OBSOLETE HT EXCH INSUL CXI 480 OBSOLETE HT EXCH INSUL CXI 480
Ideal part no. 078808
 
6   OBSOLETE HT EXCH INSUL CXI 550
Ideal part no. 078809
 
6   OBSOLETE HT EXCH INSUL CXI 620
Ideal part no. 078810
 
7 Part number 130782, T/STAT POCKET ASS CX T/STAT POCKET ASS CX
Ideal part no. 130782
£71.38
8   THERMOSTAT CAPILLARY CLAMP CX
Ideal part no. 098183
£5.03
9   DIST TUBE ASS CXC48/CX40
Ideal part no. 135497
£132.54
9   DIST TUBE ASS CXC94/CX70-80
Ideal part no. 135499
£32.40
9   DIST TUBE AS CXC116/CX90-100
Ideal part no. 135500
£31.36
9   OBSOLETE DIST TUBE ASS CXC66/CX2170-205
Ideal part no. 135498
 
10   OBSOLETE 2IN SCREWED FLANGE & GSKT CX-CX1
Ideal part no. 078815
 
11   OBSOLETE COMB CHAMBER ASSY CX140
Ideal part no. 078831
 
11   OBSOLETE COMB CHBR ASS CX170/205
Ideal part no. 078832
 
11   OBSOLETE COMB CHAMBER ASSY CX240
Ideal part no. 078833
 
11   OBSOLETE COMB CHAMBER ASSY CX310
Ideal part no. 078834
 
12 Part number 078816, COMB CHAMBER FRT INSUL:CX COMB CHAMBER FRT INSUL:CX
Ideal part no. 078816
£15.39
13 Part number 078817, COMB CHAMBER REAR INSUL:CX COMB CHAMBER REAR INSUL:CX
Ideal part no. 078817
£21.02
14   OBSOLETE COMB CHAMBER SIDE INSUL W/FTGS
Ideal part no. 078818
 
14   OBSOLETE COMB CHAMBER SIDE INSUL W/FTGS
Ideal part no. 078819
 
14   OBSOLETE COMB CHAMBER SIDE INSUL W/FTGS
Ideal part no. 078820
 
14   OBSOLETE COMB CHAMBER SIDE INSUL
Ideal part no. 078821
 
15   OBSOLETE HEATSHIELD S/ASS:CX140
Ideal part no. 025789
 
15   OBSOLETE HEATSHIELD S/ASS:CX170
Ideal part no. 025790
 
15   OBSOLETE HEATSHIELD S/ASS:CX205
Ideal part no. 025791
 
15   OBSOLETE HEATSHIELD S/ASS:CX240
Ideal part no. 025792
 
15   OBSOLETE HEATSHIELD S/ASS:CX275
Ideal part no. 025793
 
15   OBSOLETE HEATSHIELD S/ASS:CX310
Ideal part no. 025794
 
15   OBSOLETE HEATSHIELD S/ASS:CX 340
Ideal part no. 025795
 
15   OBSOLETE HEATSHIELD S/ASS:CX140P
Ideal part no. 026574
 
15   OBSOLETE HEATSHIELD S/ASS:CX170P
Ideal part no. 026575
 
15   OBSOLETE HEATSHIELD S/ASS:CX205P
Ideal part no. 026576
 
15   OBSOLETE HEATSHIELD S/ASS:CX240P
Ideal part no. 026577
 
15   OBSOLETE HEATSHIELD S/ASS:CX275P
Ideal part no. 026578
 
15   OBSOLETE HEATSHIELD S/ASS:CX310P
Ideal part no. 026579
 
15   OBSOLETE HEATSHIELD S/ASS:CX340P
Ideal part no. 026580
 
16   OBSOLETE COLL HD ASS CX140
Ideal part no. 059689
 
16   OBSOLETE COLL HD ASS CX170
Ideal part no. 059690
 
16   OBSOLETE COLL HD ASS CX205
Ideal part no. 059691
 
16   OBSOLETE COLL HD ASSY CX240
Ideal part no. 059692
 
16   OBSOLETE COLL HD ASS CX275 (AC)
Ideal part no. 059693
 
16   OBSOLETE COLL HOOD ASSY CX310
Ideal part no. 059694
 
16   OBSOLETE COLL HOOD ASSY CX340 (AC)
Ideal part no. 059695
 
17   OBSOLETE C/O COVER ASS CX2 140-205
Ideal part no. 059715
 
17   OBSOLETE C/O COVER ASS CX2 240-340
Ideal part no. 059716
 
18   OBSOLETE BNR FRT PLT ASS CX140-340
Ideal part no. 059681
 
19 Part number 079334, OBSOLETE SIGHT GLASS ASSEMBLY OBSOLETE SIGHT GLASS ASSEMBLY
Ideal part no. 079334
 
20 Part number 078822, OBSOLETE FRT PLT F/BRD INSUL CERAMIC OBSOLETE FRT PLT F/BRD INSUL CERAMIC
Ideal part no. 078822
 
21   OBSOLETE BNR M/FOLD W/3 BNR INJ CX2 140
Ideal part no. 078823
 
21   OBSOLETE BNR MANIFOLD CX170/205
Ideal part no. 078824
 
21   OBSOLETE BNR M/FOLD W/3 BNR INJ CX 275
Ideal part no. 078825
 
21   OBSOLETE BNR M/FOLD W/3 BNR INJ CX2 275
Ideal part no. 078826
 
21   OBSOLETE BNR M/FOLD W/3 BNR INJ CX2 310
Ideal part no. 078827
 
21   OBSOLETE BNR MANIFOLD ASSY CX340 (AC)
Ideal part no. 078828
 
21   OBSOLETE BNR MANIFOLD W/3 MAIN BNR INJS
Ideal part no. 078862
 
21   OBSOLETE BNR MANIFOLD ASSY CX170P (AC)
Ideal part no. 078863
 
21   OBSOLETE BNR MANIFOLD W/3 MAIN BNR INJS
Ideal part no. 078864
 
21   OBSOLETE BNR MANIFOLD ASSY CX
Ideal part no. 078865
 
21   OBSOLETE BNR MANIFOLD W/3 MAIN BNR INJS
Ideal part no. 078866
 
21   OBSOLETE BNR MANIFOLD W/3 MAIN BNR INJS
Ideal part no. 078867
 
21   OBSOLETE BNR MANIFOLD W/3 MAIN BNR INJS
Ideal part no. 078868
 
22 Part number 078829, OBSOLETE PILOT PIPE ASSY CX MK 1 OBSOLETE PILOT PIPE ASSY CX MK 1
Ideal part no. 078829
 
23 Part number 013213, BURNER BAR 118.500.011 CX MK 1 BURNER BAR 118.500.011 CX MK 1
Ideal part no. 013213
£225.00
23   BNR BAR CX310/340 118500013
Ideal part no. 013215
£290.64
23   OBSOLETE P/BNR BAR 118.500.010 CX 140
Ideal part no. 013212
 
23   P/BNR BAR 118.500.012 CX MK I
Ideal part no. 013214
 
23   OBSOLETE P/BNR BAR 118.500.035 CX MK I
Ideal part no. 013576
 
23 Part number 013577, OBSOLETE CENTRE MAIN BURNER 118.500.036 OBSOLETE CENTRE MAIN BURNER 118.500.036
Ideal part no. 013577
 
23   P/BNR BAR 118.500.037 CX MK I
Ideal part no. 013578
 
23   OBSOLETE P/BNR BAR 118.500.038 CX MK I
Ideal part no. 013579
 
23   OBSOLETE CENTRE MAIN BNR ASSY CX170P
Ideal part no. 137545
 
24 Part number 013558, MAIN BURNER END CX140 118500030 MAIN BURNER END CX140 118500030
Ideal part no. 013558
£253.52
24   MAIN BURNER 118.500.031 CX 170/205 P/N
Ideal part no. 013559
£258.93
24 Part number 013560, MAIN BURNER 118.500.032 END CX 240/275 MAIN BURNER 118.500.032 END CX 240/275
Ideal part no. 013560
£321.88
24 Part number 013561, END MAIN BURNER 118500033 CX SER 2 END MAIN BURNER 118500033 CX SER 2
Ideal part no. 013561
£229.80
24   OBSOLETE END MAIN BNR ASS:CX & CX2 170P
Ideal part no. 137542
 
25   OBSOLETE LINT ARR/GAUZE F/GAS 118500005
Ideal part no. 065443
 
25   OBSOLETE LINT ARR/GAUZE F/GAS 538-105-011
Ideal part no. 065444
 
25   OBSOLETE LINT ARR/GAUZE F/GAS 118500007
Ideal part no. 065445
 
25   OBSOLETE LINT ARR/GAUZE F/GAS 118500008
Ideal part no. 065446
 
27 Part number 013175, INJECTOR BNR 4.02 - CX110 INJECTOR BNR 4.02 - CX110
Ideal part no. 013175
£9.38
27 Part number 013177, INJECTOR BNR 4-86 - CX INJECTOR BNR 4-86 - CX
Ideal part no. 013177
£11.60
27   INJECTOR BNR 5.30 - CX
Ideal part no. 013179
£11.60
27   INJECTOR BNR 2.15 - CX PROPANE
Ideal part no. 013569
£7.65
27   INJECTOR BNR 2.30 - CX PROPANE
Ideal part no. 013570
£5.84
27   INJECTOR BNR 2.54 - CX PROPANE
Ideal part no. 013571
£5.30
27   INJECTOR BNR 2.69 - CX PROPANE
Ideal part no. 013572
£7.25
27   INJECTOR BNR 2.96 - CX PROPANE
Ideal part no. 013573
£6.25
27 Part number 013574, INJECTOR BNR 3.09 - CX PROPANE INJECTOR BNR 3.09 - CX PROPANE
Ideal part no. 013574
£5.27
27 Part number 013575, INJECTOR BNR 3.27 - CX PROPANE INJECTOR BNR 3.27 - CX PROPANE
Ideal part no. 013575
£12.65
27   OBSOLETE INJECTOR BNR 3.33
Ideal part no. 013174
 
27   OBSOLETE INJECTOR BNR 4.48
Ideal part no. 013176
 
27   OBSOLETE INJECTOR BNR 4.91
Ideal part no. 013178
 
28 Part number 171142, PILOT BURNER & INJECTOR SPARES KIT PILOT BURNER & INJECTOR SPARES KIT
Ideal part no. 171142
£37.05
28 Part number 076560, NOW USE 171142 PILOT BURNER HONEYWELL MEXICO NOW USE 171142 PILOT BURNER HONEYWELL MEXICO
Ideal part no. 076560
 
28   OBSOLETE PILOT BNR WITH INJECTOR CX P
Ideal part no. 078869
 
29 Part number 000069, INJECTOR PILOT HONEYWELL 390686-4B INJECTOR PILOT HONEYWELL 390686-4B
Ideal part no. 000069
 
29   INJECTOR PILOT 390686-1 BBR10
Ideal part no. 003899
 
30 Part number 056193, GAS VALVE V4400C1211U 3/4IN GAS VALVE V4400C1211U 3/4IN
Ideal part no. 056193
 
30 Part number 131528, OBSOLETE GAS VALVE V4400D1011 BS OBSOLETE GAS VALVE V4400D1011 BS
Ideal part no. 131528
 
31   OBSOLETE SPARK GENERATOR VERN 60024/
Ideal part no. 004255
 
32   OBSOLETE SPARK GENERATOR L/STAT MTG BRKT S/AS:CXP
Ideal part no. 059516
 
33 Part number 130947, ELECTRODE ASSY CX ELECTRODE ASSY CX
Ideal part no. 130947
£31.80
34 Part number 030032, THERMOCOUPLE 900mm Q309A 2754B THERMOCOUPLE 900MM Q309A 2754B
Ideal part no. 030032
£28.85
35 Part number 173228, ECO LEADS ASSY ECO LEADS ASSY
Ideal part no. 173228
£54.09
35 Part number 059810, NOW USE 173228 T/CPL INTERR LEAD ASS:CXP NOW USE 173228 T/CPL INTERR LEAD ASS:CXP
Ideal part no. 059810
 
36 Part number 173228, ECO LEADS ASSY ECO LEADS ASSY
Ideal part no. 173228
£54.09
36 Part number 059811, NOW USE 173228 T/CPL INTERRUPTER LEAD ASS:CXP NOW USE 173228 T/CPL INTERRUPTER LEAD ASS:CXP
Ideal part no. 059811
 
37   OBSOLETE GAS COCK ASSY 004822/23/24
Ideal part no. 077047
 
38 Part number 013248, SENSOR ASSY ELECTRONIC T/STAT SENSOR ASSY ELECTRONIC T/STAT
Ideal part no. 013248
£95.20
38 Part number 013249, OBSOLETE POTENTIOMETER ASSY CTRL STAT OBSOLETE POTENTIOMETER ASSY CTRL STAT
Ideal part no. 013249
 
38 Part number 078770, OBSOLETE SENSOR ASSY CX (KIT) OBSOLETE SENSOR ASSY CX (KIT)
Ideal part no. 078770
 
39 Part number 013241, CONTROL KNOB T/STAT K526 CONTROL KNOB T/STAT K526
Ideal part no. 013241
£18.08
41   OBSOLETE CTRL BOX ASS CX140/340
Ideal part no. 059828
 
43 Part number 060554, PCB 6A BOARD (403602) PCB 6A BOARD (403602)
Ideal part no. 060554
 
44   OBSOLETE FRT FIX BRKT CX2/CXD
Ideal part no. 059525
 
45   OBSOLETE TOP FIXING BRKT ASS CX140-340
Ideal part no. 059827
 
46   OBSOLETE RH JKT SIDE PNL ASS CX140 AC
Ideal part no. 059812
 
46   OBSOLETE RH SIDE PNL ASS CX170/205
Ideal part no. 059813
 
46   OBSOLETE RH JKT SD PNL ASS CX240/275
Ideal part no. 059814
 
46   OBSOLETE RH SIDE PNL ASS CX310/340 A
Ideal part no. 059815
 
47   OBSOLETE LH SIDE PNL ASS CX140
Ideal part no. 059816
 
47   OBSOLETE LH JKT SD PNL ASS CX170/205
Ideal part no. 059817
 
47   OBSOLETE LH SIDE PNL ASS CX240/275 AC
Ideal part no. 059818
 
47   OBSOLETE LH SIDE PNL ASS CX310/340 A
Ideal part no. 059819
 
48   OBSOLETE JKT TOP PNL ASS CX 140
Ideal part no. 059820
 
48   OBSOLETE JKT TOP PNL ASS CX170
Ideal part no. 059821
 
48   OBSOLETE JKT TOP PNL ASS CX205 AC
Ideal part no. 059822
 
48   OBSOLETE JKT TOP PNL ASS CX240
Ideal part no. 059823
 
48   OBSOLETE JKT TOP PNL ASS CX275
Ideal part no. 059824
 
48   OBSOLETE JKT TOP PNL ASS CX310/340
Ideal part no. 059825
 
49   OBSOLETE JKT LWR FRT PNL ASS:CX140-340
Ideal part no. 059826
 
50   OBSOLETE CTRL BOX FRT PNL PTD:CX/CXI
Ideal part no. 132159
 
51   OBSOLETE JKT ASSY CX2 140 AC
Ideal part no. 135846
 
51   OBSOLETE JKT ASSY CX2 170
Ideal part no. 135847
 
51   OBSOLETE JKT ASSY CX2 205
Ideal part no. 135848
 
51   OBSOLETE JKT ASSY CX2 240
Ideal part no. 135849
 
51   OBSOLETE JKT ASSY CX2 275 AC
Ideal part no. 135850
 
51   OBSOLETE JKT ASSY CX2 310/340
Ideal part no. 135851
 
52   OBSOLETE CTRL OPTN KIT A PKGD:CX1
Ideal part no. 059798
 
53   OBSOLETE CTRL OPTN KIT B PKGD:CX2
Ideal part no. 059799
 
54   OBSOLETE CTRL OPTN KIT C PKGD:CX2
Ideal part no. 059800
 
55   OBSOLETE DRAUGHT DIVERTER BK PNL CX
Ideal part no. 059493
 
56   OBSOLETE DOWNDRAFT DEFLECTOR CX 140
Ideal part no. 059504
 
56   OBSOLETE D/DRAUGHT DEFLECTOR CX170/205
Ideal part no. 059505
 
56   OBSOLETE D/DRAUGHT DEFLECTOR CX240/275
Ideal part no. 059506
 
56   OBSOLETE D/DRAUGHT DEFLECTOR CX310/340
Ideal part no. 059507
 
57   PCB 2 BOARD (409900)
Ideal part no. 060563
£112.24
58 Part number 060551, OBSOLETE PCB 3 BOARD (402201) OBSOLETE PCB 3 BOARD (402201)
Ideal part no. 060551
 
59 Part number 060553, PCB 5A BOARD (402401) PCB 5A BOARD (402401)
Ideal part no. 060553
£208.24
60   OBSOLETE H/WARE PK-JKT CX140-340
Ideal part no. 013265
 
61   OBSOLETE FLUE BRUSHINPINNACLEIN CX RANGE
Ideal part no. 017498
 
62   OBSOLETE CONNECTOR SOCKET ASSY CX240
Ideal part no. 059908
 
63   OBSOLETE H/WARE PK-OPTION KIT C :CX
Ideal part no. 013640
 
64   LED ASSY ST3 CX OPT A + C
Ideal part no. 013250
£17.96
65 Part number 003248, O-RING 25.0 I/D X 4.0 DES 0038 MN70 O-RING 25.0 I/D X 4.0 DES 0038 MN70
Ideal part no. 003248
£9.29
66   OBSOLETE 6.3AMP ANTI-SURGE FUSE 40273
Ideal part no. 065667
 
67   1/8 PRESSURE TEST NIPPLE
Ideal part no. 000030
£10.40
68   OBSOLETE CONV KIT CX140 MK1 (KIT)
Ideal part no. 134779
 
69   OBSOLETE CONV KIT CX170 MK1 (KIT)
Ideal part no. 134780
 
70   OBSOLETE CONV KIT CX 205 MK1 (KIT)
Ideal part no. 134781
 
71 Part number 134782, OBSOLETE CONVERSION KIT CX 240 MK 1 OBSOLETE CONVERSION KIT CX 240 MK 1
Ideal part no. 134782
 
72   OBSOLETE CONVERSION KIT CX 275 MK 1
Ideal part no. 134783
 
73   OBSOLETE CONVERSION KIT CX 310 MK 1
Ideal part no. 134784
 
74   OBSOLETE CONVERSION KIT CX 340 MK 1
Ideal part no. 134785
 



Heating spares made simple this website is secured by Geotrust