Official Stockist

  • Your Shopping BasketYour Shopping Baske

    Empty
  • SSL Secure Connection


Official Stockist

Diagram & User Manual Search

Quickly locate your appliance and order replacement parts using our secure online payment facility.

  • Over 20,000 appliances available
  • Simply click on the part to buy
  • Secure online payment
  • Next day delivery

Detailed Search




  

Specific Search



  

Created by Gas Engineers, for Gas Engineers • We only sell Genuine Boiler Spares • HSP - Where The Trade Buy

IDEAL
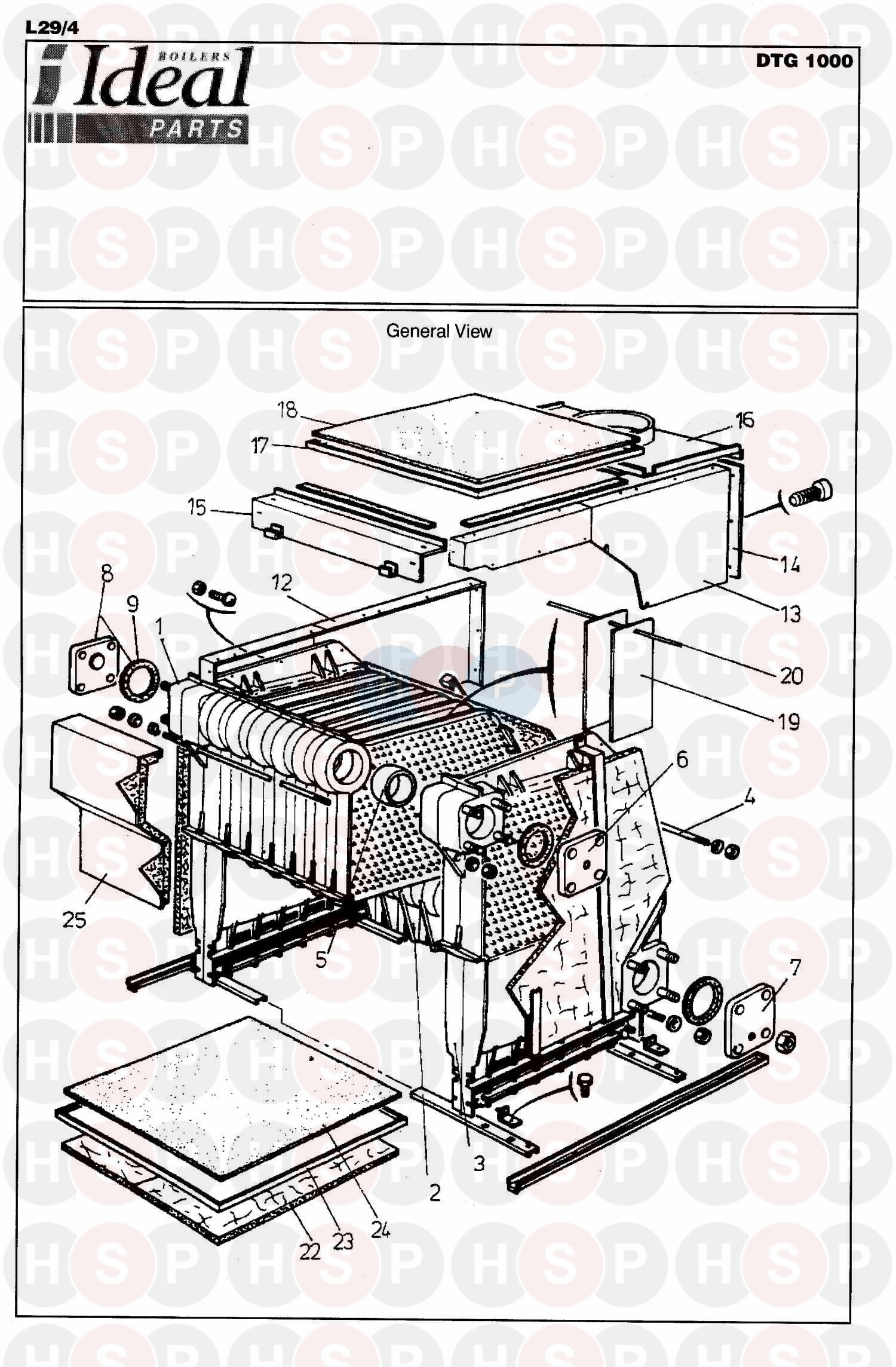
DGT 1000 BOILER - (Boiler Assembly 1)
Appliance Code: DGT 1000

Appliance Diagram


Boiler Assembly 1 diagram for Ideal DGT 1000 BoilerClick the diagram to open it on a new page

You can then pinch & zoom to adjust the size.

0   COMP INSUL 7-8SEC(81238973)
Ideal part no. 069580
£426.42
0   COMP INSUL 9-10SEC(81238974)
Ideal part no. 069581
£440.64
0   COMP INSUL 11-12SEC(81238975)
Ideal part no. 069582
£429.54
0   COMP INSUL 13-15 SEC(81238976)
Ideal part no. 069583
£332.91
0 Part number 069776, INJECTOR 97580152 DTG1000 INJECTOR 97580152 DTG1000
Ideal part no. 069776
£5.10
0   OBSOLETE COMP INSUL 4-6 SEC(81238972)
Ideal part no. 069579
 
0   OBSOLETE TRANSFORMER (81238980)
Ideal part no. 069818
 
1   CONC 1200-1400 LH END SECT ASS
Ideal part no. 079918
£2,951.08
2   OBSOLETE CONC 1200-1400 CENTRE SECT ASS
Ideal part no. 079920
 
3   CONC 1200-1400 RH END SECT ASS
Ideal part no. 079919
£2,951.08
5   OBSOLETE SECT SET NIPPLES CONC 1200-140
Ideal part no. 079926
 
6   BLANK FLANGE (81238920)
Ideal part no. 067506
£123.15
7   2IN TAPPED FLANGE&GSKT(80048972)
Ideal part no. 069451
£236.50
9 Part number 065894, FLANGE GSKT VICE ES 95014135 FLANGE GSKT VICE ES 95014135
Ideal part no. 065894
£53.10
12   LH SIDE PNL&FXGS 6-8(81238959)
Ideal part no. 069454
£353.23
12   LH SIDE PNL&FXGS 9-10 81238960
Ideal part no. 069455
£369.46
12   LH SIDE PNL&FXGS11-15 81238961
Ideal part no. 069456
£413.62
13   RH SIDE PNL&FXGS 6-8(81238964)
Ideal part no. 069457
£353.23
13   RH SIDE PNL&FXGS 10(81238965)
Ideal part no. 069458
£361.65
13   RH SIDE PNL&FXGS (81238966)
Ideal part no. 069459
£412.59
14   REAR PANEL 6 SEC (81230515)
Ideal part no. 069460
£171.70
14   REAR PANEL 7-8SEC (81230516)
Ideal part no. 069461
£214.97
14   REAR PANEL 9-10SEC(81230517)
Ideal part no. 069462
£256.14
14   REAR PANEL 11-12SEC(81230518)
Ideal part no. 069463
£345.60
14   REAR PANEL 13-15SEC(81230519)
Ideal part no. 069464
£422.39
15   FRONT PANEL 6 SEC(81230522)
Ideal part no. 069465
£139.39
15   FRONT PANEL 7-8SEC(81230523)
Ideal part no. 069466
£165.24
15   FRONT PANEL 9-10SEC(81230524)
Ideal part no. 069467
£188.92
15   FRONT PANEL 11-12SEC(81230525)
Ideal part no. 069468
£214.97
15   FRONT PANEL 13-15SEC(81230526)
Ideal part no. 069469
£252.73
16   TOP PLT W/FLUE CONN (81230529)
Ideal part no. 069470
£344.55
16   TOP PLT W/FLUE CONN(81230530)
Ideal part no. 069502
£397.34
16   TOPL PLT W/FLUE CONN(81230531)
Ideal part no. 069503
£483.78
16   TOP PLT W/FLUE CONN(81230532)
Ideal part no. 069504
£561.43
16   TOP PLT W/FLUE CONN(81230533)
Ideal part no. 069505
£657.47
17   CLEAN OUT COVER 6SEC(81230535)
Ideal part no. 069506
£304.69
17   CLEAN OUT COVER 7-8(81230536)
Ideal part no. 069507
£382.29
17   CLEAN OUT COVER 9-10(81230537)
Ideal part no. 069508
£430.81
17   CLEAN OUT COVER 13-15 81230539
Ideal part no. 069510
£596.08
18   LAGGING 81234014
Ideal part no. 069913
£121.25
19   S/STEEL BAFFLE PLATE (81238280
Ideal part no. 067504
£35.31
20   BAFFLE PLATE ROD (81238291)
Ideal part no. 067505
£28.17
20   FLUEWAY BAFFLE SUPT(81238284)
Ideal part no. 069585
£25.63
20   FLUEWAY BAFFLE SUPT(81238286)
Ideal part no. 069586
£28.17
20   FLUEWAY BAFFLE SUPT(81238288)
Ideal part no. 069587
£30.37
20   FLUEWAY BAFFLE SUPT(81238290)
Ideal part no. 069588
£32.82
20   FLUEWAY BAFFLE SUPT(81238292)
Ideal part no. 069589
£35.31
22   LAGGING 97550541
Ideal part no. 069908
£38.94
22   LAGGING 97550542
Ideal part no. 069909
£42.52
22   LAGGING 97550544
Ideal part no. 069912
£47.18
22   FLOOR LAGGING MAT (97550543)
Ideal part no. 069925
£44.98
23   FLOOR TRAY 6SEC (81230543)
Ideal part no. 069471
£159.89
23   FLOOR TRAY 7 SEC(81230544)
Ideal part no. 069472
£178.30
23   FLOOR TRAY 8SEC (81230545)
Ideal part no. 069473
£200.99
23   FLOOR TRAY 9SEC (81230546)
Ideal part no. 069474
£220.43
23   FLOOR TRAY 10 SEC(81230547)
Ideal part no. 069475
£260.32
23   FLOOR TRAY 11SEC(81230548)
Ideal part no. 069476
£280.81
23   FLOOR TRAY 12 SEC(81230549)
Ideal part no. 069477
£298.22
23   FLOOR TRAY 13 SEC(81230550)
Ideal part no. 069478
£318.49
23   FLOOR TRAY 14 SEC (81230551)
Ideal part no. 069479
£337.96
23   FLOOR TRAY 15 SEC (81230552)
Ideal part no. 069480
£359.64
24   LAGGING 97550526
Ideal part no. 069910
£44.98
24   LAGGING 97550527
Ideal part no. 069911
£64.35
24   TRAY LAGGING MAT (97550528)
Ideal part no. 069927
 
25   LAGGING FRONT PNL (81231002)
Ideal part no. 067502
£313.77
25   DTG413/5 FRT LAG PNL(81231004)
Ideal part no. 067503
£433.66
26   COMB CHAMBER PNL (81238936)
Ideal part no. 067509
£796.81
26   COMB CHBR FRT PLT 7 (81238929)
Ideal part no. 069602
£780.98
26   COMB CHBR FRT PLT 9 (81238931)
Ideal part no. 069603
£990.39
26   COMB CHBR FRT PLT 11(81238933)
Ideal part no. 069604
£1,095.67
26   COMB CHBR FRT PLT 13(81238935)
Ideal part no. 069605
£638.17
26   COMB CHBR FRT PLT 15(81238937)
Ideal part no. 069606
£975.19
27   FRT PLATE INSUL 97550558
Ideal part no. 067730
£339.07
27   INSULATION DTG 415C 97550552
Ideal part no. 170511
£2,710.56
28   FIXING BRACKET (81238917)
Ideal part no. 069500
£25.07
29   PRESSURE TEST NIPPLE 97749335
Ideal part no. 069331
£116.00
31 Part number 067650, BURNER BARS (97580109) BURNER BARS (97580109)
Ideal part no. 067650
£174.52
32   BNR INJ DTG1000 97580155
Ideal part no. 170626
£37.56
38 Part number 067656, BURNER PROBES (97580435) BURNER PROBES (97580435)
Ideal part no. 067656
£63.19
60   CONTROL STAT (85000004)
Ideal part no. 067559
£217.23
61   THERMOSTAT KNOB (95365578)
Ideal part no. 068964
£12.66
62   T/STAT BEZEL RING(95365576)
Ideal part no. 068965
£5.42
63   PUSH SWITCH VISC ES 95330030
Ideal part no. 065913
£29.71
64   ON/OFF SWITCH (95325090)DTG1/2
Ideal part no. 067591
 
65 Part number 065872, THERMOMETER VISC ES 85000006 THERMOMETER VISC ES 85000006
Ideal part no. 065872
£140.20
66   OVERHEAT THERMOSTAT 95363311
Ideal part no. 065869
£342.81
81   OBSOLETE U SHAPE BARS DTG406 (81230625)
Ideal part no. 067498
 
87   SIDE PANEL COVER PLT(81230636)
Ideal part no. 069556
£22.86
88   DTG400 COVER PLT (81230637)
Ideal part no. 067499
£31.32
89   OBSOLETE SIDE PNL CVR PLT W/GD 81230687
Ideal part no. 069557
 
90   SIDE PNL CVR PLT W/CK 81230688
Ideal part no. 069558
£21.64
92   OBSOLETE TOP CASING DTG413/5 (81230649)
Ideal part no. 067501
 



Heating spares made simple this website is secured by Geotrust