Click here to see our Christmas working times

Official Stockist

  • Your Shopping BasketYour Shopping Baske

    Empty
  • SSL Secure Connection


Official Stockist

Diagram & User Manual Search

Quickly locate your appliance and order replacement parts using our secure online payment facility.

  • Over 20,000 appliances available
  • Simply click on the part to buy
  • Secure online payment
  • Next day delivery

Detailed Search




  

Specific Search



  

Created by Gas Engineers, for Gas Engineers • We only sell Genuine Boiler Spares • HSP - Where The Trade Buy

BAXI
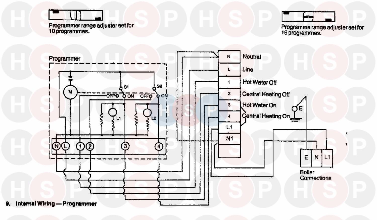
FS 501 RS CHB - (Internal Wiring - Programmer)
Appliance Code: 41-077-14

Appliance Diagram


Internal Wiring - Programmer diagram for Baxi FS 501 RS CHBClick the diagram to open it on a new page

You can then pinch & zoom to adjust the size.

1   OBSOLETE PANEL - TOP 110000 41-077-66 364-243
Baxi part no. 110000
 
2 Part number 112000, STUD-FOREST-FAST-SRV-1762-17-0 STUD-FOREST-FAST-SRV-1762-17-0
Baxi part no. 112000
£2.50
3 Part number 062452, WASHER SHAKEPROOF INT-M5-ZN PD WASHER SHAKEPROOF INT-M5-ZN PD
Baxi part no. 062452
£3.22
4   NUT-HEXAGON-M5-STEEL-
Baxi part no. 062440
£3.11
5   OBSOLETE PANEL SIDE RH ASSY FS BOILERS
Baxi part no. 110001
 
6 Part number 102012, NUT-CAPT-U-TYPE-No8 ZNPD CHRM NUT-CAPT-U-TYPE-NO8 ZNPD CHRM
Baxi part no. 102012
£3.22
7 Part number 062325, CLIP-CABLE-GT CLIP-CABLE-GT
Baxi part no. 062325
 
8   OBSOLETE PANEL SIDE ASSY FS BOILERS
Baxi part no. 110002
 
9   OBSOLETE FRONT PANEL
Baxi part no. 110003
 
10 Part number 062571, SCR-ST-No8x1/2PAN.HD PZ ZNPD A SCR-ST-NO8X1/2PAN.HD PZ ZNPD A
Baxi part no. 062571
£3.22
11   OBSOLETE BOX-COMBUSTION-FS 401/501 RS
Baxi part no. 110044
 
13   OBSOLETE MACHINE SCREW M5 X 12 RECESSED PAN HEAD -
Baxi part no. 402226
 
14   WASHER-RETAINING-SPECIAL-ST/S
Baxi part no. 110011
£15.01
15   OBSOLETE SHIELD HEAT COMB.BOX - 2 SECT.
Baxi part no. 110045
 
16   OBSOLETE BRACKET OUTER CASE FIXING
Baxi part no. 110064
 
17 Part number 062683, SCR-ST-NO8x1/4 FLHD-POZI-ZPD B SCR-ST-NO8X1/4 FLHD-POZI-ZPD B
Baxi part no. 062683
£2.53
19   NUT-FULL HEX-4MM-ZINC PLTD
Baxi part no. 062439
£3.11
21   OBSOLETE WASHER SHAKEPROOF.INT-M4 ZN PD
Baxi part no. 062451
 
23   OBSOLETE INSUL-FRONT-FS-501-401-RS
Baxi part no. 112059
 
24   OBSOLETE SUPPORT-INSUL-FRONT-ASSY-2 SEC
Baxi part no. 226571
 
25   OBSOLETE PLATE BAFFLE - BOSTON 2 70 OF
Baxi part no. 110012
 
25   OBSOLETE PLATE BAFFLE - FS 40 RS
Baxi part no. 110013
 
26 Part number 062531, SCR-TF-M5x8mm-PAN POZI ZN PD SCR-TF-M5X8MM-PAN POZI ZN PD
Baxi part no. 062531
£3.22
27   OBSOLETE INSUL-REAR-RS-FS-BOILERS
Baxi part no. 112006
 
28 Part number 062583, SCR-TF-M5x10mm PN HD PZ S ZNPD SCR-TF-M5X10MM PN HD PZ S ZNPD
Baxi part no. 062583
£3.22
29   OBSOLETE PANEL INSPECTION.COMB.BOX - ALL FS
Baxi part no. 110014
 
31   OBSOLETE SEAL-PANEL-INSP-9.5MM X 395MM-DI
Baxi part no. 112056
 
32   OBSOLETE GROMMET-SEAL-BOILER
Baxi part no. 112008
 
34   OBSOLETE SEAL-PANEL-DOOR-9.5MM X 240MM-DI
Baxi part no. 112057
 
35   OBSOLETE AIR BOX-ASSY-F.S. BOILERS
Baxi part no. 110018
 
36   OBSOLETE MACHINE SCREW M6 X 20 RECESSED PAN HEAD -
Baxi part no. 062696
 
37   OBSOLETE FLUE TERMINAL STD BOSTON
Baxi part no. 110019
 
38   OBSOLETE TRIM-FLUE-TERM-FS-BOILER-RS
Baxi part no. 110066
 
39   SCR-NO.8X1.5IN RD HD BLK JAP
Baxi part no. 062319
 
40 Part number 062320, PLUG WALL FIXING No8-PLASTIC PLUG WALL FIXING NO8-PLASTIC
Baxi part no. 062320
£2.48
41 Part number 110046, OBSOLETE BOILER-ASSY-2-SECTION-FS-BLR OBSOLETE BOILER-ASSY-2-SECTION-FS-BLR
Baxi part no. 110046
 
42 Part number 110062, OBSOLETE BOILER SECTION OBSOLETE BOILER SECTION
Baxi part no. 110062
 
43 Part number 110051, OBSOLETE BOILER SECTION OBSOLETE BOILER SECTION
Baxi part no. 110051
 
44 Part number 112009, GASKET-FS-BOILER GASKET-FS-BOILER
Baxi part no. 112009
 
46 Part number 042889, OBSOLETE POCKET-THERMOSTAT 1/4in BSP OBSOLETE POCKET-THERMOSTAT 1/4IN BSP
Baxi part no. 042889
 
46 Part number 042889BAX, OBSOLETE POCKET-THERMOSTAT 1/4in BSP OBSOLETE POCKET-THERMOSTAT 1/4IN BSP
Baxi part no. 042889BAX
 
49   OBSOLETE PUSH ON FIX-SALTERFIX-5305-31
Baxi part no. 112039
 
51 Part number 110040, OBSOLETE ROPE GASKET OBSOLETE ROPE GASKET
Baxi part no. 110040
 
51 Part number 112058, OBSOLETE SEAL-BOILER-END-8.0mm x 46mm-DIA OBSOLETE SEAL-BOILER-END-8.0MM X 46MM-DIA
Baxi part no. 112058
 
52   OBSOLETE PANEL-DOOR-ASSY-FS-501-RS
Baxi part no. 110047
 
53   OBSOLETE PANEL-DOOR-ASSY-FS-401-RS
Baxi part no. 110048
 
54   OBSOLETE KIT-SIGHT-WINDOW-WM532-381RS
Baxi part no. 100134
 
55   NUT-WING-M6-ZN-PD
Baxi part no. 112028
 
56 Part number 112036, OBSOLETE BURNER-BOILER-2-SECTION-AEROMT OBSOLETE BURNER-BOILER-2-SECTION-AEROMT
Baxi part no. 112036
 
57   OBSOLETE PILOT SHIELD
Baxi part no. 110050
 
58   OBSOLETE SCOOP AIR - FS 40/50 RS
Baxi part no. 110049
 
59 Part number 112031, M 5 NUT M 5 NUT
Baxi part no. 112031
 
59 Part number 635506, NUT M5 FULL BRASS NUT M5 FULL BRASS
Baxi part no. 635506
 
60   OBSOLETE INJECTOR-STEREO-4 X 1.7MM
Baxi part no. 112033
 
61 Part number 042857, OBSOLETE INJECTOR-BLR/BNR-S MATIC 1.55 OBSOLETE INJECTOR-BLR/BNR-S MATIC 1.55
Baxi part no. 042857
 
62   OBSOLETE KIT-PIPE-BNR-FEED-SINGLE-FSB
Baxi part no. 110142
 
62   OBSOLETE O RING-24MM ID X 4MM SECTION
Baxi part no. 112082
 
63 Part number V4600C1086, GAS VALVE TRADELINE NG GAS VALVE TRADELINE NG
Baxi part no. V4600C1086
£114.05
63 Part number 062623, NOW USE V4600C1086 VALVE-CONT-MULTI-H/WELL NOW USE V4600C1086 VALVE-CONT-MULTI-H/WELL
Baxi part no. 062623
 
63 Part number V4600C1029, NOW USE V4600C1086 HONEYWELL GAS VALVE NOW USE V4600C1086 HONEYWELL GAS VALVE
Baxi part no. V4600C1029
 
64   OBSOLETE COVER-ELECTRICAL-PLASTIC
Baxi part no. 112044
 
65   OBSOLETE SCR-SET-M4X16MM-PAN-HD-POZ-ZNP
Baxi part no. 112043
 
66   OBSOLETE KIT-PIPE-INLET-FS-BOILER
Baxi part no. 110143
 
67   OBSOLETE TAP-SERV-STR-SIRAL-REF-0073853
Baxi part no. 112081
 
68   OBSOLETE SHIELD-HEAT-PROT.-IGN-MNTG-FS
Baxi part no. 110030
 
69   OBSOLETE KIT-BURNER-PILOT-FS-BOILERS
Baxi part no. 110028
 
71 Part number 112011, OBSOLETE INJECTOR-PILOT H/WELL-.38/.36A OBSOLETE INJECTOR-PILOT H/WELL-.38/.36A
Baxi part no. 112011
 
71 Part number 402560, OBSOLETE PILOT INJECTOR (STD) OBSOLETE PILOT INJECTOR (STD)
Baxi part no. 402560
 
72 Part number 102024, ELECTRODE-PILOT-IGNITION ELECTRODE-PILOT-IGNITION
Baxi part no. 102024
£7.24
73 Part number 042740, LEAD-ELECTRODE-675 LEAD-ELECTRODE-675
Baxi part no. 042740
 
74 Part number 102005, THERM-18/24HWELL-Q309A2721 STD THERM-18/24HWELL-Q309A2721 STD
Baxi part no. 102005
£19.74
76   OBSOLETE PIPE-PILOT-FEED-NUT-OLV-S-BRN
Baxi part no. 110042
 
77 Part number 040456, KIT-PIEZO IGN-BERM 552 KIT-PIEZO IGN-BERM 552
Baxi part no. 040456
 
78   OBSOLETE GRIP-CABLE-HEYCO-SR-5-M3
Baxi part no. 102197
 
79   OBSOLETE PLUG 3 PIN LEADS FS BOILER
Baxi part no. 110031
 
81   OBSOLETE FACIA ASSEMBLY-BOS 2
Baxi part no. 235374
 
82 Part number 112025, OBSOLETE THERMOSTAT RANCO OBSOLETE THERMOSTAT RANCO
Baxi part no. 112025
 
83   OBSOLETE KIT-BEZEL-T/STAT-FS-BOILER
Baxi part no. 110033
 
84   OBSOLETE WASHER-ANTI-LOSS
Baxi part no. 112030
 
85   OBSOLETE KNOB - THERMOSTAT (BAXI SPECIAL) 112026 41
Baxi part no. 112026
 
86   OBSOLETE SUPPORT TERMINAL
Baxi part no. 110034
 
87   OBSOLETE TAPPING SCREW ISO NO. 8B X 6.5 RECESSED PA
Baxi part no. 062655
 
88   OBSOLETE WASHER-PLAIN-4MM-ZINC. PLTD
Baxi part no. 062446
 
89   OBSOLETE CLAMP-CABLE-PLASTIC
Baxi part no. 112048
 
91   OBSOLETE ASSY-3 PIN SOCKET & LEADS-FSB
Baxi part no. 226690
 
92   OBSOLETE CAPACITOR ASSY-FS-BOILERS
Baxi part no. 110039
 
93   OBSOLETE RELEASABLE CABLE/WIRE TIE 4INS LONG - COL
Baxi part no. 112049
 
94   OBSOLETE KIT-FLUE-TERM-111MM-238MM
Baxi part no. 110037
 
95   OBSOLETE FLUE TERMINAL 367MM-466MM
Baxi part no. 110038
 
96   OBSOLETE GUARD - FLUE TERMINAL 110065 41-077-66 36
Baxi part no. 110065
 
97   OBSOLETE FACIA-CONTROL-PROGRAMMER-MODEL
Baxi part no. 110102
 
98   OBSOLETE PROGRAMMER - LANDIS AND GYR RWB 4 112063 4
Baxi part no. 112063
 
99   OBSOLETE FACIA-TIMER-FS-BOILER
Baxi part no. 112062
 
100   OBSOLETE PLATE MOUNTING 9 WAY BARRIER STRIP ASSEMBLY
Baxi part no. 110100
 
101   OBSOLETE KIT-WIRES-PROGRAMMER-FS-BOILER
Baxi part no. 110099
 
102   OBSOLETE COVER-TIMER-ASSY-FS-BOILERS
Baxi part no. 110101
 



Heating spares made simple this website is secured by Geotrust