Official Stockist

  • Your Shopping BasketYour Shopping Baske

    Empty
  • SSL Secure Connection


Official Stockist

Diagram & User Manual Search

Quickly locate your appliance and order replacement parts using our secure online payment facility.

  • Over 20,000 appliances available
  • Simply click on the part to buy
  • Secure online payment
  • Next day delivery

Detailed Search




  

Specific Search



  

Created by Gas Engineers, for Gas Engineers • We only sell Genuine Boiler Spares • HSP - Where The Trade Buy

BAXI
SOLO 3 PFL 40 - (Control Assembly & Gas Valve)
Appliance Code: 41-075-21

Appliance Diagram


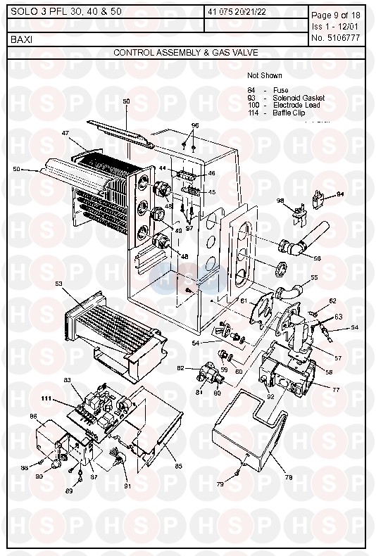
Control Assembly & Gas Valve diagram for Baxi Solo 3 PFL 40Click the diagram to open it on a new page

You can then pinch & zoom to adjust the size.

0   KIT - PF3 - 30
Baxi part no. 244534
£11.17
0   KIT - PF3 - 50
Baxi part no. 244536
£21.52
0 Part number 245929, TERMINAL ADAPTER KIT VERT CONC TERMINAL ADAPTER KIT VERT CONC
Baxi part no. 245929
£155.83
0   KIT - PF3 - 40/60
Baxi part no. 244535
 
0   OBSOLETE 250MM EXTENSION KIT
Baxi part no. 246113
 
0   OBSOLETE 500MM EXTENSION KIT
Baxi part no. 246114
 
0 Part number 246115, 1000mm EXTENSION KIT 1000MM EXTENSION KIT
Baxi part no. 246115
 
0   KIT - SOLO PF3 DUPLEX FLUE
Baxi part no. 247654
 
1 Part number 247678, PACKED-O/CASE-SOLO PF3-SMALL PACKED-O/CASE-SOLO PF3-SMALL
Baxi part no. 247678
 
2 Part number 243370, CASING CASING
Baxi part no. 243370
 
3 Part number 244086, CASING CASING
Baxi part no. 244086
 
4 Part number 230951, CASING CASING
Baxi part no. 230951
 
5 Part number 230439, CASING CASING
Baxi part no. 230439
 
6 Part number 230442, CASING CASING
Baxi part no. 230442
 
7 Part number 245921, OBSOLETE STUD LATCH-M3-BRASS OBSOLETE STUD LATCH-M3-BRASS
Baxi part no. 245921
 
8 Part number 227292, SCR-SET-M3 x 5mm PAN POZ ZN PD SCR-SET-M3 X 5MM PAN POZ ZN PD
Baxi part no. 227292
£2.53
10 Part number 225297BAX, CASING CASING
Baxi part no. 225297BAX
 
11 Part number 225310BAX, SCR-ST-No6x1/4in FLHD POZI AB SCR-ST-NO6X1/4IN FLHD POZI AB
Baxi part no. 225310BAX
£3.22
14   OBSOLETE AIR BOX/W.PLATE ASSY-SML-PF MK2
Baxi part no. 230915
 
15 Part number 231026, PLATE BLANKING PLATE BLANKING
Baxi part no. 231026
£17.45
16 Part number 231322BAX, SEAL BLANKING PLATE.PF MK2 SEAL BLANKING PLATE.PF MK2
Baxi part no. 231322BAX
£4.71
17 Part number 230956, SEAL COMB TO AIR BOX SEAL COMB TO AIR BOX
Baxi part no. 230956
 
17 Part number 244153, SEAL COMB BOX TO AIR BOX SEAL COMB BOX TO AIR BOX
Baxi part no. 244153
 
18 Part number 062683, SCR-ST-NO8x1/4 FLHD-POZI-ZPD B SCR-ST-NO8X1/4 FLHD-POZI-ZPD B
Baxi part no. 062683
£2.53
18 Part number 62683, NOW USE 062683 SCR-ST-NO8x1/4 FLHD-POZI-ZPD B NOW USE 062683 SCR-ST-NO8X1/4 FLHD-POZI-ZPD B
Baxi part no. 62683
 
19 Part number 062532, SCR-TF-M4x8mm-PAN POZI ZN PD SCR-TF-M4X8MM-PAN POZI ZN PD
Baxi part no. 062532
£3.11
19 Part number 62532, NOW USE 062532 SCR-TF-M4x8mm-PAN POZI ZN PD NOW USE 062532 SCR-TF-M4X8MM-PAN POZI ZN PD
Baxi part no. 62532
 
20 Part number 230326, TURRET-PF MK 2 & 3 TURRET-PF MK 2 & 3
Baxi part no. 230326
£20.52
21 Part number 230955, SEAL - FAN TO TURRET - PF MK 2 SEAL - FAN TO TURRET - PF MK 2
Baxi part no. 230955
£16.95
22 Part number 231458, CAP & SCOOP ASSY CAP & SCOOP ASSY
Baxi part no. 231458
£13.30
23 Part number 230875, Retainer Turret RETAINER TURRET
Baxi part no. 230875
£5.81
24 Part number 062531, SCR-TF-M5x8mm-PAN POZI ZN PD SCR-TF-M5X8MM-PAN POZI ZN PD
Baxi part no. 062531
£3.22
24 Part number 62531, NOW USE 062531 SCR-TF-M5x8mm-PAN POZI ZN PD NOW USE 062531 SCR-TF-M5X8MM-PAN POZI ZN PD
Baxi part no. 62531
 
25 Part number 226823, Assy Blanking Cap 70/PF ASSY BLANKING CAP 70/PF
Baxi part no. 226823
£9.05
26 Part number 225941, O RING-WM.PF O RING-WM.PF
Baxi part no. 225941
 
27 Part number 243300, COMB BOX ASSY PF3 SMALL COMB BOX ASSY PF3 SMALL
Baxi part no. 243300
£112.06
28 Part number 230759, LATCH TOGGLE COMB BOX-PF MK 2 LATCH TOGGLE COMB BOX-PF MK 2
Baxi part no. 230759
 
29 Part number 230760, LATCH TOGGLE DOOR - PF MK 2 LATCH TOGGLE DOOR - PF MK 2
Baxi part no. 230760
 
30 Part number 230877, PLATE RETAINING HEAT EXCHANGER PLATE RETAINING HEAT EXCHANGER
Baxi part no. 230877
£27.81
31 Part number 230958, SEAL-H/EX TO COMB BOX -PF MK 2 SEAL-H/EX TO COMB BOX -PF MK 2
Baxi part no. 230958
£17.22
32 Part number 240435, INSUL BACK COMB BOX - SMALL INSUL BACK COMB BOX - SMALL
Baxi part no. 240435
£14.53
33 Part number 230652, INSULATION SIDE LH - PF MK 2 INSULATION SIDE LH - PF MK 2
Baxi part no. 230652
 
34 Part number 230653, INSULATION SIDE RH - PF MK 2 INSULATION SIDE RH - PF MK 2
Baxi part no. 230653
£18.14
35 Part number 230817, Retainer Insulation RETAINER INSULATION
Baxi part no. 230817
£1.98
36 Part number 230463, OBSOLETE SLIDE OBSOLETE SLIDE
Baxi part no. 230463
 
36 Part number 230643, OBSOLETE SLIDE - PF MK 2 OBSOLETE SLIDE - PF MK 2
Baxi part no. 230643
 
37 Part number 243292, COM BOX DOOR ASSY - SMALL SOLO COM BOX DOOR ASSY - SMALL SOLO
Baxi part no. 243292
£44.97
38 Part number 230667, INSULATION FRONT-SMALL-PF MK2 INSULATION FRONT-SMALL-PF MK2
Baxi part no. 230667
£15.90
38 Part number 231085BAX, FRONT INS.ASSY.SMALL PF FRONT INS.ASSY.SMALL PF
Baxi part no. 231085BAX
£30.67
39 Part number 237329, KIT - DOOR SEAL KIT - DOOR SEAL
Baxi part no. 237329
£30.77
40 Part number 237135BAX, SEAL - ROPE - SOLO 2 PF(SMALL) SEAL - ROPE - SOLO 2 PF(SMALL)
Baxi part no. 237135BAX
£15.61
41 Part number 231394, GROMMET SAMPLING PIPE GROMMET SAMPLING PIPE
Baxi part no. 231394
 
42 Part number 224183, WINDOW-VIEWING.WM40/4RS WINDOW-VIEWING.WM40/4RS
Baxi part no. 224183
 
43   CLIP-CABLE
Baxi part no. 227374
£2.38
44 Part number 235620, TERMINAL BLOCK MALE/FEMALE ASS TERMINAL BLOCK MALE/FEMALE ASS
Baxi part no. 235620
£17.43
45   TERMINAL BLOCK MALE
Baxi part no. 7683434
£13.26
45 Part number 235616, NOW USE 7683434 TERMINAL BLOCK MALE NOW USE 7683434 TERMINAL BLOCK MALE
Baxi part no. 235616
 
46   TERMINAL BLOCK FEMALE
Baxi part no. 7683436
£13.26
46 Part number 235617, NOW USE 7683436 TERMINAL BLOCK FEMALE NOW USE 7683436 TERMINAL BLOCK FEMALE
Baxi part no. 235617
 
47 Part number 246044, KIT - HEAT EXCHANGER - SMALL KIT - HEAT EXCHANGER - SMALL
Baxi part no. 246044
 
48 Part number 230692, ADAPTER 1" BSP-(DRY SEALED) ADAPTER 1" BSP-(DRY SEALED)
Baxi part no. 230692
£7.70
49 Part number 230971, POCKET THERMOSTAT POCKET THERMOSTAT
Baxi part no. 230971
£28.25
50 Part number 242889, Baffle Top Heat Exchanger BAFFLE TOP HEAT EXCHANGER
Baxi part no. 242889
£10.72
50 Part number 246047, NOW USE 242889 BAFFLE TOP HEAT EXCHANGER NOW USE 242889 BAFFLE TOP HEAT EXCHANGER
Baxi part no. 246047
 
51 Part number 230654, INSULATION HEADER LH - PF MK 2 INSULATION HEADER LH - PF MK 2
Baxi part no. 230654
£16.01
52 Part number 230655, INSULATION HEADER RH INSULATION HEADER RH
Baxi part no. 230655
 
53 Part number 231708, BURNER ASSY-SOLO 30/40/50PFMk2 BURNER ASSY-SOLO 30/40/50PFMK2
Baxi part no. 231708
 
54 Part number 236142, PILOT KIT-PF2 PILOT KIT-PF2
Baxi part no. 236142
£32.09
55 Part number 102212, OBSOLETE ELBOW-STREET-22mm OBSOLETE ELBOW-STREET-22MM
Baxi part no. 102212
 
55 Part number 246049, OBSOLETE ELBOW OBSOLETE ELBOW
Baxi part no. 246049
 
56   OBSOLETE KIT - ELBOW OUTLET
Baxi part no. 246050
 
57 Part number 230673, MANIFOLD - PF MK 2 MANIFOLD - PF MK 2
Baxi part no. 230673
£112.51
58 Part number 230684, GASKET MANIFOLD TO VALVE GASKET MANIFOLD TO VALVE
Baxi part no. 230684
£3.36
59 Part number 231355BAX, INJECTOR - 40 PF MK 2 INJECTOR - 40 PF MK 2
Baxi part no. 231355BAX
 
60 Part number 7211908, WASHER COPPER SEALING WASHER COPPER SEALING
Baxi part no. 7211908
£3.24
60 Part number 062695, NOW USE 7211908 WASHER COPPER INJECTOR SEALING NOW USE 7211908 WASHER COPPER INJECTOR SEALING
Baxi part no. 062695
 
60 Part number 62695, NOW USE 7211908 WASHER COPPER INJECTOR SEALING NOW USE 7211908 WASHER COPPER INJECTOR SEALING
Baxi part no. 62695
 
61 Part number 230979, GASKET-MANIFOLD TO COMB.BOX GASKET-MANIFOLD TO COMB.BOX
Baxi part no. 230979
£4.71
62 Part number 224244, SCR-TF-M4x12mm-PAN.POZ-ZN.PD SCR-TF-M4X12MM-PAN.POZ-ZN.PD
Baxi part no. 224244
£3.22
63 Part number 244874, SCR SET M5x18mm PAN HD PZ ZNPD SCR SET M5X18MM PAN HD PZ ZNPD
Baxi part no. 244874
 
64 Part number 246051, KIT - FAN - SMALL KIT - FAN - SMALL
Baxi part no. 246051
£289.14
65 Part number 236079, DOOR INNER/HOOD ASSY SMALL-PF2 DOOR INNER/HOOD ASSY SMALL-PF2
Baxi part no. 236079
£133.32
66 Part number 231343BAX, GASKET - FAN TO HOOD PF2/3 GASKET - FAN TO HOOD PF2/3
Baxi part no. 231343BAX
£10.07
66 Part number 231343, NOW USE 231343BAX GASKET - FAN TO HOOD PF2/3 NOW USE 231343BAX GASKET - FAN TO HOOD PF2/3
Baxi part no. 231343
 
67 Part number 062548, SCR-ST-No 8x3/8in POZI FL.HD A SCR-ST-NO 8X3/8IN POZI FL.HD A
Baxi part no. 062548
£3.11
67 Part number 62548, NOW USE 062548 SCR-ST-No 8x3/8in POZI FL.HD A NOW USE 062548 SCR-ST-NO 8X3/8IN POZI FL.HD A
Baxi part no. 62548
 
68 Part number 226114, KIT-WINDOW-VIEWING-30-40-504PF KIT-WINDOW-VIEWING-30-40-504PF
Baxi part no. 226114
£15.32
69 Part number 720011401, PRESSURE SWITCH SOLO PF 30-50 PRESSURE SWITCH SOLO PF 30-50
Baxi part no. 720011401
£69.95
69 Part number 246053, NOW USE 720011401 KIT - PRESSURE SWITCH 30/40/50 NOW USE 720011401 KIT - PRESSURE SWITCH 30/40/50
Baxi part no. 246053
 
70   OBSOLETE BRACKET SWITCH PRESSURE
Baxi part no. 230818
 
71 Part number 240752, SENSING TUBE SENSING TUBE
Baxi part no. 240752
 
72 Part number 231453, R - CLIP R - CLIP
Baxi part no. 231453
£9.71
72 Part number 246056, NOW USE 231453 R CLIP NOW USE 231453 R CLIP
Baxi part no. 246056
 
73 Part number 230842, SAMPLING PIPE - SOLO PF MK 2 SAMPLING PIPE - SOLO PF MK 2
Baxi part no. 230842
£10.12
74 Part number 112066, CLIP-RETAIN-BRIERLY-SPRG-11157 CLIP-RETAIN-BRIERLY-SPRG-11157
Baxi part no. 112066
£11.80
75 Part number 236905, BOILER HARNESS ASSEMBLY BOILER HARNESS ASSEMBLY
Baxi part no. 236905
£66.96
76 Part number 244092, Plate Restrictor Fan PF50 PLATE RESTRICTOR FAN PF50
Baxi part no. 244092
 
76 Part number 244427, Plate Restrictor Fan PF30 PLATE RESTRICTOR FAN PF30
Baxi part no. 244427
 
76 Part number 244428, PLATE RESTRICTOR FAN PLATE RESTRICTOR FAN
Baxi part no. 244428
 
76 Part number 5114472, SHORT SIDE FLUE COMBUSTION KIT SHORT SIDE FLUE COMBUSTION KIT
Baxi part no. 5114472
 
77 Part number 245122, VALVE SOFTLITE KIT INC GASKETS VALVE SOFTLITE KIT INC GASKETS
Baxi part no. 245122
£144.45
78   COVER VALVE - PF 2/3
Baxi part no. 231185
£18.87
79 Part number 231438BAX, SCR SET M4x30mm POZI PAN STEEL SCR SET M4X30MM POZI PAN STEEL
Baxi part no. 231438BAX
£2.26
80 Part number 042812, TAILPIECE-M-TAP-SERVICE-3WAY TAILPIECE-M-TAP-SERVICE-3WAY
Baxi part no. 042812
 
80 Part number 42812, TAILPIECE-M-TAP-SERVICE-3WAY TAILPIECE-M-TAP-SERVICE-3WAY
Baxi part no. 42812
 
81 Part number 042811, NUT-UNION- (for 7/8 BSP LINER) NUT-UNION- (FOR 7/8 BSP LINER)
Baxi part no. 042811
£9.11
81 Part number 42811, NOW USE 042811 NUT-UNION- (for 7/8 BSP LINER) NOW USE 042811 NUT-UNION- (FOR 7/8 BSP LINER)
Baxi part no. 42811
 
82 Part number 5110466, GAS TAP C/W NUT & TAIL PIECE GAS TAP C/W NUT & TAIL PIECE
Baxi part no. 5110466
£47.40
82 Part number 102205, NOW USE 5110466 TAP SERVICE NOW USE 5110466 TAP SERVICE
Baxi part no. 102205
 
83 Part number 231711BAX, ELECTS CONTL BOARD (KIT)-PF2 ELECTS CONTL BOARD (KIT)-PF2
Baxi part no. 231711BAX
£271.19
84 Part number 231402, FUSE-4AMP-QUICK BLOW-PF MK2 FUSE-4AMP-QUICK BLOW-PF MK2
Baxi part no. 231402
£3.15
85 Part number 230258BAX, BOX CONTROLS - PF 2/3 BOX CONTROLS - PF 2/3
Baxi part no. 230258BAX
£19.71
86 Part number 230259, COVER CONTROL BOX PF M COVER CONTROL BOX PF M
Baxi part no. 230259
£14.04
87 Part number 231249BAX, COVER - PROTECTION - PF MK2 COVER - PROTECTION - PF MK2
Baxi part no. 231249BAX
£8.15
88 Part number 231405, SCR-ST No 6x1/2-PAN-POZI-PL SCR-ST NO 6X1/2-PAN-POZI-PL
Baxi part no. 231405
£3.16
90 Part number 230981, KNOB - THERMOSTAT KNOB - THERMOSTAT
Baxi part no. 230981
£9.80
91 Part number 231252BAX, CONTROL POTENTIOMETER & LEADS CONTROL POTENTIOMETER & LEADS
Baxi part no. 231252BAX
£38.06
92 Part number 238295, SOLENOID PILOT SOLO 2 PF SOLENOID PILOT SOLO 2 PF
Baxi part no. 238295
£56.19
94 Part number 244540, THERMISTOR THERMISTOR
Baxi part no. 244540
£19.64
95 Part number 230983, HARNESS - VALVE - PF MK 2 HARNESS - VALVE - PF MK 2
Baxi part no. 230983
 
96   NUT HEX M3 NYLON
Baxi part no. 233681
£2.42
97 Part number 231492BAX, SCR-SET-M3x16mm-PAN POZI-ZN PD SCR-SET-M3X16MM-PAN POZI-ZN PD
Baxi part no. 231492BAX
£3.26
98 Part number 5106746, KIT-SOLO PF OVERHEAT STAT KIT-SOLO PF OVERHEAT STAT
Baxi part no. 5106746
£33.60
99 Part number 230962, HARNESS - BOILER - PF MK2/3 HARNESS - BOILER - PF MK2/3
Baxi part no. 230962
£51.54
100   LEAD ELECTRODE 410MM
Baxi part no. 7672054
£16.91
100 Part number 225826, NOW USE 7672054 LEAD-ELECTRODE-410mm LONG NOW USE 7672054 LEAD-ELECTRODE-410MM LONG
Baxi part no. 225826
 
101   BADGE
Baxi part no. 243362
£4.89
101   NOW USE 243362 BADGE
Baxi part no. 246072
 
102 Part number 246222, OBSOLETE Trim Flue OBSOLETE TRIM FLUE
Baxi part no. 246222
 
103   WALL LINER/INTERNAL FIXING
Baxi part no. 236441BAX
 
104 Part number 226260, O RING-SEAL-INTERNAL FIX.KIT O RING-SEAL-INTERNAL FIX.KIT
Baxi part no. 226260
£4.95
105 Part number 244082, OBSOLETE PF MK3 FLUE KIT ASSY 9in-15in OBSOLETE PF MK3 FLUE KIT ASSY 9IN-15IN
Baxi part no. 244082
 
108 Part number 231099BAX, O RING AIR DUCT - PF MK 2 O RING AIR DUCT - PF MK 2
Baxi part no. 231099BAX
£12.90
109 Part number 246070, OBSOLETE FLUE OBSOLETE FLUE
Baxi part no. 246070
 
111   KIT-CONNECTORS
Baxi part no. 246428
£11.35
112 Part number 245643, ELBOW PRESSURE SWITCH ELBOW PRESSURE SWITCH
Baxi part no. 245643
 
114   CLIP RETAINING BAFFLE
Baxi part no. 244488
£4.22



Heating spares made simple this website is secured by Geotrust