Click here to see our Christmas working times

Official Stockist

  • Your Shopping BasketYour Shopping Baske

    Empty
  • SSL Secure Connection


Official Stockist

Diagram & User Manual Search

Quickly locate your appliance and order replacement parts using our secure online payment facility.

  • Over 20,000 appliances available
  • Simply click on the part to buy
  • Secure online payment
  • Next day delivery

Detailed Search




  

Specific Search



  

Created by Gas Engineers, for Gas Engineers • We only sell Genuine Boiler Spares • HSP - Where The Trade Buy

CHAFFOTEAUX
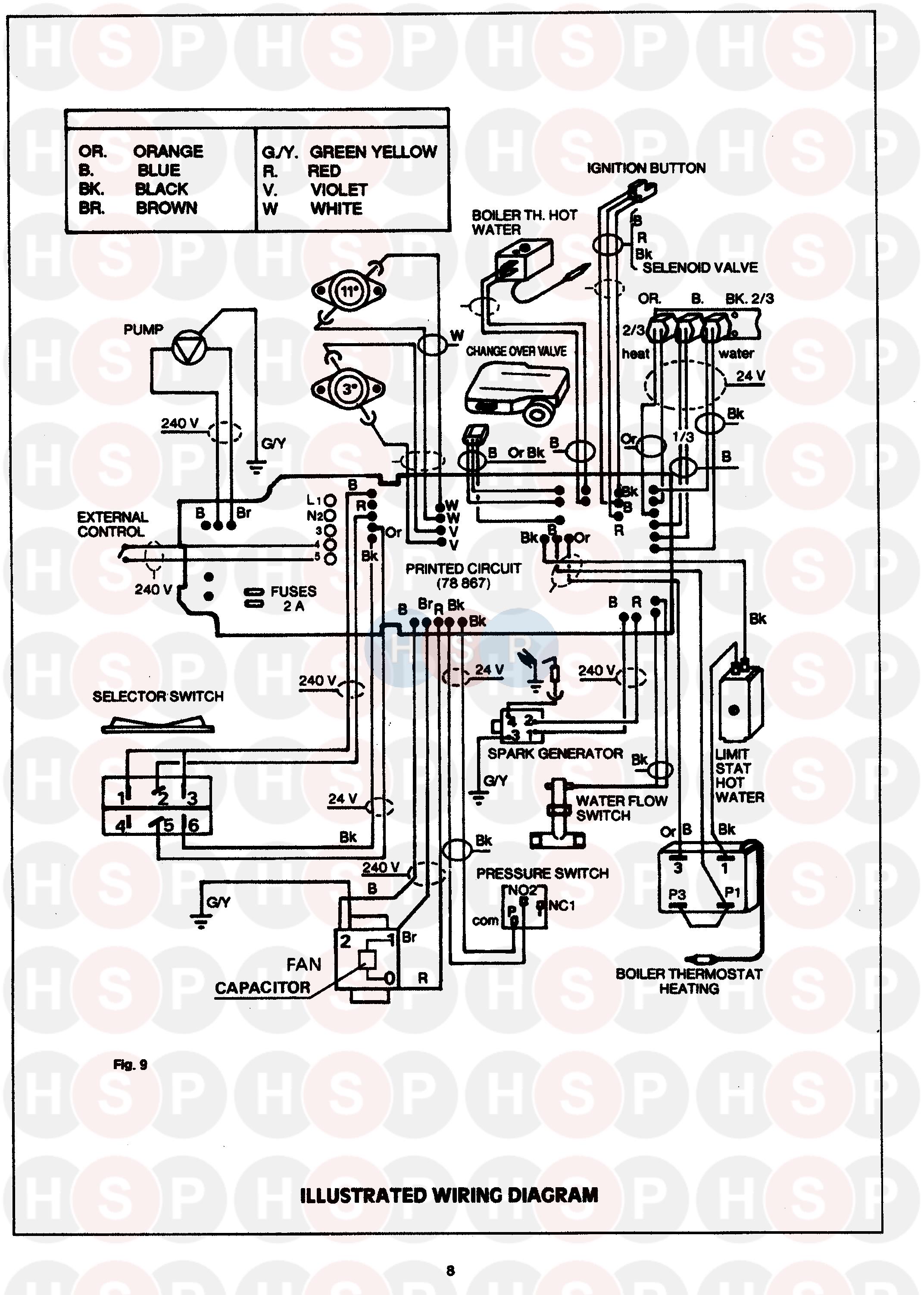
CELTIC FF - (Wiring I)
Appliance Code: 47-980-01

Appliance Diagram


Wiring I diagram for Chaffoteaux Celtic FFClick the diagram to open it on a new page

You can then pinch & zoom to adjust the size.

102   OBSOLETE TRAPPED NUT - M 6
Chaffoteaux part no. 0008686.00
 
103   TRAPPED NUT M 6
Chaffoteaux part no. 60008588-03
£2.48
201 Part number 60042522, HEATING BODY HEATING BODY
Chaffoteaux part no. 60042522
£226.58
202 Part number 60078242-06, HEAT EXCHANGER HEAT EXCHANGER
Chaffoteaux part no. 60078242-06
£199.40
203 Part number 60081001, COMBUSTION CHAMBER LINING KIT COMBUSTION CHAMBER LINING KIT
Chaffoteaux part no. 60081001
 
204 Part number 60081002, COMBUSTION CHAMBER KIT COMBUSTION CHAMBER KIT
Chaffoteaux part no. 60081002
£56.88
205 Part number 61010648, TAPPING SCREW CBLSX D: 6.3-13 TAPPING SCREW CBLSX D: 6.3-13
Chaffoteaux part no. 61010648
£0.44
206 Part number 61010125, TAPPING SCREW CBLSX D: 4.2-9.5 TAPPING SCREW CBLSX D: 4.2-9.5
Chaffoteaux part no. 61010125
£0.42
401   OBSOLETE TOP PANEL
Chaffoteaux part no. 60061642
 
402   OBSOLETE BAXE - BOX
Chaffoteaux part no. 60057447
 
403   OBSOLETE COMB.CHMBR SIDE PANEL
Chaffoteaux part no. 0059772.00
 
404   OBSOLETE COMB.CHMBR FRNT PNL
Chaffoteaux part no. 0059771.00
 
405   OBSOLETE SIGHT GLASS ASSY
Chaffoteaux part no. 60081047
£28.66
405 Part number 60081273-03, SILICONE FOAM SEAL 7x7 L: 2.5M SILICONE FOAM SEAL 7X7 L: 2.5M
Chaffoteaux part no. 60081273-03
£25.79
407 Part number 60019316-03, SCREW HS M 6-15 SCREW HS M 6-15
Chaffoteaux part no. 60019316-03
£0.57
408   TAPPING SCREW CBLZ D: 4.8-16
Chaffoteaux part no. 60061015
£0.87
409 Part number 60081273, FOAM SEAL 12.5x5 L: 2.5M FOAM SEAL 12.5X5 L: 2.5M
Chaffoteaux part no. 60081273
£23.36
412 Part number 60034377, WASHER D: 11.5-6.2-1 WASHER D: 11.5-6.2-1
Chaffoteaux part no. 60034377
£0.55
501   OBSOLETE GAS SECTION ASSY (LPG) CELTIC FF/PLUS
Chaffoteaux part no. 0068982.00
 
501   OBSOLETE GAS SECTION NAT ASSY
Chaffoteaux part no. 60068981
 
502 Part number 60081030, SOLENOID VALVES KIT SOLENOID VALVES KIT
Chaffoteaux part no. 60081030
£73.82
503   RESTRICTORS PACK
Chaffoteaux part no. 60081306
£23.85
503   OBSOLETE RESTRICTORS PACK
Chaffoteaux part no. 60081247
 
505   ADJUSTING SCREW KIT
Chaffoteaux part no. 60081009
£9.34
506 Part number 60081032, GAS SECTION GASKETS KIT GAS SECTION GASKETS KIT
Chaffoteaux part no. 60081032
£13.17
507   PILOT KIT
Chaffoteaux part no. 60081249
£76.83
508 Part number 60074723, THERMOCOUPLE & O/HEAT STAT 105 THERMOCOUPLE & O/HEAT STAT 105
Chaffoteaux part no. 60074723
£55.80
509 Part number 60034346, THERMO-ELECTRIC VALVE THERMO-ELECTRIC VALVE
Chaffoteaux part no. 60034346
£12.80
510   NUT M 24-1
Chaffoteaux part no. 60060351
£3.92
511 Part number 60070308, ELECTRODE & LEAD ASSY ELECTRODE & LEAD ASSY
Chaffoteaux part no. 60070308
£23.09
513 Part number 60024184-06, O-RING D: 3.4-1.9 O-RING D: 3.4-1.9
Chaffoteaux part no. 60024184-06
£0.66
514 Part number 60026645, PILOT INJECTOR D: 0.2 PILOT INJECTOR D: 0.2
Chaffoteaux part no. 60026645
£7.60
514 Part number 60026646, PILOT INJECTOR D: 0.3 PILOT INJECTOR D: 0.3
Chaffoteaux part no. 60026646
£7.83
515   PRESSURE TEST POINT SCREW
Chaffoteaux part no. 60019445
£1.24
518 Part number 60081036, IGNITION PUSH ROD KIT IGNITION PUSH ROD KIT
Chaffoteaux part no. 60081036
£179.20
518   IGNITION PUSH ROD KIT
Chaffoteaux part no. 60081187
£155.01
519   OBSOLETE GAS SECTION ASSY
Chaffoteaux part no. 60081250
 
520 Part number 60078989, MICRO SWITCH MICRO SWITCH
Chaffoteaux part no. 60078989
£8.72
521 Part number 60039017, GROMMET GROMMET
Chaffoteaux part no. 60039017
£1.98
523   FLAME SUPERVISION KIT
Chaffoteaux part no. 60081251
£106.65
526 Part number 61010131, SCREW HX M 5-12 SCREW HX M 5-12
Chaffoteaux part no. 61010131
£0.42
527 Part number 60031521-03, TAPPING SCREW CBLZ D: 3.5-6.5 TAPPING SCREW CBLZ D: 3.5-6.5
Chaffoteaux part no. 60031521-03
£0.41
545   SCREW M 3-20
Chaffoteaux part no. 60065454
£0.70
601   BURNER HEAD
Chaffoteaux part no. 60069106
£57.42
603 Part number 60036140, CROSS LIGHTING STRIP CROSS LIGHTING STRIP
Chaffoteaux part no. 60036140
£11.68
701 Part number 60081011, MANIFOLD NAT KIT MANIFOLD NAT KIT
Chaffoteaux part no. 60081011
£26.36
701   MANIFOLD LPG KIT
Chaffoteaux part no. 60081084
£27.88
702 Part number 60071226, GASKET (/Manifold) GASKET (/MANIFOLD)
Chaffoteaux part no. 60071226
£2.48
704   WASHER D: 12-5.2-1
Chaffoteaux part no. 60061934-03
£0.41
705 Part number 61010128, TAPPING SCREW CBLSX D: 4.2-25 TAPPING SCREW CBLSX D: 4.2-25
Chaffoteaux part no. 61010128
£0.47
706   CLOSURE PLATE
Chaffoteaux part no. 60060727
£2.21
1001 Part number 60056676-06, EXPANSION VESSEL 7L EXPANSION VESSEL 7L
Chaffoteaux part no. 60056676-06
£142.17
1002 Part number 60081013, FLEXIBLE PIPE KIT FLEXIBLE PIPE KIT
Chaffoteaux part no. 60081013
£25.32
1003   EXPANSION VESSEL SUPPORT KIT
Chaffoteaux part no. 60081045
£4.82
1004   COMPRESSION OLIVE D: 6
Chaffoteaux part no. 60022865
£1.04
1005 Part number 60031269, CONNECTING NUT CONNECTING NUT
Chaffoteaux part no. 60031269
£1.24
1101   WATER FLOW SWITCH KIT
Chaffoteaux part no. 61004105
£192.02
1102 Part number 61000658, WATER FLOW SWITCH WATER FLOW SWITCH
Chaffoteaux part no. 61000658
£112.90
1104   CABLE : WATER FLOW SWITCH
Chaffoteaux part no. 61000731
£8.62
1104   OBSOLETE CABLE : WATER FLOW SWITCH
Chaffoteaux part no. 60074836
 
1107 Part number 60061853-07, SHEET GASKET D: 11-5-1.5 SHEET GASKET D: 11-5-1.5
Chaffoteaux part no. 60061853-07
£0.50
1107 Part number 0061853.07, NOW USE 60061853-07 WASHER 11.0 X 5.0 X 1.5 NOW USE 60061853-07 WASHER 11.0 X 5.0 X 1.5
Chaffoteaux part no. 0061853.07
 
1112   OBSOLETE SUPPORT BRACKET
Chaffoteaux part no. 61000656
 
1115   HIGH PRESSURE TUBE
Chaffoteaux part no. 61000660
£18.68
1116   LOW PRESSURE TUBE
Chaffoteaux part no. 60074196
£4.70
1116   LOW PRESSURE TUBE
Chaffoteaux part no. 61001251
£28.90
1117 Part number 60024164-41, O-RING D: 6-1 O-RING D: 6-1
Chaffoteaux part no. 60024164-41
£0.44
1119   OBSOLETE FULL NUT 1/4BSW HEXAGON - BRASS BS1083 S
Chaffoteaux part no. 1000866.00
 
1201 Part number 60057786, WATER / WATER HEAT EXCHANGER WATER / WATER HEAT EXCHANGER
Chaffoteaux part no. 60057786
£370.71
1202 Part number 60024183-37, O-RING D: 16-1.9 O-RING D: 16-1.9
Chaffoteaux part no. 60024183-37
£0.66
1204   SCREW HS M 8-16
Chaffoteaux part no. 60031519-03
£0.96
1207 Part number 60036342-08, PLUG M 10-100 PLUG M 10-100
Chaffoteaux part no. 60036342-08
£2.14
1301   OBSOLETE SUPPORT PLATE
Chaffoteaux part no. 60044508
 
1302   OBSOLETE GAS SERVICE TAP
Chaffoteaux part no. 60057863
 
1303 Part number 60073662, HEATING FLOW PIPE HEATING FLOW PIPE
Chaffoteaux part no. 60073662
£39.82
1304 Part number 60067704, TAP HEAD ASSY TAP HEAD ASSY
Chaffoteaux part no. 60067704
£33.34
1305   OBSOLETE WASHER 29.6 X 25.5 X 1.5
Chaffoteaux part no. 0019867.04
 
1306   WATER RETURN SERVICE TAP
Chaffoteaux part no. 60060647
£125.00
1307 Part number 60031040, TAP HEAD ASSY TAP HEAD ASSY
Chaffoteaux part no. 60031040
£31.48
1308 Part number 60061857-23, SHEET GASKET D: 38-32.2-1.5 SHEET GASKET D: 38-32.2-1.5
Chaffoteaux part no. 60061857-23
£3.68
1308 Part number 0061857.23, NOW USE 60061857-23 WASHER NOW USE 60061857-23 WASHER
Chaffoteaux part no. 0061857.23
 
1309   FILTER
Chaffoteaux part no. 60025261
£2.93
1310   COLD WATER INLET TUBE
Chaffoteaux part no. 60045325
£31.42
1310   NOW USE 60045325 WATER SERVICE TAP
Chaffoteaux part no. 60071717
 
1311   OBSOLETE TAP HEAD ASSY
Chaffoteaux part no. 60071716
 
1312 Part number 60061856-13, GASKET D: 24.3-21-1.5 GASKET D: 24.3-21-1.5
Chaffoteaux part no. 60061856-13
£0.54
1313 Part number 60078438, HOT WATER TUBE HOT WATER TUBE
Chaffoteaux part no. 60078438
£117.84
1313   NOW USE 60078438 HOT WATER TUBE ASSY
Chaffoteaux part no. 60078766
 
1315 Part number 60024164-05, O-RING D: 3.4-1.9 O-RING D: 3.4-1.9
Chaffoteaux part no. 60024164-05
£0.42
1316 Part number 60066107, TAP KNOB TAP KNOB
Chaffoteaux part no. 60066107
£1.09
1317   GASKET KIT
Chaffoteaux part no. 60081061
£8.34
1318 Part number 60061855-02, SHEET GASKET D: 24-16.2-1.5 SHEET GASKET D: 24-16.2-1.5
Chaffoteaux part no. 60061855-02
£0.56
1318 Part number 0061855.02, NOW USE 60061855-02 WASHER NOW USE 60061855-02 WASHER
Chaffoteaux part no. 0061855.02
 
1319   O-RING D: 16.9-2.7
Chaffoteaux part no. 60024164-21
 
1320 Part number 60024164-20, O-RING D: 15.1-2.7 O-RING D: 15.1-2.7
Chaffoteaux part no. 60024164-20
£0.22
1326 Part number 60031527-03, SCREW M 6-10 SCREW M 6-10
Chaffoteaux part no. 60031527-03
£0.74
1329 Part number 60081028, DRAIN SCREW ASSY DRAIN SCREW ASSY
Chaffoteaux part no. 60081028
£6.85
1337   CLIP
Chaffoteaux part no. 60031546
£1.11
1401 Part number 60078403, CHANGE OVER VALVE ASSY CHANGE OVER VALVE ASSY
Chaffoteaux part no. 60078403
£296.57
1402 Part number 60031816, HEATING VALVE HEATING VALVE
Chaffoteaux part no. 60031816
£29.54
1403 Part number 60025076-03, CLIP CLIP
Chaffoteaux part no. 60025076-03
£3.11
1404 Part number 60019016-10, DIAPHRAGM DIAPHRAGM
Chaffoteaux part no. 60019016-10
£5.77
1405 Part number 60081178, SHORT CIRCUIT VALVE KIT SHORT CIRCUIT VALVE KIT
Chaffoteaux part no. 60081178
£7.98
1406 Part number 60078402, MICRO SWITCH BOX ASSY MICRO SWITCH BOX ASSY
Chaffoteaux part no. 60078402
£42.89
1407   WATER SECTION
Chaffoteaux part no. 60079326
£137.42
1408   VENTURI D: 5.4
Chaffoteaux part no. 60032803-08
£5.72
1408   NOW USE 60032803-08 VENTURI 2.20 FF
Chaffoteaux part no. 0032803.08
 
1413   GASKET KIT
Chaffoteaux part no. 60081179
£10.31
1416 Part number 60024183-38, O-RING D: 11.1-1.78 O-RING D: 11.1-1.78
Chaffoteaux part no. 60024183-38
£0.54
1418 Part number 60024164-24, O-RING D: 19.8-3.6 O-RING D: 19.8-3.6
Chaffoteaux part no. 60024164-24
£0.77
1419 Part number 60061855-09, SHEET GASKET D: 20.1-17.1-1.5 SHEET GASKET D: 20.1-17.1-1.5
Chaffoteaux part no. 60061855-09
£0.47
1420   TEMPERATURE SELECTOR ASSY
Chaffoteaux part no. 60031993
£15.12
1421   OBSOLETE WASHER 23.9 X 20.1 X 1.5
Chaffoteaux part no. 0019868.03
 
1422 Part number 60030867, SHEET GASKET D: 15-8.5-1.5 SHEET GASKET D: 15-8.5-1.5
Chaffoteaux part no. 60030867
£1.44
1423 Part number 60081182, BY-PASS VALVE KIT BY-PASS VALVE KIT
Chaffoteaux part no. 60081182
£9.00
1424   FILTER
Chaffoteaux part no. 60031226
£8.92
1425 Part number 60024959-03, O-RING D: 22-2 O-RING D: 22-2
Chaffoteaux part no. 60024959-03
£0.63
1426 Part number 60031055, WATER GOVERNOR WATER GOVERNOR
Chaffoteaux part no. 60031055
£15.38
1427   WATER RESTRICTOR D: 4.42
Chaffoteaux part no. 60023206-03
£5.18
1428 Part number 60024164-13, O-RING D: 8.9-1.9 O-RING D: 8.9-1.9
Chaffoteaux part no. 60024164-13
£0.50
1429 Part number 60100506-30, C.O.V. REPAIR KIT C.O.V. REPAIR KIT
Chaffoteaux part no. 60100506-30
£39.60
1430 Part number 60024164-10, O-RING D: 5.7-1.9 O-RING D: 5.7-1.9
Chaffoteaux part no. 60024164-10
£0.44
1501   OBSOLETE GAS TUBE
Chaffoteaux part no. 60079462-08
 
1502   OBSOLETE WASHER 24.0 X 18.2 X 1.5
Chaffoteaux part no. 0022835.01
 
1601   COLD WATER TUBE C.O.V. TO EXC.
Chaffoteaux part no. 61001209
£10.49
1701   OBSOLETE TUBE - C.O.V. TO H SENSOR HOL.
Chaffoteaux part no. 60074725-08
 
1702   OBSOLETE BOX CONNECTION KIT
Chaffoteaux part no. 60081255
 
1703   INTERNAL FLOW TUBE
Chaffoteaux part no. 60074745-08
£6.75
1901   FLEXIBLE PIPE
Chaffoteaux part no. 60059370
£23.15
1902   HEAT SENSOR SUP. CONNECT. KIT
Chaffoteaux part no. 60081256
£21.92
1905   CLIP
Chaffoteaux part no. 60074039
£0.75
1906 Part number 60024959-12, O-RING D: 16-5 O-RING D: 16-5
Chaffoteaux part no. 60024959-12
£0.54
2001   SHORT CIRCUIT TUBE
Chaffoteaux part no. 60072476
£17.24
2101 Part number 61010613, PUMP UP 15/60 220V PUMP UP 15/60 220V
Chaffoteaux part no. 61010613
£273.54
2102 Part number 60024164-35, O-RING D: 27.8-3.6 O-RING D: 27.8-3.6
Chaffoteaux part no. 60024164-35
£0.57
2103 Part number 60030898-03, CLIP CLIP
Chaffoteaux part no. 60030898-03
£1.00
2104 Part number 60037374, AIR SEPARATOR AIR SEPARATOR
Chaffoteaux part no. 60037374
£85.50
2105 Part number 60053847, GASKET (/Air separator) GASKET (/AIR SEPARATOR)
Chaffoteaux part no. 60053847
£3.93
2107 Part number 60081020, AIR SEPARATOR CONNECTION KIT AIR SEPARATOR CONNECTION KIT
Chaffoteaux part no. 60081020
£9.42
2108   PUMP LEAD (1 SPEED)
Chaffoteaux part no. 60045641
£28.89
2110 Part number 60081024, GASKET KIT GASKET KIT
Chaffoteaux part no. 60081024
£12.45
2111   OBSOLETE VALVE-NEEDLE AIR SEP.
Chaffoteaux part no. 0035750.00
 
2112 Part number 60035748, AIR SEPARATOR COVER KIT AIR SEPARATOR COVER KIT
Chaffoteaux part no. 60035748
£37.25
2115   TUBE PVC D: 9 L: 315
Chaffoteaux part no. 60030900
£3.74
2120 Part number 60025136, ANTI VIBRATION BUSH ANTI VIBRATION BUSH
Chaffoteaux part no. 60025136
£1.71
2121   ANTI-VIBRATION STOP
Chaffoteaux part no. 60049974
£4.15
2124   PLUG
Chaffoteaux part no. 60074733
£4.80
2202 Part number 60078867, PRINTED CIRCUIT BOARD PRINTED CIRCUIT BOARD
Chaffoteaux part no. 60078867
£307.22
2205   FUSE HOLDER
Chaffoteaux part no. 60044799-10
£2.18
2206   PROTECTIVE CAP
Chaffoteaux part no. 60044800-10
£2.06
2207 Part number 60054442, FUSE 250V 2A FUSE 250V 2A
Chaffoteaux part no. 60054442
£1.85
2208 Part number 60046009-10, IGNITER IGNITER
Chaffoteaux part no. 60046009-10
£54.79
2214 Part number 60100606-30, AQUASTAT 57C KIT AQUASTAT 57C KIT
Chaffoteaux part no. 60100606-30
£33.19
2215 Part number 60056974, HEATING LIMIT THERMOSTAT 85C HEATING LIMIT THERMOSTAT 85C
Chaffoteaux part no. 60056974
£35.02
2219   1/2 CABLE
Chaffoteaux part no. 60074732
£14.00
2220   SOLENOID VALVES CABLE
Chaffoteaux part no. 60054639
£21.03
2221   OBSOLETE EARTH PILLAR ASSY CELTIC/STERLING FF
Chaffoteaux part no. 60081181
 
2225 Part number 61001342-20, SWITCH & CABLE SWITCH & CABLE
Chaffoteaux part no. 61001342-20
£39.94
2230   TAPPING SCREW CBLZ D: 3.5-9.5
Chaffoteaux part no. 60054033
£0.95
2231   OBSOLETE PLATE SUPPORT
Chaffoteaux part no. 60044451
 
2232 Part number 60024164-12, O-RING D: 7.2-1.9 O-RING D: 7.2-1.9
Chaffoteaux part no. 60024164-12
£0.44
2235   NUT H M 6-1
Chaffoteaux part no. 60026501-03
£0.44
2240   ELECTRICAL BOX COVER
Chaffoteaux part no. 60075983
£3.08
2241   ELECTRODE CABLE
Chaffoteaux part no. 60039443
£2.57
2242   OBSOLETE CABLE DHW STAT PCB CELTFF 220FF
Chaffoteaux part no. 0033522.00
 
2243   IGNITION MICROSWITCH CABLE
Chaffoteaux part no. 60058886
£8.65
2244   OBSOLETE ELECTRICAL BOX SUPPORT
Chaffoteaux part no. 60061551
 
2245 Part number 60081420, HEATING STAT. ASSY HEATING STAT. ASSY
Chaffoteaux part no. 60081420
£49.00
2247   OBSOLETE GROMMET
Chaffoteaux part no. 60027833
 
2248   OBSOLETE CABLE CLAMP
Chaffoteaux part no. 60027834
 
2249   SCREW
Chaffoteaux part no. 60069622
£0.30
2250   GROMMET
Chaffoteaux part no. 60027838
£0.75
2251   OBSOLETE CABLE (FAN TO PCB) CELTIC FF
Chaffoteaux part no. 1000117.00
 
2252   AQUASTAT LEAD
Chaffoteaux part no. 60069047
£15.10
2254   SCREW HS M 6-25
Chaffoteaux part no. 60010942-13
£1.43
2257   CABLE : WATER FLOW SWITCH
Chaffoteaux part no. 61004336
£10.15
2258   SCREW M 4-6
Chaffoteaux part no. 60019197-03
£0.96
2259   OBSOLETE FROST THERMOSTAT 11C
Chaffoteaux part no. 60071897
 
2260   FROST THERMOSTAT 3C
Chaffoteaux part no. 60071896
£13.45
2301   OBSOLETE PRESSURE GAUGE BRCKT
Chaffoteaux part no. 0070284.00
 
2301   OBSOLETE COMPLETE CASE-CELTIC FF
Chaffoteaux part no. 0070694.00
 
2302 Part number 60081180, PRESSURE GAUGE ASSY PRESSURE GAUGE ASSY
Chaffoteaux part no. 60081180
£28.07
2303 Part number 60044333, THERMOMETER THERMOMETER
Chaffoteaux part no. 60044333
£24.97
2305   PRESSURE GAUGE TUBE
Chaffoteaux part no. 61000254
£7.21
2306 Part number 60061852-12, SHEET GASKET D: 8.5-4.1-1.5 SHEET GASKET D: 8.5-4.1-1.5
Chaffoteaux part no. 60061852-12
£1.49
2306 Part number 60019871-12, NOW USE 60061852-12 THERM WASHER D: 8.5-4.1-1.5 NOW USE 60061852-12 THERM WASHER D: 8.5-4.1-1.5
Chaffoteaux part no. 60019871-12
 
2307   OBSOLETE THERMOMETER TUBE
Chaffoteaux part no. 60054028
 
2501   OBSOLETE FRONT PANEL
Chaffoteaux part no. 60059540-06
 
2502   OBSOLETE RIGHT SIDE PANEL
Chaffoteaux part no. 60059196
 
2503   OBSOLETE LEFT SIDE PANEL
Chaffoteaux part no. 60059197
 
2504   OBSOLETE FRONT CASE - LOWER
Chaffoteaux part no. 0074718.00
 
2505   OBSOLETE GLASS DOOR ASSY CELTIC FF
Chaffoteaux part no. 0046678.00
 
2506   SPIRE CLIP
Chaffoteaux part no. 60063603
£1.08
2507 Part number 60044269, CONTROL KNOB BLUE CONTROL KNOB BLUE
Chaffoteaux part no. 60044269
£1.65
2508 Part number 60044267, CHANGE OVER VALVE KNOB BLUE CHANGE OVER VALVE KNOB BLUE
Chaffoteaux part no. 60044267
£2.04
2509 Part number 60059600, GAS BUTTON BLUE GAS BUTTON BLUE
Chaffoteaux part no. 60059600
£2.09
2510 Part number 60004806-03, TRAPPED NUT M 6 TRAPPED NUT M 6
Chaffoteaux part no. 60004806-03
£0.53
2512   OBSOLETE SPACER
Chaffoteaux part no. 60044199
 
2513   OBSOLETE OBTURATION PLUG
Chaffoteaux part no. 60044834
 
2516 Part number 60100047-10, KNOBS SET KNOBS SET
Chaffoteaux part no. 60100047-10
£10.04
2520 Part number 60081418, HINGE REPAIR KIT HINGE REPAIR KIT
Chaffoteaux part no. 60081418
£35.70
2521   GROMMET
Chaffoteaux part no. 60078378
£0.57
2701   OBSOLETE MOUNTING KIT CELTIC AND STERLING
Chaffoteaux part no. 60081066
 
2703   JIG PLATE
Chaffoteaux part no. 60057161
£4.19
2705   CONNECTING PIPE
Chaffoteaux part no. 60074719
£6.13
2706 Part number 60061855-19, SHEET GASKET D: 24-17-1.5 SHEET GASKET D: 24-17-1.5
Chaffoteaux part no. 60061855-19
£0.69
2707   CONNECTING PIPE COLD WATER
Chaffoteaux part no. 60074720
£3.83
2708   CONNECTING PIPE HOT WATER
Chaffoteaux part no. 60074721
£4.21
2709 Part number 60061855-14, WASHER D: 18.4-12.2-1.5 WASHER D: 18.4-12.2-1.5
Chaffoteaux part no. 60061855-14
£0.60
2714   OBSOLETE CONNECTING BRACKET
Chaffoteaux part no. 60031952
 
2715   OBSOLETE WOOD SCREW (SPECIAL) WALL FIXING
Chaffoteaux part no. 60075776
 
2716   WASHER D: 14.2-7.2-1.2
Chaffoteaux part no. 60005369-03
£0.41
2717   OBSOLETE SCREW M 6-6
Chaffoteaux part no. 60003054-03
 
2718   CONNECTION KIT
Chaffoteaux part no. 60074730
£70.22
2721   PREFABRICATION WASHERS KIT
Chaffoteaux part no. 60081591
£10.74
2901 Part number 61001900, PRESSURE RELIEF VALVE KIT PRESSURE RELIEF VALVE KIT
Chaffoteaux part no. 61001900
£33.90
2902 Part number 60081025, VALVE WASHER KIT VALVE WASHER KIT
Chaffoteaux part no. 60081025
£9.35
2903   VALVE CONNECTING PIPE
Chaffoteaux part no. 60031953
£13.19
2906 Part number 60024164-18, O-RING D: 13.6-2.7 O-RING D: 13.6-2.7
Chaffoteaux part no. 60024164-18
£0.44
2907   GRUB SCREW
Chaffoteaux part no. 60017908
£1.21
3001 Part number 61009106, FAN MOTOR ASSY 240V FAN MOTOR ASSY 240V
Chaffoteaux part no. 61009106
£51.62
3002   OBSOLETE FLUE HOOD CASTING CELTIC FF
Chaffoteaux part no. 0066590.00
 
3003 Part number 60055083, GASKET (/Cover) GASKET (/COVER)
Chaffoteaux part no. 60055083
£3.15
3004   SELF TAPPING SCREW M 4-15
Chaffoteaux part no. 60039054-03
£1.68
3005   FAN WASHER D: 4
Chaffoteaux part no. 60028466-03
£1.28
3007 Part number 60057750, SCREW CBLZ M 4-8 SCREW CBLZ M 4-8
Chaffoteaux part no. 60057750
£0.42
3011   CLOSURE PLATE
Chaffoteaux part no. 60075893
£3.05
3101   OBSOLETE FLUE ASSEMBLY
Chaffoteaux part no. 60073856
 
3102   OBSOLETE FLUE BEND TURRET CELTIC FF
Chaffoteaux part no. 0081257.00
 
3104   OBSOLETE PRESSURE TEST POINT KIT
Chaffoteaux part no. 60081259
 
3106   PRESSURE SENSI. SWITCH SUPPORT
Chaffoteaux part no. 60081369
£8.51
3107   PRESSURE TEST POINT KIT
Chaffoteaux part no. 60081262
£16.09
3108   FLUE TURRET COVER
Chaffoteaux part no. 60060418
£4.89
3109 Part number 60053839, GASKET GASKET
Chaffoteaux part no. 60053839
£2.25
3110 Part number 60053840, GASKET GASKET
Chaffoteaux part no. 60053840
£11.63
3111 Part number 60062181, SLEEVE JOINT SLEEVE JOINT
Chaffoteaux part no. 60062181
£42.57
3112   FLUE DUCT SECOND SECTION
Chaffoteaux part no. 60068259
£31.83
3113 Part number 60081057, LOCKING RING & O-RING KIT LOCKING RING & O-RING KIT
Chaffoteaux part no. 60081057
 
3114 Part number 60053842, GASKET (/Locking ring) GASKET (/LOCKING RING)
Chaffoteaux part no. 60053842
£3.50
3116   OBSOLETE SCREW M 4-35
Chaffoteaux part no. 60073844
 
3150   AIR DUCT ASSY
Chaffoteaux part no. 60062601
 
3151   OBSOLETE SEALING RING
Chaffoteaux part no. 0062079.00
 
3153   SCREW M 3-10
Chaffoteaux part no. 60063840
£1.04
5001   CONVERSION KIT NAT > LPG
Chaffoteaux part no. 60078069
£44.32
5001   OBSOLETE CONVERSION KIT LPG > NAT
Chaffoteaux part no. 60078069-10
 
5002   COMPLETE SERVICE WASHER SET
Chaffoteaux part no. 60078956
£145.17



Heating spares made simple this website is secured by Geotrust