Click here to see our Christmas working times

Official Stockist

  • Your Shopping BasketYour Shopping Baske

    Empty
  • SSL Secure Connection


Official Stockist

Diagram & User Manual Search

Quickly locate your appliance and order replacement parts using our secure online payment facility.

  • Over 20,000 appliances available
  • Simply click on the part to buy
  • Secure online payment
  • Next day delivery

Detailed Search




  

Specific Search



  

Created by Gas Engineers, for Gas Engineers • We only sell Genuine Boiler Spares • HSP - Where The Trade Buy

GLOWWORM
FUELSAVER 100FF 1984 AVA - (Controls & Fan)
Appliance Code: 41-313-32

Appliance Diagram


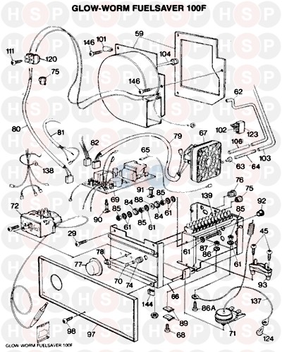
Controls & Fan diagram for Glowworm Fuelsaver 100FF 1984 AVAClick the diagram to open it on a new page

You can then pinch & zoom to adjust the size.

1   OBSOLETE USER INSTR- FS FAN FLUES 12/93
Glowworm part no. 206462
 
1   OBSOLETE INST-SD FLUE-STD-FS65/80F 4/91
Glowworm part no. 206547
 
1   OBSOLETE INSTR-REAR FLUE-FS65/80F 4/91
Glowworm part no. 206548
 
1   OBSOLETE FITTERS INSTRUCTIONS-FS100F 10/89
Glowworm part no. 206587
 
1   OBSOLETE FITTERS INSTR- FS100F 11/92
Glowworm part no. 206979
 
1   OBSOLETE CASE ASSY - FS100F
Glowworm part no. 417807
 
2   OBSOLETE SEAL-8X13.5X2214MM LOOP
Glowworm part no. 212037
 
3 Part number 208243, NOW USE S208243 SCREW-NO.10 X 3/4 REC NOW USE S208243 SCREW-NO.10 X 3/4 REC
Glowworm part no. 208243
 
3 Part number S208243, Screw ( no.10 X 3/4 ) SCREW ( NO.10 X 3/4 )
Glowworm part no. S208243
 
4   OBSOLETE ESCUTCHEON-WH FS-F
Glowworm part no. 417172
 
5 Part number SK6219, Nut NUT
Glowworm part no. SK6219
 
6 Part number 51936004, ADHESIVE RING ADHESIVE RING
Glowworm part no. 51936004
 
6 Part number S51936004, ADHESIVE RING ADHESIVE RING
Glowworm part no. S51936004
 
7   SIGHT WINDOW FRAME
Glowworm part no. SAA049M
 
8 Part number S411194, SIGHT GLASS SIGHT GLASS
Glowworm part no. S411194
£7.01
8 Part number 411194, NOW USE S411194 SIGHT GLASS NOW USE S411194 SIGHT GLASS
Glowworm part no. 411194
 
9   OBSOLETE NUT-SPIRE CAPT NO4
Glowworm part no. 208244
 
11   OBSOLETE UNION LOCN BRKT.(NPF) FS08F
Glowworm part no. 417674
 
12 Part number 51987004, OBSOLETE WASHER-FIBRE 48OD OBSOLETE WASHER-FIBRE 48OD
Glowworm part no. 51987004
 
13 Part number S204154, LOCK NUT-M36 X 8 LOCK NUT-M36 X 8
Glowworm part no. S204154
£6.58
13 Part number 204154, NOW USE S204154 LOCK NUT-M36 X 8 NOW USE S204154 LOCK NUT-M36 X 8
Glowworm part no. 204154
 
14   OBSOLETE SEAL-10MM SILICONE SPONGE
Glowworm part no. 212008
 
16   NOW USE S208283 SCREW-M4X16MM+5DG MS PN
Glowworm part no. 208283
 
16   SCREW ( M4X16MM )
Glowworm part no. S208283
 
17 Part number 800869, OBSOLETE GAS VALVE 100F H/WELL VR4601 OBSOLETE GAS VALVE 100F H/WELL VR4601
Glowworm part no. 800869
 
18 Part number S208040, O ring O RING
Glowworm part no. S208040
£6.80
18 Part number 208040, NOW USE S208040 O RING-H/WELL 22.0 X 2.5 NOW USE S208040 O RING-H/WELL 22.0 X 2.5
Glowworm part no. 208040
 
18   NOW USE S212031 O RING-33MM ID X 2MM SECT
Glowworm part no. 212031
 
18   O RING -33MM ID X 2MM SECT
Glowworm part no. S212031
 
19   NOW USE S78129 SCREW-2BA
Glowworm part no. 78129
 
19   SCREW
Glowworm part no. S78129
 
20 Part number 2000800884, Test nipple & screw TEST NIPPLE & SCREW
Glowworm part no. 2000800884
£6.52
20 Part number 12621, NOW USE 2000800884 NIPPLE-TEST 1/8 NOW USE 2000800884 NIPPLE-TEST 1/8
Glowworm part no. 12621
 
22   OBSOLETE MAN.ASSY PNTD-(203129) FS100F
Glowworm part no. 442026
 
23 Part number S208241, SCREW-M4-GAS MANIFOLD SCREW-M4-GAS MANIFOLD
Glowworm part no. S208241
£7.17
23 Part number 208241, NOW USE S208241 SCREW-M4-GAS MANIFOLD NOW USE S208241 SCREW-M4-GAS MANIFOLD
Glowworm part no. 208241
 
23   OBSOLETE SCREW-M4X30MM MS HX HD PLAIN
Glowworm part no. 208319
 
23   OBSOLETE SCREW-CAP-M5X10 SKT HD
Glowworm part no. 208346
 
24   OBSOLETE G/COCK-GASCON 1098-C
Glowworm part no. 203618
 
24 Part number 900307, NOW USE S900307 G/COCK-FLANGED-ALTERNATIVES QC NOW USE S900307 G/COCK-FLANGED-ALTERNATIVES QC
Glowworm part no. 900307
 
24   OBSOLETE G/COCK-GASCON 1098-C
Glowworm part no. S203618
 
24 Part number S900307, Gas Cock - flanged GAS COCK - FLANGED
Glowworm part no. S900307
 
25   OBSOLETE INJECTOR-BURNER
Glowworm part no. 203052
 
26   OBSOLETE WASHR-CU-0.720X0.505 X16SWG
Glowworm part no. 204168
 
27 Part number 204130, OBSOLETE ADAPTER-M11X1THREAD BRASS OBSOLETE ADAPTER-M11X1THREAD BRASS
Glowworm part no. 204130
 
27 Part number S204130, OBSOLETE ADAPTER-M11X1THREAD BRASS OBSOLETE ADAPTER-M11X1THREAD BRASS
Glowworm part no. S204130
 
28   OBSOLETE GASKET-3MM THERMOTEX 500
Glowworm part no. 212039
 
29 Part number SK8019, Screw ( M5X10mm ) SCREW ( M5X10MM )
Glowworm part no. SK8019
£6.80
30 Part number 417879, OBSOLETE HEAT EXCH ASSY FS100F OBSOLETE HEAT EXCH ASSY FS100F
Glowworm part no. 417879
 
31   OBSOLETE RETAINER-PHIAL
Glowworm part no. 410939
 
32   OBSOLETE NUT-COMPRESSION QC
Glowworm part no. 61940732
 
32   OBSOLETE NUT-COMPRESSION QC
Glowworm part no. S61940732
 
33   OBSOLETE OLIVE-28MM DIA
Glowworm part no. 66360002
 
33   OBSOLETE OLIVE-28MM DIA
Glowworm part no. S66360002
 
34   OBSOLETE INLET MANIFOLD ASSY FS100F
Glowworm part no. 417866
 
35   OBSOLETE 80F/100F OUTLET EXT ASSY
Glowworm part no. 417681
 
36   OBSOLETE C/C FRONT & WARNING PLATE ASSY
Glowworm part no. 417827
 
37   OBSOLETE COMB CHAMBER ASSY(SW) FS0F
Glowworm part no. 417823
 
38   OBSOLETE INSUL-C/C BACK-378X158X10MM
Glowworm part no. 210078
 
39 Part number 210004, INSUL-10mm C/C BACK INSUL-10MM C/C BACK
Glowworm part no. 210004
 
39 Part number S210004, Insulation-combustion chamber side INSULATION-COMBUSTION CHAMBER SIDE
Glowworm part no. S210004
 
40   OBSOLETE INSUL-CC FRONT-378X158X10MM
Glowworm part no. 210079
 
41 Part number 203265, OBSOLETE BURNER-AERO-AC07/05 2025 OBSOLETE BURNER-AERO-AC07/05 2025
Glowworm part no. 203265
 
42 Part number 417268, OBSOLETE PILOT/ELECTRODE OBSOLETE PILOT/ELECTRODE
Glowworm part no. 417268
 
43 Part number SK7959, Screw, M3x6mm SCREW, M3X6MM
Glowworm part no. SK7959
£6.80
44   OBSOLETE PILOT PIPE ASSY
Glowworm part no. 417877
 
45 Part number SK5877, Screw, no8 x 5/8 SCREW, NO8 X 5/8
Glowworm part no. SK5877
 
46 Part number 403215, NOW USE S403215 NUT-WING M5 ZP NOW USE S403215 NUT-WING M5 ZP
Glowworm part no. 403215
 
46 Part number S403215, Nut-wing M5 NUT-WING M5
Glowworm part no. S403215
 
47   OBSOLETE FLUE HOOD ASSY
Glowworm part no. 417880
 
48   OBSOLETE HOOK BOLT (1XB) FS67BO8FCMB
Glowworm part no. 421016
 
49 Part number 208012, NOW USE S208012 NUT-WING M4 ZP NOW USE S208012 NUT-WING M4 ZP
Glowworm part no. 208012
 
49 Part number S208012, Nut ( wing M4 ) NUT ( WING M4 )
Glowworm part no. S208012
 
51   OBSOLETE GASKET-3MM THMTX 500/ALTEC
Glowworm part no. 212006
 
52 Part number S208308, Screw (M4x10mm) SCREW (M4X10MM)
Glowworm part no. S208308
£6.80
52 Part number 208308, NOW USE S208308 SCREW-M4X10mm+5DG MS PN NOW USE S208308 SCREW-M4X10MM+5DG MS PN
Glowworm part no. 208308
 
53   OBSOLETE NUT-SPIRE CAPT NO12
Glowworm part no. 403283
 
53   OBSOLETE NUT-SPIRE CAPT NO12
Glowworm part no. S403283
 
54   OBSOLETE GASKET-3MM CHASSIS
Glowworm part no. 208045
 
55 Part number SFF0651, OBSOLETE SCREW-NO12X1 1/4 REC ZP OBSOLETE SCREW-NO12X1 1/4 REC ZP
Glowworm part no. SFF0651
 
56   OBSOLETE GLAND PLATE ASSY
Glowworm part no. 417170
 
56   OBSOLETE GLAND PLATE ASSY
Glowworm part no. S417170
 
57   OBSOLETE NUT-TUBING 5/32
Glowworm part no. 61940512
 
57   OBSOLETE NUT-TUBING 5/32
Glowworm part no. S61940512
 
58   OLIVE-5/32 QC
Glowworm part no. 66360012
 
58   OLIVE - 5/32
Glowworm part no. S66360012
 
59 Part number 417876, OBSOLETE FAN ASSY OBSOLETE FAN ASSY
Glowworm part no. 417876
 
60   OBSOLETE SCREW-M4X16MM MS PN REC ZP
Glowworm part no. SK6213
 
61 Part number SK6361, Shake proof washer (M4) SHAKE PROOF WASHER (M4)
Glowworm part no. SK6361
 
62   OBSOLETE HIGH PRESSURE PIPE (F)
Glowworm part no. 417848
 
63   OBSOLETE AIR RESTRICTOR
Glowworm part no. 204194
 
64   OBSOLETE FLEXIBLE TUBE 41MM LONG
Glowworm part no. 203831
 
65 Part number SWW4612, Ignition lead IGNITION LEAD
Glowworm part no. SWW4612
 
66   OBSOLETE CTRL BOX ASSY(H/W VLV)-FS100F
Glowworm part no. 417833
 
66   OBSOLETE CONTROL BOX ASSY-FS100F
Glowworm part no. 417893
 
67 Part number 202005, OBSOLETE AIR PRESSURE SWITCH 0.9MB OBSOLETE AIR PRESSURE SWITCH 0.9MB
Glowworm part no. 202005
 
68   OBSOLETE SCREW-M3X6MM MS PN REC
Glowworm part no. 12712
 
70 Part number 202015, OBSOLETE FUSE-1A 20mm 151490 OBSOLETE FUSE-1A 20MM 151490
Glowworm part no. 202015
 
70 Part number S202015, Fuse-1A 20mm FUSE-1A 20MM
Glowworm part no. S202015
 
71   TSTAT-RANCO LM7 P5010-000
Glowworm part no. 202505
 
71   THERMOSTAT
Glowworm part no. S202505
 
72   OBSOLETE TSTAT-RANCO C77 P0124-000
Glowworm part no. 202516
 
73   OBSOLETE G/V COVER-H/W 45 003 022-001
Glowworm part no. 203327
 
74   NOW USE S204220 GROMMET-ROBERT MOSS
Glowworm part no. 204220
 
74   GROMMET
Glowworm part no. S204220
 
75   NOW USE S204226 BUSH-RELIEF - SRB011-BLK
Glowworm part no. 204226
 
75   BUSH RELIEF
Glowworm part no. S204226
 
76   OBSOLETE BUSH-RELIEF-HEYCO SR-6P-4
Glowworm part no. 204249
 
77 Part number 416144, Control knob CONTROL KNOB
Glowworm part no. 416144
£5.10
78 Part number 403095, OBSOLETE CLIP- D-SPIRE OBSOLETE CLIP- D-SPIRE
Glowworm part no. 403095
 
78 Part number S403095, D clip for control knob D CLIP FOR CONTROL KNOB
Glowworm part no. S403095
 
79   OBSOLETE PRESSURE SWITCH HARNESS
Glowworm part no. 417161
 
80   OBSOLETE FAN HARNESS
Glowworm part no. 417165
 
81   OBSOLETE BURNER HARNESS
Glowworm part no. 417804
 
81   OBSOLETE PLUG & CABLE ASSY(TAGGED)
Glowworm part no. 417894
 
82   OBSOLETE P.C.B. HARNESS
Glowworm part no. 417857
 
83   OBSOLETE PILOT HARNESS
Glowworm part no. 417858
 
84   OBSOLETE WASHER-CUP 4.2MM X 0.385
Glowworm part no. SFF0824
 
85 Part number SK6218, Nut - M4 NUT - M4
Glowworm part no. SK6218
£6.80
86   OBSOLETE WASHER-S/PROOF M3 ZP EXT TEETH
Glowworm part no. SK6362
 
87   OBSOLETE NUT-M3 HEX FULL ZP
Glowworm part no. SK6363
 
88   OBSOLETE WASHER-M4 FORM A PLN ZP
Glowworm part no. SK6558
 
89   OBSOLETE P CLIP-NYLON-RICHCO N200
Glowworm part no. 208406
 
90 Part number S204225, Support SUPPORT
Glowworm part no. S204225
£4.29
90 Part number 204225, NOW USE S204225 PCB SUPPORT-RICHCO CBS-10N NOW USE S204225 PCB SUPPORT-RICHCO CBS-10N
Glowworm part no. 204225
 
91   OBSOLETE PCB SPACER-RICHCO PS-10-01
Glowworm part no. 204248
 
92   GROMMET
Glowworm part no. SFF2285
 
93 Part number SK9221, Clip - strain relief CLIP - STRAIN RELIEF
Glowworm part no. SK9221
£4.91
94   OBSOLETE RR SURR SIDE RH-PNTD-GOLD FS0F
Glowworm part no. 417862
 
94   OBSOLETE REAR SURR SIDE LH-PNTD FS100F
Glowworm part no. 417890
 
94   OBSOLETE REAR SURR SIDE RH-PNTD FS100F
Glowworm part no. 443282
 
95   OBSOLETE RR SURR SIDE LH-PNTD-GOLD FS0F
Glowworm part no. 417861
 
95   OBSOLETE REAR SURR SIDE RH-PNTD FS100F
Glowworm part no. 417891
 
95   OBSOLETE REAR SURR SIDE LH-PNTD FS100F
Glowworm part no. 443281
 
96 Part number SFF0652, Screw, no6 x 3/8 SCREW, NO6 X 3/8
Glowworm part no. SFF0652
 
97   OBSOLETE FACIA-BASIC-PRINTED
Glowworm part no. 417159
 
98   OBSOLETE SCREW-NO.4 X 3/8 REC
Glowworm part no. 208220
 
99   OBSOLETE CASE TRAY ASSY FS100F - GOLD
Glowworm part no. 417815
 
99   OBSOLETE CASE TRAY ASY-FS100F(H/W VALV)
Glowworm part no. 417889
 
99   OBSOLETE CASE TRAY ASY-FS100F(SIT VALV)
Glowworm part no. 417892
 
99   OBSOLETE CASE TRAY ASSY
Glowworm part no. 443283
 
101   OBSOLETE CLIP- P -NYLON-RICHCO N3B
Glowworm part no. 204246
 
102   PIPE CLIP
Glowworm part no. 204221
 
102   CLIP - PIPE
Glowworm part no. S204221
 
103   OBSOLETE LOW PRESSURE PIPE-EXT SEC (F)
Glowworm part no. 417851
 
104   OBSOLETE LOW PRESSURE PIPE-INT SEC (F)
Glowworm part no. 417852
 
106   OBSOLETE FLEXIBLE TUBE-63MM LONG
Glowworm part no. 203811
 
106   OBSOLETE FLEXIBLE TUBE-63MM LONG
Glowworm part no. S203811
 
107   OBSOLETE TUBE ALTIMEX - SA89/R
Glowworm part no. 203813
 
107   OBSOLETE SPARES - FLUE DUCT ASSY
Glowworm part no. 417881
 
108   OBSOLETE A/DUCT SUB ASSY APPL (SW) FS8F
Glowworm part no. 417603
 
109   OBSOLETE T/AIR DUCT ASSY-STD (SW) FS8F
Glowworm part no. 417608
 
110   OBSOLETE TERMINAL ASSEMBLY(SW) FS100F
Glowworm part no. 417863
 
111   SCREW-NO.6X3/4 REC BZP
Glowworm part no. 50812002
 
111   SCREW - NO.6X3/4
Glowworm part no. S50812002
 
112   NOW USE S208225 SCREW-NO.10 X 1 1/2 REC
Glowworm part no. 208225
 
112   SCREW ( NO.10 X 1 1/2 )
Glowworm part no. S208225
 
113   OBSOLETE THERM TAPE-LOW TEMP-1.95M ROLL
Glowworm part no. 412734
 
113   OBSOLETE THERM TAPE-LOW TEMP-1.95M ROLL
Glowworm part no. S412734
 
114   OBSOLETE SEAL-20X18X550MM TERMINAL
Glowworm part no. 208065
 
116   OBSOLETE F/BLANK.PLT (NPF) FS08FCMF+
Glowworm part no. 417641
 
117   OBSOLETE FLUE HOOD BRACKET (1XB) FS0F
Glowworm part no. 417839
 
118   GAS VALVE SCREW
Glowworm part no. 203356
 
118   OBSOLETE SCREW-CONTROL COVER
Glowworm part no. 208359
 
118   SCREW - GAS VALVE
Glowworm part no. S203356
 
119   OBSOLETE SCREW-2BAX1/4 SLOT
Glowworm part no. 013936
 
120   OBSOLETE TERM STRIP-2 WAY-732 PF3/2
Glowworm part no. 202011
 
121   OBSOLETE BULKHEAD COUPLING M90/A
Glowworm part no. 204189
 
122   OBSOLETE WASHER-S/PROOF M8
Glowworm part no. 403219
 
123   PIN-PIPE CLIP-FASTEX
Glowworm part no. 204222
 
123   PIN-PIPE CLIP
Glowworm part no. S204222
 
124   OBSOLETE DRIVE FASTENER-WH
Glowworm part no. 204234
 
125   OBSOLETE GROMMET-ROBERT MOSS 15069
Glowworm part no. 204243
 
128   OBSOLETE PIPE CLIP (PCF) FSF&CMF+
Glowworm part no. 417199
 
129 Part number SK2330, Screw (No8 X 3/8) SCREW (NO8 X 3/8)
Glowworm part no. SK2330
 
130 Part number SK8112, Nut - spire capt no8 NUT - SPIRE CAPT NO8
Glowworm part no. SK8112
 
131   OBSOLETE H/E SEAL.PLT (F) FS08FCMF
Glowworm part no. 417656
 
132   OBSOLETE OUTLET EXT ASSY FS100F
Glowworm part no. 417871
 
133   OBSOLETE MAIN PNL CHASSIS BSE ASY-SPARE
Glowworm part no. 417884
 
134   OBSOLETE COMB CHAMBER BAFF (NPF) FS0F
Glowworm part no. 417825
 
135   OBSOLETE C/C FRONT SEAL ANG (NPF) FS0F
Glowworm part no. 417829
 
137   OBSOLETE CHECK STRAP-FASTEX
Glowworm part no. 204245
 
138   CABLE TIE
Glowworm part no. SK5089
 
139   OBSOLETE SCREW-M4X20MM MS PN REC
Glowworm part no. 208281
 
139   OBSOLETE SCREW-M4X20MM MS PN REC
Glowworm part no. S208281
 
140   OBSOLETE HEAT EXCHN BAFFLE (NF) FS0F
Glowworm part no. 417845
 
141 Part number S51062003, Nut- spire capt no.10 NUT- SPIRE CAPT NO.10
Glowworm part no. S51062003
£4.29
141 Part number 51062003, NOW USE S51062003 NUT-SPIRE CAPT NO.10 NOW USE S51062003 NUT-SPIRE CAPT NO.10
Glowworm part no. 51062003
 
142   WASHER-SEAL 1/2X3/16X1/16 BSW
Glowworm part no. 69953
 
142   WASHER - SEAL 1/2X3/16X1/16
Glowworm part no. S69953
 
143 Part number SK6262, Shake proof washer (M5) SHAKE PROOF WASHER (M5)
Glowworm part no. SK6262
 
144   OBSOLETE NUT-SPIRE CAPT NO6
Glowworm part no. 51173003
 
145   OBSOLETE AIR DUCT ASSY-INTRIM(SW) FS0F
Glowworm part no. 417801
 
146 Part number S208294, Screw ( M5X14mm ) SCREW ( M5X14MM )
Glowworm part no. S208294
£6.80
146 Part number 208294, NOW USE S208294 SCREW-M5X14mm+5DG MS PN NOW USE S208294 SCREW-M5X14MM+5DG MS PN
Glowworm part no. 208294
 
149 Part number 417019, NUT-COMP-4mm-SIT 0.958.030 NUT-COMP-4MM-SIT 0.958.030
Glowworm part no. 417019
 
149 Part number S417019, Nut - Compression 4mm NUT - COMPRESSION 4MM
Glowworm part no. S417019
 



Heating spares made simple this website is secured by Geotrust