Official Stockist

  • Your Shopping BasketYour Shopping Baske

    Empty
  • SSL Secure Connection


Official Stockist

Diagram & User Manual Search

Quickly locate your appliance and order replacement parts using our secure online payment facility.

  • Over 20,000 appliances available
  • Simply click on the part to buy
  • Secure online payment
  • Next day delivery

Detailed Search




  

Specific Search



  

Created by Gas Engineers, for Gas Engineers • We only sell Genuine Boiler Spares • HSP - Where The Trade Buy

GLOWWORM
FUELSAVER 35F 1984 AVA - (Controls & Fan)
Appliance Code: 41-313-09

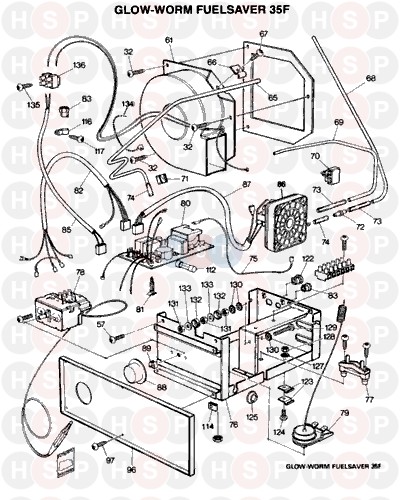
Appliance Diagram


Controls & Fan diagram for Glowworm Fuelsaver 35F 1984 AVAClick the diagram to open it on a new page

You can then pinch & zoom to adjust the size.

1   OBSOLETE USER INSTR- FS FAN FLUES 12/93
Glowworm part no. 206462
 
1   OBSOLETE RR FLUE INSTR-FS35/45/55F 7/88
Glowworm part no. 206463
 
1   OBSOLETE SD FLUE INST-FS35/45/55F 7/88
Glowworm part no. 206464
 
1   OBSOLETE FITTERS INSTR-FS35/45/55F 5/91
Glowworm part no. 206702
 
1   OBSOLETE CASE ASSY - FS35/45/55F
Glowworm part no. 417173
 
2 Part number 208047, SEAL-8X13.5X1800mm CASE SEAL-8X13.5X1800MM CASE
Glowworm part no. 208047
 
2 Part number S208047, SEAL-8X13.5X1800mm CASE SEAL-8X13.5X1800MM CASE
Glowworm part no. S208047
 
3 Part number 208243, NOW USE S208243 SCREW-NO.10 X 3/4 REC NOW USE S208243 SCREW-NO.10 X 3/4 REC
Glowworm part no. 208243
 
3 Part number S208243, Screw ( no.10 X 3/4 ) SCREW ( NO.10 X 3/4 )
Glowworm part no. S208243
 
4   OBSOLETE ESCUTCHEON-WH FS-F
Glowworm part no. 417172
 
5 Part number SK6219, Nut NUT
Glowworm part no. SK6219
 
6 Part number 51936004, ADHESIVE RING ADHESIVE RING
Glowworm part no. 51936004
 
6 Part number S51936004, ADHESIVE RING ADHESIVE RING
Glowworm part no. S51936004
 
7   SIGHT WINDOW FRAME
Glowworm part no. SAA049M
 
8 Part number S411194, SIGHT GLASS SIGHT GLASS
Glowworm part no. S411194
£7.01
8 Part number 411194, NOW USE S411194 SIGHT GLASS NOW USE S411194 SIGHT GLASS
Glowworm part no. 411194
 
9   OBSOLETE NUT-SPIRE CAPT NO4
Glowworm part no. 208244
 
10   OBSOLETE CHASSIS ASSY
Glowworm part no. 417501
 
11   OBSOLETE HEAT EXCH BRACKET ASSY
Glowworm part no. 417133
 
12 Part number S208007, Washer WASHER
Glowworm part no. S208007
£4.29
12 Part number 208007, NOW USE S208007 WASHER-FIBRE 41.5OD NOW USE S208007 WASHER-FIBRE 41.5OD
Glowworm part no. 208007
 
13   LOCKNUT-7/8 BSP
Glowworm part no. S411034
£4.29
13   NOW USE S411034 LOCKNUT-7/8 BSP
Glowworm part no. 411034
 
14   OBSOLETE GASKET-6MM H/EXCH QC
Glowworm part no. 208039
 
15   OBSOLETE H/E SEAL. PLT (F) FS3/5F
Glowworm part no. 417167
 
16   NOW USE S208283 SCREW-M4X16MM+5DG MS PN
Glowworm part no. 208283
 
16   SCREW ( M4X16MM )
Glowworm part no. S208283
 
20   SCREW-GAS CONTROL
Glowworm part no. S203306
£4.91
20   NOW USE S203306 GAS CONTROL SCREW
Glowworm part no. 203306
 
21 Part number S208040, O ring O RING
Glowworm part no. S208040
£6.80
21 Part number 208040, NOW USE S208040 O RING-H/WELL 22.0 X 2.5 NOW USE S208040 O RING-H/WELL 22.0 X 2.5
Glowworm part no. 208040
 
22   OBSOLETE GAS VALVE MANIFOLD
Glowworm part no. 203107
 
23 Part number S208241, SCREW-M4-GAS MANIFOLD SCREW-M4-GAS MANIFOLD
Glowworm part no. S208241
£7.17
23 Part number 208241, NOW USE S208241 SCREW-M4-GAS MANIFOLD NOW USE S208241 SCREW-M4-GAS MANIFOLD
Glowworm part no. 208241
 
24   NOW USE S78129 SCREW-2BA
Glowworm part no. 78129
 
24   SCREW
Glowworm part no. S78129
 
25 Part number 2000800884, Test nipple & screw TEST NIPPLE & SCREW
Glowworm part no. 2000800884
£6.52
25 Part number 12621, NOW USE 2000800884 NIPPLE-TEST 1/8 NOW USE 2000800884 NIPPLE-TEST 1/8
Glowworm part no. 12621
 
26 Part number 900307, NOW USE S900307 G/COCK-FLANGED-ALTERNATIVES QC NOW USE S900307 G/COCK-FLANGED-ALTERNATIVES QC
Glowworm part no. 900307
 
26 Part number S900307, Gas Cock - flanged GAS COCK - FLANGED
Glowworm part no. S900307
 
27   OBSOLETE INJECTOR-BRAY 30 1000 QC
Glowworm part no. 203021
 
28 Part number S204162, WASHER-COPPER-14.2X10X2.2mm WASHER-COPPER-14.2X10X2.2MM
Glowworm part no. S204162
£4.91
28 Part number 204162, NOW USE S204162 WASHER-COPPER-14.2X10X2.2mm NOW USE S204162 WASHER-COPPER-14.2X10X2.2MM
Glowworm part no. 204162
 
29 Part number 204130, OBSOLETE ADAPTER-M11X1THREAD BRASS OBSOLETE ADAPTER-M11X1THREAD BRASS
Glowworm part no. 204130
 
29 Part number S204130, OBSOLETE ADAPTER-M11X1THREAD BRASS OBSOLETE ADAPTER-M11X1THREAD BRASS
Glowworm part no. S204130
 
30   OBSOLETE GASKET-3MM THMTX GAS CNTRL
Glowworm part no. 208042
 
31   OBSOLETE H/E ASSY FS35F
Glowworm part no. 417516
 
32 Part number SK8019, Screw ( M5X10mm ) SCREW ( M5X10MM )
Glowworm part no. SK8019
£6.80
33 Part number 204101, OBSOLETE UNION NUT-22mm OBSOLETE UNION NUT-22MM
Glowworm part no. 204101
 
33 Part number S204101, OBSOLETE UNION NUT-22mm OBSOLETE UNION NUT-22MM
Glowworm part no. S204101
 
34   OBSOLETE OLIVE-COPPER-22MM QC
Glowworm part no. 204153
 
35   OBSOLETE WATER IN EXT TUBE ASSY-FF35/55
Glowworm part no. 417129
 
36   OBSOLETE WATER OUT EXT TUBE ASY-FF35/55
Glowworm part no. 417131
 
37   OBSOLETE C/CHAMB ASSY (SW) FS3B&F
Glowworm part no. 416606
 
38   OBSOLETE INSUL-10MM C/C BACK
Glowworm part no. 210022
 
38   OBSOLETE INSULATION-10MM COMBUSTION CHAMBER BACK
Glowworm part no. S210022
 
39 Part number 210005, OBSOLETE INSUL-10mm C/C SIDE OBSOLETE INSUL-10MM C/C SIDE
Glowworm part no. 210005
 
39 Part number S210005, OBSOLETE Insulation-10mm combustion chamber side OBSOLETE INSULATION-10MM COMBUSTION CHAMBER SIDE
Glowworm part no. S210005
 
40   OBSOLETE COMB CHAMB BAFF(NPF) FS3F
Glowworm part no. 417510
 
41 Part number SK8112, Nut - spire capt no8 NUT - SPIRE CAPT NO8
Glowworm part no. SK8112
 
42   OBSOLETE BURNER-BRAY AB24030M QC
Glowworm part no. 203222
 
43 Part number 417268, OBSOLETE PILOT/ELECTRODE OBSOLETE PILOT/ELECTRODE
Glowworm part no. 417268
 
44 Part number SK7959, Screw, M3x6mm SCREW, M3X6MM
Glowworm part no. SK7959
£6.80
45   OBSOLETE PILOT PIPE ASSY
Glowworm part no. 417269
 
46   OBSOLETE C/C FRT & WARN PLATE ASSY
Glowworm part no. 417518
 
47   OBSOLETE INSUL-10MM C/C FRT
Glowworm part no. 210021
 
47   OBSOLETE INSULATION-10MM COMBUSTION CHAMBER FRONT
Glowworm part no. S210021
 
48 Part number SK5877, Screw, no8 x 5/8 SCREW, NO8 X 5/8
Glowworm part no. SK5877
 
49 Part number 403215, NOW USE S403215 NUT-WING M5 ZP NOW USE S403215 NUT-WING M5 ZP
Glowworm part no. 403215
 
49 Part number S403215, Nut-wing M5 NUT-WING M5
Glowworm part no. S403215
 
50   OBSOLETE FLUE HOOD SUB-ASSY (SW) FS3F
Glowworm part no. 417513
 
51   OBSOLETE GASKET-3MM FLUE HOOD
Glowworm part no. 208043
 
52   HOOK BOLT
Glowworm part no. 416026
 
52   HOOK BOLT
Glowworm part no. S416026
 
53 Part number 208012, NOW USE S208012 NUT-WING M4 ZP NOW USE S208012 NUT-WING M4 ZP
Glowworm part no. 208012
 
53 Part number S208012, Nut ( wing M4 ) NUT ( WING M4 )
Glowworm part no. S208012
 
54   OBSOLETE FLUE BOX SUB-ASSY (RVT) FS35F
Glowworm part no. 417270
 
55   OBSOLETE WASHER-SEALING-AF2000-FLUE BOX
Glowworm part no. 208062
 
56   OBSOLETE GASKET-3MM FLUE
Glowworm part no. 208044
 
57 Part number S12780, Screw M4x12mm SCREW M4X12MM
Glowworm part no. S12780
£6.80
57 Part number 12780, NOW USE S12780 SCREW M4X12mm MS PN REC NOW USE S12780 SCREW M4X12MM MS PN REC
Glowworm part no. 12780
 
58   OBSOLETE NUT-SPIRE CAPT NO12
Glowworm part no. 403283
 
58   OBSOLETE NUT-SPIRE CAPT NO12
Glowworm part no. S403283
 
59   OBSOLETE GASKET-3MM CHASSIS
Glowworm part no. 208045
 
60 Part number SFF0651, OBSOLETE SCREW-NO12X1 1/4 REC ZP OBSOLETE SCREW-NO12X1 1/4 REC ZP
Glowworm part no. SFF0651
 
62   OBSOLETE SCREW-M4X16MM MS PN REC ZP
Glowworm part no. SK6213
 
63 Part number SK6361, Shake proof washer (M4) SHAKE PROOF WASHER (M4)
Glowworm part no. SK6361
 
64   NOW USE S204220 GROMMET-ROBERT MOSS
Glowworm part no. 204220
 
64   GROMMET
Glowworm part no. S204220
 
65   OBSOLETE TOP LOW PRESSURE PIPE
Glowworm part no. 417142
 
66   OBSOLETE PIPE CLIP (PCF) FSF&CMF+
Glowworm part no. 417199
 
67 Part number SK2330, Screw (No8 X 3/8) SCREW (NO8 X 3/8)
Glowworm part no. SK2330
 
68   OBSOLETE BOTTOM LOW PRESSURE PIPE
Glowworm part no. 417140
 
69   OBSOLETE HIGH PRESSURE PIPE
Glowworm part no. 417659
 
70   PIPE CLIP
Glowworm part no. 204221
 
70   CLIP - PIPE
Glowworm part no. S204221
 
71   PIN-PIPE CLIP-FASTEX
Glowworm part no. 204222
 
71   PIN-PIPE CLIP
Glowworm part no. S204222
 
72   OBSOLETE SPARES-AIR RESTRICTOR KIT
Glowworm part no. 2000800790
 
72   OBSOLETE AIR RESTRICTOR
Glowworm part no. 204194
 
73   OBSOLETE FLEXIBLE TUBE-63MM LONG
Glowworm part no. 203811
 
73   OBSOLETE FLEXIBLE TUBE-90MM LONG
Glowworm part no. 203860
 
73   OBSOLETE FLEXIBLE TUBE-63MM LONG
Glowworm part no. S203811
 
74   OBSOLETE FLEXIBLE TUBE-22MM LONG
Glowworm part no. 203809
 
75 Part number SWW4612, Ignition lead IGNITION LEAD
Glowworm part no. SWW4612
 
76   OBSOLETE CONTROL BOX ASSY-FS35>80F
Glowworm part no. 417155
 
77 Part number SK9221, Clip - strain relief CLIP - STRAIN RELIEF
Glowworm part no. SK9221
£4.91
78   OBSOLETE TSTAT-RANCO C77 P0114-000
Glowworm part no. 202504
 
78 Part number C77P0114, THERMOSTAT THERMOSTAT
Glowworm part no. C77P0114
 
79   TSTAT-RANCO LM7 P5010-000
Glowworm part no. 202505
 
79   THERMOSTAT
Glowworm part no. S202505
 
81 Part number S204225, Support SUPPORT
Glowworm part no. S204225
£4.29
81 Part number 204225, NOW USE S204225 PCB SUPPORT-RICHCO CBS-10N NOW USE S204225 PCB SUPPORT-RICHCO CBS-10N
Glowworm part no. 204225
 
82   OBSOLETE GAS CONTROL HARNESS
Glowworm part no. 417164
 
83   NOW USE S204228 BUSH-RELIEF SR6N34
Glowworm part no. 204228
 
83   BUSH RELIEF
Glowworm part no. S204228
 
84   OBSOLETE GROMMET PLATE-HONEYWELL
Glowworm part no. 203307
 
85   OBSOLETE FAN HARNESS
Glowworm part no. 417165
 
86 Part number 202005, OBSOLETE AIR PRESSURE SWITCH 0.9MB OBSOLETE AIR PRESSURE SWITCH 0.9MB
Glowworm part no. 202005
 
87   OBSOLETE PRESSURE SWITCH HARNESS
Glowworm part no. 417161
 
88 Part number 416144, Control knob CONTROL KNOB
Glowworm part no. 416144
£5.10
89 Part number 403095, OBSOLETE CLIP- D-SPIRE OBSOLETE CLIP- D-SPIRE
Glowworm part no. 403095
 
89 Part number S403095, D clip for control knob D CLIP FOR CONTROL KNOB
Glowworm part no. S403095
 
92   WASHER-SEAL 1/2X3/16X1/16 BSW
Glowworm part no. 69953
 
92   WASHER - SEAL 1/2X3/16X1/16
Glowworm part no. S69953
 
93   OBSOLETE REAR SUR SIDE LH-PNTD FS35>55F
Glowworm part no. 417287
 
93   OBSOLETE REAR SUR SD LH-PNTD ECON345FF
Glowworm part no. 437804
 
94   OBSOLETE REAR SUR SIDE RH-PNTD FS35>55F
Glowworm part no. 417288
 
94   OBSOLETE REAR SUR SD RH-PNTD ECON345FF
Glowworm part no. 437805
 
95 Part number SFF0652, Screw, no6 x 3/8 SCREW, NO6 X 3/8
Glowworm part no. SFF0652
 
96   OBSOLETE FACIA-BASIC-PRINTED
Glowworm part no. 417159
 
97   OBSOLETE SCREW-NO.4 X 3/8 REC
Glowworm part no. 208220
 
98   OBSOLETE CASE TRAY ASSY-ECON FF
Glowworm part no. 437801
 
99   OBSOLETE RETAINER-PHIAL
Glowworm part no. 410939
 
100   OBSOLETE CLIP-BUCKLE METWAY TYPE XC5
Glowworm part no. SK1817
 
101   OBSOLETE STANDARD FLUE DUCT ASSY
Glowworm part no. 417211
 
102   OBSOLETE AIR DUCT ASSY-APPLIANCE
Glowworm part no. 417214
 
103   OBSOLETE T/AIR DUCT ASY(SW) FS3&5F
Glowworm part no. 417216
 
104   OBSOLETE TERMINAL ASSY (SW) FS3&5F
Glowworm part no. 417218
 
105   SCREW-NO.6X3/4 REC BZP
Glowworm part no. 50812002
 
105   SCREW - NO.6X3/4
Glowworm part no. S50812002
 
106   NOW USE S208225 SCREW-NO.10 X 1 1/2 REC
Glowworm part no. 208225
 
106   SCREW ( NO.10 X 1 1/2 )
Glowworm part no. S208225
 
107   OBSOLETE THERM TAPE-LOW TEMP-1.95M ROLL
Glowworm part no. 412734
 
107   OBSOLETE THERM TAPE-LOW TEMP-1.95M ROLL
Glowworm part no. S412734
 
108   OBSOLETE SEAL-20X18X550MM TERMINAL
Glowworm part no. 208065
 
110 Part number 417517, GAS CNTRL ASSY GAS CNTRL ASSY
Glowworm part no. 417517
 
111   OBSOLETE GAS CONTROL COVER
Glowworm part no. 203315
 
112 Part number 202015, OBSOLETE FUSE-1A 20mm 151490 OBSOLETE FUSE-1A 20MM 151490
Glowworm part no. 202015
 
112 Part number S202015, Fuse-1A 20mm FUSE-1A 20MM
Glowworm part no. S202015
 
113 Part number 56553016, OBSOLETE OLIVE-22mm OBSOLETE OLIVE-22MM
Glowworm part no. 56553016
 
113 Part number S56553016, OBSOLETE OLIVE-22mm OBSOLETE OLIVE-22MM
Glowworm part no. S56553016
 
114   NOW USE S208520 NUT-SPIRE CPNO.6-SNU 2592/17/4
Glowworm part no. 208520
 
114   NUT-SPIRE CAPT NO.6
Glowworm part no. S208520
 
116   OBSOLETE CLIP-PLASKLIP TYPE NX
Glowworm part no. SK8363
 
118   OBSOLETE F/HOOD BRKT (1XB) FS3B&F
Glowworm part no. 416613
 
119   OBSOLETE HEAT SINK COMPOUND BULK
Glowworm part no. 208033
 
120   OBSOLETE GLAND PLATE ASSY
Glowworm part no. 417170
 
120   OBSOLETE GLAND PLATE ASSY
Glowworm part no. S417170
 
121   OBSOLETE F/BLANK.PLT (NPF) FS3/5F/S4F
Glowworm part no. 417154
 
122   NOW USE S204226 BUSH-RELIEF - SRB011-BLK
Glowworm part no. 204226
 
122   BUSH RELIEF
Glowworm part no. S204226
 
123   OBSOLETE P CLIP-NYLON-RICHCO N200
Glowworm part no. 208406
 
124   OBSOLETE SCREW-M3X10MM MS PN REC BZP
Glowworm part no. SK8859
 
125   OBSOLETE PLUG-SEALING-BLACK
Glowworm part no. 204203
 
127   OBSOLETE WASHER-S/PROOF M3 ZP EXT TEETH
Glowworm part no. SK6362
 
128   OBSOLETE NUT-M3 HEX FULL ZP
Glowworm part no. SK6363
 
131 Part number SK6218, Nut - M4 NUT - M4
Glowworm part no. SK6218
£6.80
132   OBSOLETE WASHER-CUP 4.2MM X 0.385
Glowworm part no. SFF0824
 
133   OBSOLETE WASHER-M4 FORM A PLN ZP
Glowworm part no. SK6558
 
134   CABLE TIE
Glowworm part no. SK5089
 
135   SCREW - M3X16MM
Glowworm part no. SK8706
 
136   OBSOLETE TERM STRIP-2 WAY-732 PF3/2
Glowworm part no. 202011
 



Heating spares made simple this website is secured by Geotrust