Official Stockist

  • Your Shopping BasketYour Shopping Baske

    Empty
  • SSL Secure Connection


Official Stockist

Diagram & User Manual Search

Quickly locate your appliance and order replacement parts using our secure online payment facility.

  • Over 20,000 appliances available
  • Simply click on the part to buy
  • Secure online payment
  • Next day delivery

Detailed Search




  

Specific Search



  

Created by Gas Engineers, for Gas Engineers • We only sell Genuine Boiler Spares • HSP - Where The Trade Buy

GLOWWORM
FUELSAVER UFB 50FF 1991 AVA - (Controls & Fan)
Appliance Code: 41-319-25

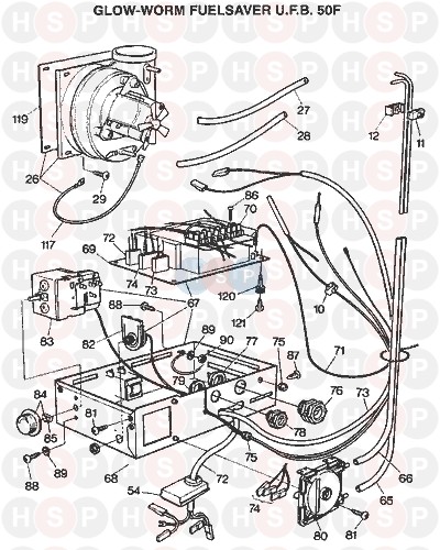
Appliance Diagram


Controls & Fan diagram for Glowworm Fuelsaver UFB 50FF 1991 AVAClick the diagram to open it on a new page

You can then pinch & zoom to adjust the size.

1   OBSOLETE INSTN./SERVICING BOOKLET 6/92
Glowworm part no. 220153
 
1   OBSOLETE USER INSTR 10/91
Glowworm part no. 220154
 
1   OBSOLETE INN CSE FRT-SPARE-ECON PF
Glowworm part no. 800283
 
2   SCREW -M4X6MM
Glowworm part no. SK6212
 
3 Part number 432784, SIGHT GLASS FRAME(3STNPF) S/FL SIGHT GLASS FRAME(3STNPF) S/FL
Glowworm part no. 432784
 
3 Part number S432784, Frame - Sight glass FRAME - SIGHT GLASS
Glowworm part no. S432784
 
4 Part number S208302, SIGHT GLASS SIGHT GLASS
Glowworm part no. S208302
£6.80
4 Part number 208302, SIGHT GLASS SIGHT GLASS
Glowworm part no. 208302
 
5 Part number S208093, GASKET-SIGHT GLASS GASKET-SIGHT GLASS
Glowworm part no. S208093
£6.80
5 Part number 208093, NOW USE S208093 GASKET-SIGHT GLASS NOW USE S208093 GASKET-SIGHT GLASS
Glowworm part no. 208093
 
6 Part number 230383, OBSOLETE SEAL-CASE OBSOLETE SEAL-CASE
Glowworm part no. 230383
 
6 Part number S230383, OBSOLETE SEAL-CASE OBSOLETE SEAL-CASE
Glowworm part no. S230383
 
7 Part number 208243, NOW USE S208243 SCREW-NO.10 X 3/4 REC NOW USE S208243 SCREW-NO.10 X 3/4 REC
Glowworm part no. 208243
 
7 Part number S208243, Screw ( no.10 X 3/4 ) SCREW ( NO.10 X 3/4 )
Glowworm part no. S208243
 
8   OBSOLETE MAIN PANEL ASSY-SPARE-ECONPF50
Glowworm part no. 800285
 
9 Part number S51062003, Nut- spire capt no.10 NUT- SPIRE CAPT NO.10
Glowworm part no. S51062003
£4.29
9 Part number 51062003, NOW USE S51062003 NUT-SPIRE CAPT NO.10 NOW USE S51062003 NUT-SPIRE CAPT NO.10
Glowworm part no. 51062003
 
10   CLIP - EDGE CABLE
Glowworm part no. SK6899
 
11   PIPE CLIP
Glowworm part no. 204221
 
11   CLIP - PIPE
Glowworm part no. S204221
 
12   PIN-PIPE CLIP-FASTEX
Glowworm part no. 204222
 
12   PIN-PIPE CLIP
Glowworm part no. S204222
 
13   LOCKNUT-7/8 BSP
Glowworm part no. S411034
£4.29
13   NOW USE S411034 LOCKNUT-7/8 BSP
Glowworm part no. 411034
 
14 Part number S208007, Washer WASHER
Glowworm part no. S208007
£4.29
14 Part number 208007, NOW USE S208007 WASHER-FIBRE 41.5OD NOW USE S208007 WASHER-FIBRE 41.5OD
Glowworm part no. 208007
 
15   OBSOLETE BULKHEAD CONNECTOR
Glowworm part no. 230330
 
16 Part number S204154, LOCK NUT-M36 X 8 LOCK NUT-M36 X 8
Glowworm part no. S204154
£6.58
16 Part number 204154, NOW USE S204154 LOCK NUT-M36 X 8 NOW USE S204154 LOCK NUT-M36 X 8
Glowworm part no. 204154
 
17 Part number 51987004, OBSOLETE WASHER-FIBRE 48OD OBSOLETE WASHER-FIBRE 48OD
Glowworm part no. 51987004
 
18   OBSOLETE BULKHEAD CONNECTOR
Glowworm part no. 230331
 
19   OBSOLETE COMB.CHAMB.BODY (NPF) UFB345F
Glowworm part no. 443001
 
20 Part number S230319, Insulation-combustion chamber back INSULATION-COMBUSTION CHAMBER BACK
Glowworm part no. S230319
£4.43
20 Part number 230319, NOW USE S230319 INSUL - C/C BACK NOW USE S230319 INSUL - C/C BACK
Glowworm part no. 230319
 
21 Part number S230320, Insulation-combustion chamber side INSULATION-COMBUSTION CHAMBER SIDE
Glowworm part no. S230320
£4.43
21 Part number 230320, NOW USE S230320 INSUL - C/C SIDE NOW USE S230320 INSUL - C/C SIDE
Glowworm part no. 230320
 
22   HEAT EXCHANGER-SPARE-ECON PF
Glowworm part no. 800280
 
23 Part number 212129, WASHER-SEALING 28X21.5X2mm WASHER-SEALING 28X21.5X2MM
Glowworm part no. 212129
 
23 Part number S212129, Washer sealing 28X21.5X2mm WASHER SEALING 28X21.5X2MM
Glowworm part no. S212129
 
24 Part number 230037, NOW USE S230037 WASHER-SEALING NOW USE S230037 WASHER-SEALING
Glowworm part no. 230037
 
24 Part number S230037, Washer sealing WASHER SEALING
Glowworm part no. S230037
 
25   OBSOLETE FLUE HOOD ASSY UFB50F
Glowworm part no. 443139
 
26 Part number 800274, Fan assembly FAN ASSEMBLY
Glowworm part no. 800274
£270.42
27 Part number 230246, SILICONE TUBE-230mm RED SA160 SILICONE TUBE-230MM RED SA160
Glowworm part no. 230246
 
27 Part number S230246, Silicone tube-230mm red SILICONE TUBE-230MM RED
Glowworm part no. S230246
 
28 Part number 230388, OBSOLETE SILICONE TUBE-130mm CLEARSA160 OBSOLETE SILICONE TUBE-130MM CLEARSA160
Glowworm part no. 230388
 
28 Part number S230388, OBSOLETE SILICONE TUBE-130mm CLEARSA160 OBSOLETE SILICONE TUBE-130MM CLEARSA160
Glowworm part no. S230388
 
29 Part number SK8019, Screw ( M5X10mm ) SCREW ( M5X10MM )
Glowworm part no. SK8019
£6.80
30   OBSOLETE FLUE HOOD BRKT (1XB) CP
Glowworm part no. 441531
 
31   HOOK BOLT
Glowworm part no. 441552
 
31   HOOK BOLT
Glowworm part no. S441552
 
32 Part number 208012, NOW USE S208012 NUT-WING M4 ZP NOW USE S208012 NUT-WING M4 ZP
Glowworm part no. 208012
 
32 Part number S208012, Nut ( wing M4 ) NUT ( WING M4 )
Glowworm part no. S208012
 
33   OBSOLETE BURNER 50F3 - AC07/052048
Glowworm part no. 230351
 
34 Part number 230209, PILOT BNR-J/SON 27A5H2H7215C1L PILOT BNR-J/SON 27A5H2H7215C1L
Glowworm part no. 230209
 
34 Part number S230209, Pilot burner PILOT BURNER
Glowworm part no. S230209
 
35   OBSOLETE SCREW-M5X6MM BRS HX SLT
Glowworm part no. 208408
 
36 Part number SK6296, Washer WASHER
Glowworm part no. SK6296
 
37   OBSOLETE BURNER SUPP BRKT (1XB) UFB
Glowworm part no. 443008
 
38 Part number 403215, NOW USE S403215 NUT-WING M5 ZP NOW USE S403215 NUT-WING M5 ZP
Glowworm part no. 403215
 
38 Part number S403215, Nut-wing M5 NUT-WING M5
Glowworm part no. S403215
 
39 Part number 432901, Gland plate GLAND PLATE
Glowworm part no. 432901
£72.14
40 Part number 432915, NOW USE S432915 GLAND PLATE ASSY - MICRON NOW USE S432915 GLAND PLATE ASSY - MICRON
Glowworm part no. 432915
 
40 Part number S432915, Gland plate GLAND PLATE
Glowworm part no. S432915
 
41   OBSOLETE GLAND PLATE SCREW
Glowworm part no. 230328
 
42 Part number SK8112, Nut - spire capt no8 NUT - SPIRE CAPT NO8
Glowworm part no. SK8112
 
43 Part number 443159, OBSOLETE Combustion chamber door OBSOLETE COMBUSTION CHAMBER DOOR
Glowworm part no. 443159
 
44 Part number 230321, OBSOLETE INSUL - C/C FRONT OBSOLETE INSUL - C/C FRONT
Glowworm part no. 230321
 
44 Part number S230321, OBSOLETE Insulation-combustion chamber front OBSOLETE INSULATION-COMBUSTION CHAMBER FRONT
Glowworm part no. S230321
 
45 Part number SK2330, Screw (No8 X 3/8) SCREW (NO8 X 3/8)
Glowworm part no. SK2330
 
46 Part number SK5877, Screw, no8 x 5/8 SCREW, NO8 X 5/8
Glowworm part no. SK5877
 
47   OBSOLETE RETAINER-PHIAL
Glowworm part no. 410939
 
48 Part number 900307, NOW USE S900307 G/COCK-FLANGED-ALTERNATIVES QC NOW USE S900307 G/COCK-FLANGED-ALTERNATIVES QC
Glowworm part no. 900307
 
48 Part number S900307, Gas Cock - flanged GAS COCK - FLANGED
Glowworm part no. S900307
 
49 Part number S208241, SCREW-M4-GAS MANIFOLD SCREW-M4-GAS MANIFOLD
Glowworm part no. S208241
£7.17
49 Part number 208241, NOW USE S208241 SCREW-M4-GAS MANIFOLD NOW USE S208241 SCREW-M4-GAS MANIFOLD
Glowworm part no. 208241
 
50 Part number S208040, O ring O RING
Glowworm part no. S208040
£6.80
50 Part number 208040, NOW USE S208040 O RING-H/WELL 22.0 X 2.5 NOW USE S208040 O RING-H/WELL 22.0 X 2.5
Glowworm part no. 208040
 
51 Part number 417517, GAS CNTRL ASSY GAS CNTRL ASSY
Glowworm part no. 417517
 
52   OBSOLETE GAS CONTROL COVER
Glowworm part no. 203315
 
53   SCREW-GAS CONTROL
Glowworm part no. S203306
£4.91
53   NOW USE S203306 GAS CONTROL SCREW
Glowworm part no. 203306
 
54   OBSOLETE GROMMET PLATE-HONEYWELL
Glowworm part no. 203307
 
55   OBSOLETE PILOT TUBE ASSY-SPARE-ECON PF
Glowworm part no. 800289
 
56 Part number 204184, OBSOLETE TUBING NUT-7/16 X 24UNS OBSOLETE TUBING NUT-7/16 X 24UNS
Glowworm part no. 204184
 
56 Part number S204184, OBSOLETE Tubing nut-7/16 X 24UNS OBSOLETE TUBING NUT-7/16 X 24UNS
Glowworm part no. S204184
 
57 Part number S204185, ADAPTER OLIVE-REDUCER ADAPTER OLIVE-REDUCER
Glowworm part no. S204185
£7.17
57 Part number 204185, NOW USE S204185 ADAPTER OLIVE-REDUCER NOW USE S204185 ADAPTER OLIVE-REDUCER
Glowworm part no. 204185
 
58 Part number S204853, Tubing nut -4mm TUBING NUT -4MM
Glowworm part no. S204853
£8.52
58 Part number 204853, NOW USE S204853 TB NUT-4mm-H/W 45.004.388-001 NOW USE S204853 TB NUT-4MM-H/W 45.004.388-001
Glowworm part no. 204853
 
59   OBSOLETE MANIFOLD ASSY - PNTD ALLUFB
Glowworm part no. 443065
 
60 Part number S208294, Screw ( M5X14mm ) SCREW ( M5X14MM )
Glowworm part no. S208294
£6.80
60 Part number 208294, NOW USE S208294 SCREW-M5X14mm+5DG MS PN NOW USE S208294 SCREW-M5X14MM+5DG MS PN
Glowworm part no. 208294
 
61   OBSOLETE GASKET-3MM WEBGLASS 230
Glowworm part no. 212080
 
61   OBSOLETE GASKET-3MM WEBGLASS 230
Glowworm part no. S212080
 
62 Part number 2000800884, Test nipple & screw TEST NIPPLE & SCREW
Glowworm part no. 2000800884
£6.52
62 Part number 12621, NOW USE 2000800884 NIPPLE-TEST 1/8 NOW USE 2000800884 NIPPLE-TEST 1/8
Glowworm part no. 12621
 
63   NOW USE S78129 SCREW-2BA
Glowworm part no. 78129
 
63   SCREW
Glowworm part no. S78129
 
64   INJECTOR-BURNER FKFB50/ERF50
Glowworm part no. 230287
 
64   INJECTOR-BURNER
Glowworm part no. S230287
 
65 Part number S230333, Silicone tube -380mm red SILICONE TUBE -380MM RED
Glowworm part no. S230333
£4.91
65 Part number 230333, NOW USE S230333 SILICONE TUBE-380mm RED SA160 NOW USE S230333 SILICONE TUBE-380MM RED SA160
Glowworm part no. 230333
 
66   SILICONE TUBE-380MM CLEARSA160
Glowworm part no. 230334
 
66   SILICONE TUBE -380MM
Glowworm part no. S230334
 
67   OBSOLETE CONTROL BOX ASSY
Glowworm part no. 443113
 
68   OBSOLETE CTRL BOX BODY ASY-SPARE-ECON PF
Glowworm part no. 800290
 
69 Part number S900817, Printed circuit board (5 wire-1 fuse) PRINTED CIRCUIT BOARD (5 WIRE-1 FUSE)
Glowworm part no. S900817
£167.16
69 Part number 900817, NOW USE S900817 PCB-ALTERNATIVE-KFB SEE REMS NOW USE S900817 PCB-ALTERNATIVE-KFB SEE REMS
Glowworm part no. 900817
 
70   TERMINAL BLOCK ASSY
Glowworm part no. 443176
 
70   TERMINAL BLOCK
Glowworm part no. S443176
 
71 Part number SWW4607, Ignition lead IGNITION LEAD
Glowworm part no. SWW4607
 
72   OBSOLETE GAS CONTROL HARNESS
Glowworm part no. 443105
 
73 Part number 443106, NOW USE S443106 FAN HARNESS ASSY NOW USE S443106 FAN HARNESS ASSY
Glowworm part no. 443106
 
73 Part number S443106, Harness - Fan HARNESS - FAN
Glowworm part no. S443106
 
74 Part number 443104, NOW USE S443104 PRESSURE SWITCH HARNESS NOW USE S443104 PRESSURE SWITCH HARNESS
Glowworm part no. 443104
 
74 Part number S443104, Harness - Pressure switch HARNESS - PRESSURE SWITCH
Glowworm part no. S443104
 
75   NOW USE S204220 GROMMET-ROBERT MOSS
Glowworm part no. 204220
 
75   GROMMET
Glowworm part no. S204220
 
76 Part number 204259, NOW USE S204259 BUSH-CORD GRIP-ELKAY 744 NOW USE S204259 BUSH-CORD GRIP-ELKAY 744
Glowworm part no. 204259
 
76 Part number S204259, Bush-cord grip BUSH-CORD GRIP
Glowworm part no. S204259
 
77   NOW USE S204260 LOCKNUT-ELKAY 93
Glowworm part no. 204260
 
77   LOCKNUT
Glowworm part no. S204260
 
78   NOW USE S204239 CORD GRIP-ELKAY 743
Glowworm part no. 204239
 
78   CORD GRIP
Glowworm part no. S204239
 
79   NOW USE S204240 LOCKNUT-ELKAY CAT 92
Glowworm part no. 204240
 
79   LOCKNUT
Glowworm part no. S204240
 
80 Part number 230357, A/P SWITCH A/P SWITCH
Glowworm part no. 230357
 
80 Part number S230357, Air pressure switch AIR PRESSURE SWITCH
Glowworm part no. S230357
 
81 Part number S208308, Screw (M4x10mm) SCREW (M4X10MM)
Glowworm part no. S208308
£6.80
81 Part number 208308, NOW USE S208308 SCREW-M4X10mm+5DG MS PN NOW USE S208308 SCREW-M4X10MM+5DG MS PN
Glowworm part no. 208308
 
82 Part number 800272, O/Heat stat + heat O/HEAT STAT + HEAT
Glowworm part no. 800272
£61.77
83 Part number 800271, OBSOLETE CONTROL STAT&HEATSINK-ECON PF OBSOLETE CONTROL STAT&HEATSINK-ECON PF
Glowworm part no. 800271
 
84 Part number 800275, Control knob + clip CONTROL KNOB + CLIP
Glowworm part no. 800275
 
85 Part number 403095, OBSOLETE CLIP- D-SPIRE OBSOLETE CLIP- D-SPIRE
Glowworm part no. 403095
 
85 Part number S403095, D clip for control knob D CLIP FOR CONTROL KNOB
Glowworm part no. S403095
 
86   NOW USE S230226 SCREW-NO.4X3/4 PLASTITE-RECPAN
Glowworm part no. 230226
 
86   SCREW -NO.4X3/4 PLASTITE
Glowworm part no. S230226
 
88   SCREW - M4X10MM
Glowworm part no. SK6359
 
89 Part number SK6361, Shake proof washer (M4) SHAKE PROOF WASHER (M4)
Glowworm part no. SK6361
 
90 Part number SK6218, Nut - M4 NUT - M4
Glowworm part no. SK6218
£6.80
91   OBSOLETE FLUE ELBOW GASKET
Glowworm part no. 230315
 
91   FLUE ELBOW GASKET
Glowworm part no. S230315
£4.29
92   OBSOLETE WASHER-M5 MS PLAIN ZP
Glowworm part no. 208228
 
93   NOW USE S208283 SCREW-M4X16MM+5DG MS PN
Glowworm part no. 208283
 
93   SCREW ( M4X16MM )
Glowworm part no. S208283
 
94   OBSOLETE FLUE ELBOW-SPARE-ECONP40/50F
Glowworm part no. 800299
 
95 Part number 209148, FLUE DUCT-ALUM DRAWN TUBE FLUE DUCT-ALUM DRAWN TUBE
Glowworm part no. 209148
 
95 Part number S209148, Flue duct FLUE DUCT
Glowworm part no. S209148
 
96 Part number 209174, WALL LINER-KFB WALL LINER-KFB
Glowworm part no. 209174
 
96 Part number S209174, Wall liner WALL LINER
Glowworm part no. S209174
 
97 Part number 440096, OBSOLETE Terminal OBSOLETE TERMINAL
Glowworm part no. 440096
 
98   OBSOLETE OUTER CASE FRT ASSY FSUFB30-50
Glowworm part no. 443092
 
99   OBSOLETE HANDLE & NAME STRIP FSUFB30>50B&F
Glowworm part no. 800270
 
100   OBSOLETE SCREW-M4X6MM MS HX HD BZP
Glowworm part no. SK7447
 
101   OBSOLETE SIDE PANEL PNTD UFB
Glowworm part no. 443024
 
102   OBSOLETE CASE TOP PNTD FSUFB30>50B&F
Glowworm part no. 443028
 
103   OBSOLETE TOP LOCN BRKT PNTD UFB345
Glowworm part no. 443037
 
104   OBSOLETE CASE BASE ASSY
Glowworm part no. 443154
 
105   NOW USE S208520 NUT-SPIRE CPNO.6-SNU 2592/17/4
Glowworm part no. 208520
 
105   NUT-SPIRE CAPT NO.6
Glowworm part no. S208520
 
106   OBSOLETE CASE BASE BRACKET ASSY
Glowworm part no. 443153
 
107   OBSOLETE MAGNETIC CA140042
Glowworm part no. 140041
 
108   OBSOLETE WASHER-CUP POLY
Glowworm part no. 204274
 
109   OBSOLETE SCREW CAP-POLY
Glowworm part no. 204273
 
110   SCREW-M4 X 6MM REC
Glowworm part no. 208365
 
110   SCREW ( M4 X 6MM )
Glowworm part no. S208365
 
111 Part number 204101, OBSOLETE UNION NUT-22mm OBSOLETE UNION NUT-22MM
Glowworm part no. 204101
 
111 Part number S204101, OBSOLETE UNION NUT-22mm OBSOLETE UNION NUT-22MM
Glowworm part no. S204101
 
112 Part number 56553016, OBSOLETE OLIVE-22mm OBSOLETE OLIVE-22MM
Glowworm part no. 56553016
 
112 Part number S56553016, OBSOLETE OLIVE-22mm OBSOLETE OLIVE-22MM
Glowworm part no. S56553016
 
113 Part number 212140, SEAL-35X15X340mm WALL SEAL-35X15X340MM WALL
Glowworm part no. 212140
 
113 Part number S212140, SEAL-35X15X340mm WALL SEAL-35X15X340MM WALL
Glowworm part no. S212140
 
114   OBSOLETE TAPE/ROLL ASSY
Glowworm part no. 432893
 
115   OBSOLETE WALL MNTG BRKT (PCF) UFB34568
Glowworm part no. 443010
 
116 Part number SFF0652, Screw, no6 x 3/8 SCREW, NO6 X 3/8
Glowworm part no. SFF0652
 
117 Part number SWW8303, Lead LEAD
Glowworm part no. SWW8303
 
118 Part number S208537, Silicone tube-40mm red SILICONE TUBE-40MM RED
Glowworm part no. S208537
£4.29
118 Part number 208537, NOW USE S208537 SILICONE TUBE-40mm RED SA160 NOW USE S208537 SILICONE TUBE-40MM RED SA160
Glowworm part no. 208537
 
119 Part number 230324, OBSOLETE GASKET-FAN MOUNTING OBSOLETE GASKET-FAN MOUNTING
Glowworm part no. 230324
 
119 Part number S230324, OBSOLETE Gasket -fan mounting OBSOLETE GASKET -FAN MOUNTING
Glowworm part no. S230324
 
120   POSTS - P.C.B.
Glowworm part no. S230368
£4.91
120   NOW USE S230368 P.C.B. POSTS(RICHCO-TCBS-4-01)
Glowworm part no. 230368
 
121   NOW USE S50754002 SCREW-NO.6X1/4 REC BZP
Glowworm part no. 50754002
 
121   SCREW - NO.6X1/4
Glowworm part no. S50754002
 
122   OBSOLETE PILOT BAFFLE (PF) UFB50
Glowworm part no. 443042
 
126 Part number 203350, OBSOLETE SOLENOID-G/VALVE 45900406.003 OBSOLETE SOLENOID-G/VALVE 45900406.003
Glowworm part no. 203350
 
126 Part number S203350, OBSOLETE Solenoid-gas valve OBSOLETE SOLENOID-GAS VALVE
Glowworm part no. S203350
 



Heating spares made simple this website is secured by Geotrust