Click here to see our Christmas working times

Official Stockist

  • Your Shopping BasketYour Shopping Baske

    Empty
  • SSL Secure Connection


Official Stockist

Diagram & User Manual Search

Quickly locate your appliance and order replacement parts using our secure online payment facility.

  • Over 20,000 appliances available
  • Simply click on the part to buy
  • Secure online payment
  • Next day delivery

Detailed Search




  

Specific Search



  

Created by Gas Engineers, for Gas Engineers • We only sell Genuine Boiler Spares • HSP - Where The Trade Buy

GLOWWORM
GW 85-100 BF 1975 AVA - (Burner & Controls)
Appliance Code: 41-315-54

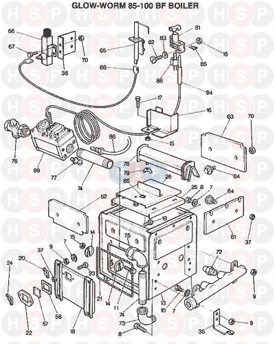
Appliance Diagram


Burner & Controls diagram for Glowworm GW 85-100 BF 1975 AVAClick the diagram to open it on a new page

You can then pinch & zoom to adjust the size.

1   OBSOLETE H/E ASSY-PNTD GW85-100B
Glowworm part no. SM10358
 
2   OBSOLETE H/E GW85-100B(M/C)
Glowworm part no. 84/25
 
3   OBSOLETE MFOLD-LH-GW80TO120BC(M/C)
Glowworm part no. 84/502
 
4   OBSOLETE MFOLD-RH-GW80TO120BC(M/C)
Glowworm part no. 84/503
 
5   OBSOLETE SCREW-M8 X 25MM 8.8
Glowworm part no. SK6295
 
6   OBSOLETE WASHER-M8 FORM B MS PLAIN BZP
Glowworm part no. SK6299
 
7   SHAKE PROOF WASHER (M6)
Glowworm part no. SK7315
£4.29
8   OBSOLETE SCREW-M6X16MM HX HD BZP
Glowworm part no. SK6471
 
9   OBSOLETE NUT-M6 HEX FULL BZP
Glowworm part no. SK6069
 
10   OBSOLETE SCREW-M6 X 20MM
Glowworm part no. SK6217
 
11   OBSOLETE PILOT BRACKET (SW) GW10BC
Glowworm part no. SM6721
 
12   OBSOLETE FLUE BAFF-GW85-100B (FET)
Glowworm part no. 84/80
 
13   OBSOLETE C/C SUB-ASSY(SW2) GW10BC
Glowworm part no. SM6699
 
14   OBSOLETE SEALING PLATE(BF) ALGWB 84/118
Glowworm part no. SM6597
 
15   NUT
Glowworm part no. SK6516
 
16   OBSOLETE PILOT SHLD S/ASY(SW)GW10B
Glowworm part no. SM6700
 
17   OBSOLETE SCREW-M5X10MM MS HX HD ZP
Glowworm part no. SK6475
 
18   OBSOLETE C/C FRONT COVER S/A(SW)GW10B
Glowworm part no. SM6701
 
19   OBSOLETE SCREW-M6 X 30MM
Glowworm part no. SK6293
 
20   OBSOLETE NUT-WING DOTLOC-M6
Glowworm part no. SK6302
 
21   OBSOLETE SEAL-12DIAX1115MM LOOP
Glowworm part no. K6754
 
22   OBSOLETE SIGHT FRAME(BF) GW-BBU 84/2
Glowworm part no. SM6379
 
23   OBSOLETE SCREW-M5 X 12MM
Glowworm part no. SK6288
 
24   OBSOLETE NUT-WING DOTLOC-M5
Glowworm part no. SK6301
 
25   OBSOLETE BTM PROT TRAY(4XB) GW10BC
Glowworm part no. SM6702
 
26   OBSOLETE C/C BAFF ASSY (SW) GW10BC
Glowworm part no. SM6703
 
27   OBSOLETE FLUE COLLECTOR GW85-100B
Glowworm part no. M6704
 
28   OBSOLETE SCREW-M6X25MM HX HD ZP
Glowworm part no. SK6291
 
29   OBSOLETE FLUE CLG DR ASY(SW)GW10BC
Glowworm part no. SM6705
 
30   OBSOLETE SEAL-12DIAX1130MM LOOP
Glowworm part no. K6753
 
31   OBSOLETE SCREW-M6 X 35MM
Glowworm part no. SK6672
 
32   OBSOLETE PRIMARY AIR DUCT ASSY
Glowworm part no. M10356
 
33   OBSOLETE PAD SECURING BAND(PF) GW10B
Glowworm part no. SM6707
 
34   OBSOLETE UPPER CASG BRKT(PF) ALLGW
Glowworm part no. SM6545
 
35   OBSOLETE CSG BRKT (PF)GW ALLR
Glowworm part no. SM8708
 
36   OBSOLETE SPARK GEN BKT(PCF) ALLGWB
Glowworm part no. SM7448
 
37   OBSOLETE SCREW-M6 X 16MM+5DG
Glowworm part no. SK7937
 
38 Part number SK6469, Washer WASHER
Glowworm part no. SK6469
 
39 Part number SK2330, Screw (No8 X 3/8) SCREW (NO8 X 3/8)
Glowworm part no. SK2330
 
40   OBSOLETE PANEL-TOP-GW85-100B
Glowworm part no. SM6708
 
41   OBSOLETE FRONT PANEL-WH GW10BC
Glowworm part no. SM6709
 
42   OBSOLETE STUD-PANEL FASTENER
Glowworm part no. SK4593
 
43   OBSOLETE CLIP-PANEL FASTENER
Glowworm part no. SK4594
 
44   OBSOLETE TERM FRAME ASSY(I)GW8&10B
Glowworm part no. SM6710
 
46   OBSOLETE OUTER SLEEVE ASSY PH 84/439
Glowworm part no. SM4937
 
47   OBSOLETE B/FTERM-GW65-80/85-100B 84/199
Glowworm part no. M7060
 
48   OBSOLETE T/SLVE ASSY(SW)GW8&10B 84/199
Glowworm part no. SM7067
 
49   OBSOLETE WIRE GUARD GW 80B&100B S12/41
Glowworm part no. SM5601
 
50   OBSOLETE OTRBAF-TERMBUFF GW8&10B S12/42
Glowworm part no. SM5602
 
51   OBSOLETE SPACER-FLUE BAFFLE 3/8 X57MM
Glowworm part no. SK8424
 
52   OBSOLETE TIE ROD(THRD) SS7BGW8&10B
Glowworm part no. SM9600
 
53   OBSOLETE NUT-DOME M6 CP
Glowworm part no. SK6593
 
54 Part number 409233, PHIAL POCKET KIT PHIAL POCKET KIT
Glowworm part no. 409233
 
54 Part number 409234, PHIAL POCKET KIT-SPARES PHIAL POCKET KIT-SPARES
Glowworm part no. 409234
 
55   OBSOLETE GASKET-1/16 AF2000 WTR M/FOLD
Glowworm part no. SK6331
 
56   OBSOLETE PLUG-1/2 RECESSED
Glowworm part no. SK166
 
57 Part number S411194, SIGHT GLASS SIGHT GLASS
Glowworm part no. S411194
£7.01
57 Part number SK5226, NOW USE S411194 SIGHT GLASS NOW USE S411194 SIGHT GLASS
Glowworm part no. SK5226
 
58   OBSOLETE GASKET-1.5MM SIGHT GLASS QC
Glowworm part no. SK9001
 
59   OBSOLETE SEAL-12DIAX1000MM LOOP
Glowworm part no. SK6693
 
60   OBSOLETE SEAL-20DIAX676MM LOOP
Glowworm part no. SK6786
 
61   OBSOLETE INSUL-6MM SIDES QC
Glowworm part no. SK6530
 
62   OBSOLETE INSUL-6MM FRONT QC
Glowworm part no. SK6694
 
63   OBSOLETE INSUL-6MM REAR QC
Glowworm part no. SK6695
 
64   SCREW -M5
Glowworm part no. SK8209
 
65   OBSOLETE SPARK ELECTRODE
Glowworm part no. SK6478
 
66   OBSOLETE PIEZO GENERATOR SPARK QC
Glowworm part no. SK6587
 
67   OBSOLETE SCREW-M4X6MM MS HX HD BZP
Glowworm part no. SK7447
 
68   OBSOLETE IGNITION LEAD ASSY 350MM
Glowworm part no. SWW4610
 
69   OBSOLETE GAS VALVE SPARES KIT
Glowworm part no. 409223
 
69   OBSOLETE G/VALVE-1/2" BSP
Glowworm part no. SK9049
 
70 Part number SK6219, Nut NUT
Glowworm part no. SK6219
 
71 Part number SK6218, Nut - M4 NUT - M4
Glowworm part no. SK6218
£6.80
72   OBSOLETE INJECTOR-3.45MM HOLE QC
Glowworm part no. SK4153
 
73   OBSOLETE ELBOW-1/2" BSP M/F
Glowworm part no. SK739
 
74   OBSOLETE SPACER
Glowworm part no. SM6712
 
75   OBSOLETE UNION-1/2" BSP F/F
Glowworm part no. SK1850
 
75   OBSOLETE UNION ELBOW-3/4 F/F
Glowworm part no. SK4319
 
76   OBSOLETE GAS COCK ALTERNATIVES
Glowworm part no. 900309
 
76 Part number 900313, OBSOLETE GAS COCK-1/2 STRGT-ALTERNATIVE OBSOLETE GAS COCK-1/2 STRGT-ALTERNATIVE
Glowworm part no. 900313
 
76 Part number S900313, OBSOLETE GAS COCK-1/2 STRGT-ALTERNATIVE OBSOLETE GAS COCK-1/2 STRGT-ALTERNATIVE
Glowworm part no. S900313
 
77 Part number 2000800884, Test nipple & screw TEST NIPPLE & SCREW
Glowworm part no. 2000800884
£6.52
77 Part number 12621, NOW USE 2000800884 NIPPLE-TEST 1/8 NOW USE 2000800884 NIPPLE-TEST 1/8
Glowworm part no. 12621
 
77   NOW USE S78129 SCREW-2BA
Glowworm part no. 78129
 
77   SCREW
Glowworm part no. S78129
 
78   OBSOLETE BURNER-7/51946 QC
Glowworm part no. SK6696
 
79   OBSOLETE NUT-WING M6 BRASS
Glowworm part no. SK6303
 
81   OBSOLETE PILOT BURNER-TWIN PBRNR QC
Glowworm part no. SK6518
 
82   OBSOLETE SCREW-M5 X 8MM SLT
Glowworm part no. SK6261
 
83 Part number SK6296, Washer WASHER
Glowworm part no. SK6296
 
84 Part number SK2674, Thermocouple THERMOCOUPLE
Glowworm part no. SK2674
 
85 Part number SK3580, Clip - securing CLIP - SECURING
Glowworm part no. SK3580
£6.80
86   OBSOLETE PILOT TUBE-SPARE-GW 85-100B&C
Glowworm part no. 800073
 
89   OBSOLETE ELBOW-1" BSP M/F
Glowworm part no. SK1556
 
90   OBSOLETE NIPPLE-1" BSP HEX
Glowworm part no. SK1555
 
95   OBSOLETE SCREW-M5 X 10MM SLT
Glowworm part no. SK6287
 
96   OBSOLETE TSTAT-RANCO G1 11675-000
Glowworm part no. SK7090
 
98 Part number SK8968, Transformer 240/24V TRANSFORMER 240/24V
Glowworm part no. SK8968
 
99   SCREW - M4X10MM
Glowworm part no. SK6359
 
100   OBSOLETE WASHER-M4 FORM A PLN ZP
Glowworm part no. SK6558
 
101 Part number SK6361, Shake proof washer (M4) SHAKE PROOF WASHER (M4)
Glowworm part no. SK6361
 
103   OBSOLETE PROGRAMMER KIT
Glowworm part no. 409220
 
104   OBSOLETE SELECTOR SWITCH
Glowworm part no. SK6468
 
105   OBSOLETE SCREW-M5X6MM
Glowworm part no. SK6559
 
106   OBSOLETE WASHER-S/PROOF M3 ZP EXT TEETH
Glowworm part no. SK6362
 
107   OBSOLETE NUT-M3 HEX FULL ZP
Glowworm part no. SK6363
 
110   OBSOLETE CLIP-KNOB
Glowworm part no. SK6563
 
111   OBSOLETE CONTROL KNOB
Glowworm part no. SK6562
 
112   OBSOLETE CLIP-KNOB
Glowworm part no. SK6564
 
113   OBSOLETE CONTROL KNOB ASSY
Glowworm part no. M7024
 
114 Part number 403095, OBSOLETE CLIP- D-SPIRE OBSOLETE CLIP- D-SPIRE
Glowworm part no. 403095
 
114 Part number S403095, D clip for control knob D CLIP FOR CONTROL KNOB
Glowworm part no. S403095
 
115   OBSOLETE ACRYLIC SLIDE
Glowworm part no. SK6569
 
116   OBSOLETE FUSE-INLINE 0.5A 151-538
Glowworm part no. SK4644
 
118   CLIP - EDGE CABLE
Glowworm part no. SK6899
 
122   OBSOLETE CTRL PNL-BASIC-GW85-100BC
Glowworm part no. SM9062
 
124   OBSOLETE SLIDE-TRANSPARENT
Glowworm part no. SK8797
 
126   OBSOLETE SCREW-NO4X5/16 PLASTITE BZP
Glowworm part no. SK8858
 
127   OBSOLETE CONTROL KNOB-T/STAT QC
Glowworm part no. SK8796
 
128   OBSOLETE CONTROL KNOB ASSY
Glowworm part no. M8802
 
130   OBSOLETE TOP PANEL-WH GW10B
Glowworm part no. SM8855
 
131   OBSOLETE DOOR LATCH-FASTEX
Glowworm part no. SK8630
 
132   OBSOLETE DOOR STRIKE-FASTEX
Glowworm part no. SK8631
 
134   OBSOLETE LHS PANEL ASSY------PH(I)
Glowworm part no. M8870
 
135   OBSOLETE RHS PANEL ASSY------PH(I)
Glowworm part no. M8871
 



Heating spares made simple this website is secured by Geotrust