Official Stockist

  • Your Shopping BasketYour Shopping Baske

    Empty
  • SSL Secure Connection


Official Stockist

Diagram & User Manual Search

Quickly locate your appliance and order replacement parts using our secure online payment facility.

  • Over 20,000 appliances available
  • Simply click on the part to buy
  • Secure online payment
  • Next day delivery

Detailed Search




  

Specific Search



  

Created by Gas Engineers, for Gas Engineers • We only sell Genuine Boiler Spares • HSP - Where The Trade Buy

IDEAL
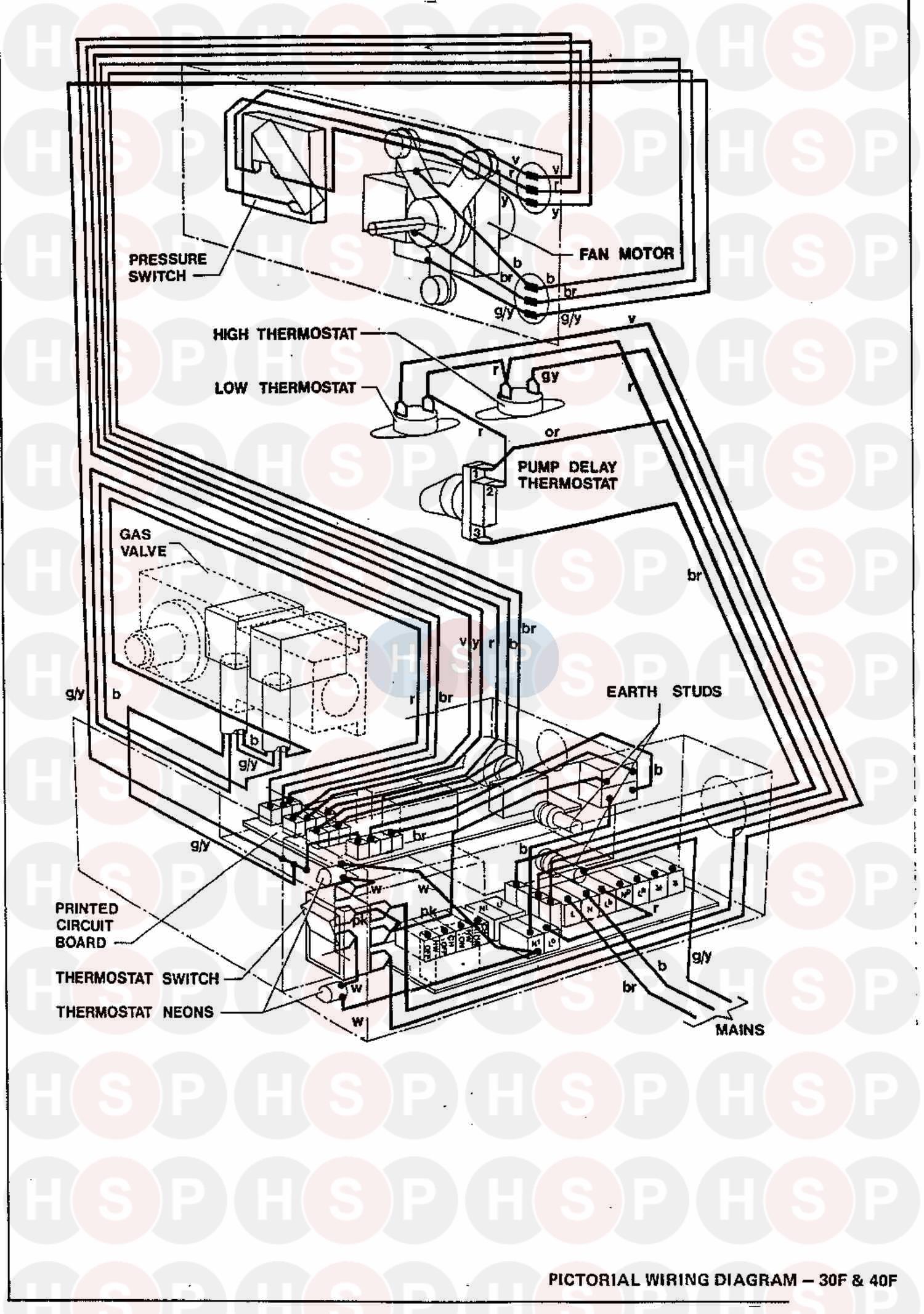
EXCEL 40F - (Wiring Diagram 3)
Appliance Code: 41-415-34

Appliance Diagram


Wiring Diagram 3 diagram for Ideal Excel 40FClick the diagram to open it on a new page

You can then pinch & zoom to adjust the size.

0   1/8 PRESSURE TEST NIPPLE
Ideal part no. 000030
£10.40
0   O RING 21.9 I/D X 2.62 DES 0038 MN80
Ideal part no. 003988
£2.59
0   OBSOLETE COVER EXCEL/ELAN 45900401-008
Ideal part no. 004185
£8.25
0   MAGNETIC CATCH MX SL
Ideal part no. 004246
£3.17
0 Part number 013514, NO 10X2 1/2IN WOOD SCREW RD HD DES 0250 NO 10X2 1/2IN WOOD SCREW RD HD DES 0250
Ideal part no. 013514
£2.47
0 Part number 3106, S TYPE EDGE CLIP FT22970 S TYPE EDGE CLIP FT22970
Ideal part no. 3106
£2.06
0   OBSOLETE ORANGE LENSES SPRINT
Ideal part no. 003938
 
0   OBSOLETE SPACER SUPPORT HEYCO 3686
Ideal part no. 004139
 
0   OBSOLETE PCB SUPPORT-CBS1019
Ideal part no. 013348
 
0   OBSOLETE PUSH SPACER - PS-4R
Ideal part no. 013349
 
0   OBSOLETE CTRL BOX CVR ELAN/TURBO
Ideal part no. 058689
 
0 Part number 065652, OBSOLETE TEKNIGAS SOLENOID REF 25146 OBSOLETE TEKNIGAS SOLENOID REF 25146
Ideal part no. 065652
 
0   OBSOLETE WATER MFLD 2715 GASKET:EXCEL
Ideal part no. 130079
 
0   OBSOLETE CROSS TRIM XL RSCF 50/60F
Ideal part no. 130083
 
0   OBSOLETE INPUT WIRE HRNS XL 60F
Ideal part no. 130714
 
0   OBSOLETE GAS VALVE WRNG HRNS XL30-40F
Ideal part no. 132864
 
1   OBSOLETE HT EXCHANGER XL 30/40F.
Ideal part no. 078738
 
2   OBSOLETE C/HOOD W/SEAL ROPE XL 30/40F
Ideal part no. 078740
 
3   OBSOLETE COMB CHAMBER ASSY EXCEL (A)
Ideal part no. 130670
 
4   OBSOLETE COM CHAMB INSUL XL 30/40F
Ideal part no. 078742
 
6   OBSOLETE BNR MANIFOLD ASS EXCEL 30/40F
Ideal part no. 132818
 
7   OBSOLETE GAS INLET M/FOLD EXL 30/40F
Ideal part no. 132817
 
8   OBSOLETE PILOT PIPE ASS XL30/40F
Ideal part no. 078747
 
9   OBSOLETE MAIN BURNER AC19/123236.
Ideal part no. 013677
 
10   OBSOLETE INJECTOR BNR BRAY CAT 10 SIZE 1200
Ideal part no. 004190
 
11 Part number 078716, PILOT BURNER - HONEYWELL PILOT BURNER - HONEYWELL
Ideal part no. 078716
£21.73
12 Part number 003825, INJECTOR PILOT HONEYWELL 45900421-029 INJECTOR PILOT HONEYWELL 45900421-029
Ideal part no. 003825
 
13   OBSOLETE PILOT BNR SEALING PLT XL
Ideal part no. 078749
 
15   OBSOLETE GASCOCK ASSY 004913/924/919
Ideal part no. 077012
 
16   OBSOLETE IGN ELECTRODE VERNITRON NO 609
Ideal part no. 004364
 
17   OBSOLETE BNR & CTRLS ASS:XL 40F
Ideal part no. 132831
 
18   OBSOLETE PCB 8A BOARD (404202)
Ideal part no. 060556
 
18   OBSOLETE CTRL BOX:EXCEL 30/40F
Ideal part no. 132839
 
19 Part number 132789, PCB 7B W/LINK XL30/60F PCB 7B W/LINK XL30/60F
Ideal part no. 132789
 
20   OBSOLETE DOUBLE POLE ROCKER SWITCH C1470
Ideal part no. 004352
 
21   OBSOLETE WIRE ENDED NEON ASS ELAN/EXCEL
Ideal part no. 058566
 
22   OBSOLETE HIGH THERMOSTAT 2455R-821-5
Ideal part no. 013554
 
23 Part number 013472, OBSOLETE LOW SETTING STAT ELM 2455R-821 OBSOLETE LOW SETTING STAT ELM 2455R-821
Ideal part no. 013472
 
24 Part number 013370, STAT TEXAS T20600D043-757. STAT TEXAS T20600D043-757.
Ideal part no. 013370
£16.83
25   OBSOLETE T/STAT WIRING HARNESS XL30/40/
Ideal part no. 130099
 
26 Part number 130666, OBSOLETE FAN ASSY XL30F/40F OBSOLETE FAN ASSY XL30F/40F
Ideal part no. 130666
 
29   OBSOLETE PRESSURE SWITCH DUNGS 1.5 XL
Ideal part no. 004327
 
30 Part number 078753, OBSOLETE PRES SENSE PIPE.EXCEL OBSOLETE PRES SENSE PIPE.EXCEL
Ideal part no. 078753
 
31   OBSOLETE WIRING HARNESS ASSY ELAN 2 FAN
Ideal part no. 130715
 
33   OBSOLETE LH AIR DEF ASS:EXCEL 30/40F
Ideal part no. 130969
 
34   OBSOLETE RH AIR DEF ASS:EXCEL 30F/40F
Ideal part no. 130968
 
37   OBSOLETE CTRL CSG BTM PNL ASS:XL 30/40F
Ideal part no. 130679
 
38   OBSOLETE CNT CSG DOOR W/SLEEVE XL
Ideal part no. 079665
 
39   OBSOLETE CONCEALMENT PNL ASS:XL 30-60F
Ideal part no. 131311
 
41   OBSOLETE WALL MNTG PLT W/FIX XL30/40F
Ideal part no. 078754
 
44   OBSOLETE D PACK FLUE EXT :EXCEL 60F
Ideal part no. 130654
 
45   OBSOLETE PROGRAMMER KIT:EXCEL MK1
Ideal part no. 130779
 
46   OBSOLETE GAS VALVE 2574110/23 TEKNIGAS 1/2" BSP
Ideal part no. 004430
 
47   OBSOLETE 240 VOLT G54 COILS PT NO C27AA
Ideal part no. 065442
 
48   OBSOLETE H/WARE PK:EXCEL 30/60F
Ideal part no. 130688
 
49   OBSOLETE PCB 14 PUMP DELAY XL F
Ideal part no. 133684
 
50   OBSOLETE PUMP DELAY TIMER XL FAN
Ideal part no. 134372
 
51   OBSOLETE SET OF FACIA SIDE TRIMS XL F
Ideal part no. 079261
 
52   OBSOLETE INSTALLATION PACK 30/40F EXCEL
Ideal part no. 130660
 
54   OBSOLETE JKT SEAL ELAN 2 FAN
Ideal part no. 130871
 
55   DRAIN COCK 1/2 INCH
Ideal part no. 004166
 
56   OBSOLETE FUSES FOR NO 8APCB 3 AMP XLF.
Ideal part no. 065666
 
57 Part number 132788, PCB 7A LINK ASSY EXCEL F PCB 7A LINK ASSY EXCEL F
Ideal part no. 132788
£2.24
58   OBSOLETE REWORK KIT-TEKNIGAS:XL30/40F
Ideal part no. 134538
 
59   OBSOLETE RE-WORK/SERVICE KIT :XL50/60F
Ideal part no. 134751
 
60   OBSOLETE 1 AMP FUSES BOARD 7
Ideal part no. 065668
 



Heating spares made simple this website is secured by Geotrust