Official Stockist

  • Your Shopping BasketYour Shopping Baske

    Empty
  • SSL Secure Connection


Official Stockist

Diagram & User Manual Search

Quickly locate your appliance and order replacement parts using our secure online payment facility.

  • Over 20,000 appliances available
  • Simply click on the part to buy
  • Secure online payment
  • Next day delivery

Detailed Search




  

Specific Search



  

Created by Gas Engineers, for Gas Engineers • We only sell Genuine Boiler Spares • HSP - Where The Trade Buy

IDEAL
MEXICO SUPER 70 FF - (Boiler 2)
Appliance Code: 41-349-81

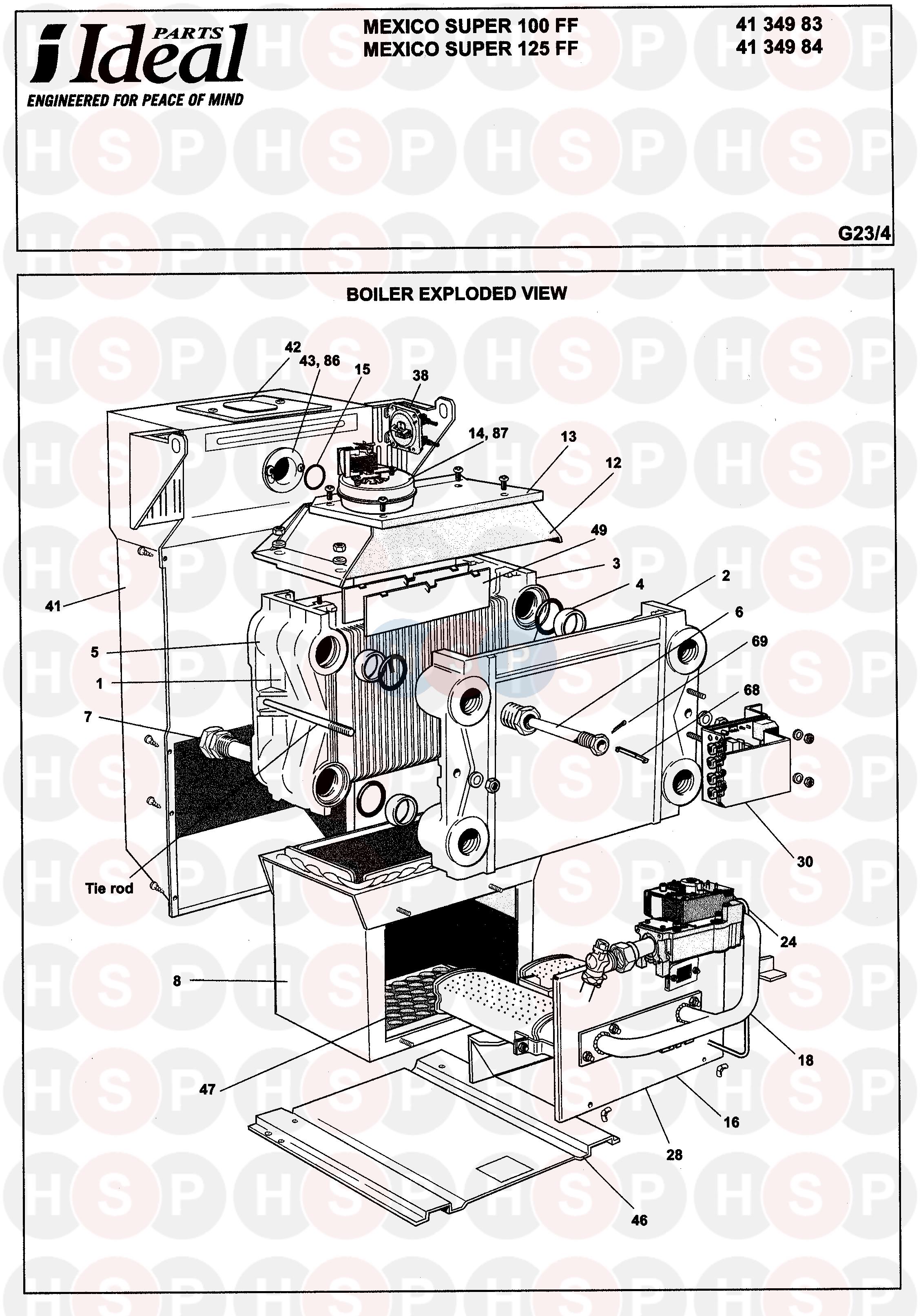
Appliance Diagram


Boiler 2 diagram for Ideal Mexico Super 70 FFClick the diagram to open it on a new page

You can then pinch & zoom to adjust the size.

1   HT EXCH ASS MX 3 RS40
Ideal part no. 150741
£184.57
1 Part number 150742, HT EXCH ASS MX 3 RS50-80 HT EXCH ASS MX 3 RS50-80
Ideal part no. 150742
 
1   OBSOLETE HT EXCH ASS MX 3 RS100
Ideal part no. 150743
 
1   HT EXCH ASS MX 3 RS125
Ideal part no. 150744
 
6 Part number 055865, T/STAT POCKET ASS 6339004 T/STAT POCKET ASS 6339004
Ideal part no. 055865
£26.82
6   OBSOLETE T/STAT POCKET ASS 6339011
Ideal part no. 002523
 
7   DIST TUBE ASS MX RS/CF100
Ideal part no. 057160
£41.14
7 Part number 057159, OBSOLETE DIST TUBE ASS MEX 50/80 OBSOLETE DIST TUBE ASS MEX 50/80
Ideal part no. 057159
 
7   OBSOLETE DIST TUBE ASS MEX 40
Ideal part no. 059037
 
7   OBSOLETE DIST TUBE ASS MEX RS125
Ideal part no. 059706
 
8 Part number 075278, C/CHBR with INSL/SEALS:MX2 BED RS40 C/CHBR WITH INSL/SEALS:MX2 BED RS40
Ideal part no. 075278
£65.54
8   OBSOLETE C/CHBR WITH INSL/SEALS:MX2 BED RS50
Ideal part no. 075279
 
8   OBSOLETE C/CHBR WITH INSL/SEALS:MX2 BED RS70
Ideal part no. 075280
 
8 Part number 075281, C/CHBR WITH INSL/SEALS:MX2BED RS100 C/CHBR WITH INSL/SEALS:MX2BED RS100
Ideal part no. 075281
 
8   OBSOLETE C/CHBR WITH INSL/SEALS:MX2BED RS125
Ideal part no. 075282
 
9   C/CHBR SD INSL+FTTGS:MX2BED 40
Ideal part no. 075283
£12.05
9   OBSOLETE C/CHBR SD INSL+FTTG:MX2 BED 50
Ideal part no. 075284
 
9 Part number 075285, OBSOLETE C/CHBR SD INSL+FTTG:MX2BED 100 OBSOLETE C/CHBR SD INSL+FTTG:MX2BED 100
Ideal part no. 075285
 
9 Part number 075286, OBSOLETE C/CHBR SD INSL+FTTG:MX2BED 125 OBSOLETE C/CHBR SD INSL+FTTG:MX2BED 125
Ideal part no. 075286
 
10 Part number 075287, OBSOLETE C/CHBR FRT INS+FTTGS:MX2BED OBSOLETE C/CHBR FRT INS+FTTGS:MX2BED
Ideal part no. 075287
 
11 Part number 075288, OBSOLETE C/CHBR REAR INS AND FTTGS:MX2BED OBSOLETE C/CHBR REAR INS AND FTTGS:MX2BED
Ideal part no. 075288
 
12   OBSOLETE COLL HOOD ASSY MEXICO FF40
Ideal part no. 153735
 
12   COLL HOOD ASSY MEXICO FF50-80
Ideal part no. 153736
 
12   OBSOLETE COLL HOOD ASSY MEXICO FF100
Ideal part no. 153737
 
12   OBSOLETE COLL HOOD ASSY MEXICO FF125
Ideal part no. 153738
 
13   OBSOLETE FAN PLATE S/ASSEMBLY MEXICO FF40
Ideal part no. 079881
 
13   OBSOLETE FAN PLATE S/ASSEMBLY MEXICO FF50
Ideal part no. 079882
 
13   OBSOLETE FAN PLATE S/ASSEMBLY MEXICO FF60
Ideal part no. 079883
 
13   OBSOLETE FAN PLATE S/ASSEMBLY MEXICO FF70
Ideal part no. 079884
 
13   OBSOLETE FAN PLATE S/ASSEMBLY MEXICO FF80
Ideal part no. 079885
 
13   OBSOLETE FAN PLATE S/ASSEMBLY MEXICO FF100
Ideal part no. 079886
 
13   OBSOLETE FAN PLATE S/ASSEMBLY MEXICO FF125
Ideal part no. 079887
 
14 Part number 079888, FAN ASSEMBLY MEXICO FF40-80 FAN ASSEMBLY MEXICO FF40-80
Ideal part no. 079888
£360.47
14 Part number 079889, FAN ASSEMBLY MEXICO FF100-125 FAN ASSEMBLY MEXICO FF100-125
Ideal part no. 079889
£360.47
15   O RING 50.39I/DX3.53 DES 0038 VF3/00/10
Ideal part no. 153207
£4.30
16   OBSOLETE FRTPLT/GAS LINE ASS MEXICO FF40
Ideal part no. 153728
 
16   OBSOLETE FRTPLT/GAS LINE ASS MEXICO FF50
Ideal part no. 153729
 
16   OBSOLETE FRTPLT/GAS LINE ASS MEXICO FF60
Ideal part no. 153730
 
16   OBSOLETE FRTPLT/GAS LINE ASS MEXICO FF70
Ideal part no. 153731
 
16   OBSOLETE FRTPLT/GAS LINE ASS MEXICO FF80
Ideal part no. 153732
 
16   OBSOLETE FRTPLT/GAS LINE ASS MEXICO FF100
Ideal part no. 153733
 
16   OBSOLETE FRTPLT/GAS LINE ASS MEXICO FF125
Ideal part no. 153734
 
17 Part number 079334, OBSOLETE SIGHT GLASS ASSEMBLY OBSOLETE SIGHT GLASS ASSEMBLY
Ideal part no. 079334
 
17 Part number 079334, OBSOLETE SIGHT GLASS ASSEMBLY OBSOLETE SIGHT GLASS ASSEMBLY
Ideal part no. 079334
 
18   BNR MFLD ASS PTD MX CF100 UP
Ideal part no. 135620
£33.16
18   OBSOLETE BNR MANIFOLD ASS PTD MX 40-80
Ideal part no. 100598
 
19   PILOT PIPE+FTTGS:MX2 BED RS100
Ideal part no. 075289
 
19   OBSOLETE PILOT PIPE+FTTGS:MX2 BED RS125
Ideal part no. 075290
 
19   OBSOLETE PILOT PIPE ASS MX2 RS40
Ideal part no. 079749
 
19   OBSOLETE PILOT PIPE ASS MX 2 RS 50/60
Ideal part no. 079750
 
19   OBSOLETE PILOT PIPE ASS MX2 RS70/80
Ideal part no. 079751
 
20 Part number 012959, LH MAIN BURNER AC19/123216 LH MAIN BURNER AC19/123216
Ideal part no. 012959
£227.08
20 Part number 013857, MAIN BURNER AC19/123244 MAIN BURNER AC19/123244
Ideal part no. 013857
 
20   MAIN BURNER AC19/123266
Ideal part no. 113187
 
20   MAIN BURNER AC19/123267
Ideal part no. 113188
 
20   OBSOLETE RH MAIN BURNER AC19/123298
Ideal part no. 150865
 
20 Part number 150871, RH MAIN BURNER AC19/123299 OBSOLETE RH MAIN BURNER AC19/123299 OBSOLETE
Ideal part no. 150871
 
20 Part number 153203, OBSOLETE MAIN BURNER - RH MEXICO FF125 OBSOLETE MAIN BURNER - RH MEXICO FF125
Ideal part no. 153203
 
21   INJECTOR BNR BRAY CAT 103 SIZE 1700
Ideal part no. 150986
£3.17
21   OBSOLETE INJECTOR BNR BRAY CAT 10 SIZE 1400
Ideal part no. 003361
 
21   OBSOLETE INJECTOR BNR BRAY CAT 10 SIZE 2200
Ideal part no. 004049
 
21   OBSOLETE INJECTOR BNR BRAY CAT 10 SIZE 1200
Ideal part no. 004190
 
21 Part number 004305, OBSOLETE INJECTOR BNR BRAY CAT 10 SIZE 1700 OBSOLETE INJECTOR BNR BRAY CAT 10 SIZE 1700
Ideal part no. 004305
 
21   OBSOLETE INJECTOR BNR BRAY CAT 10 SIZE 2300
Ideal part no. 004760
 
22 Part number 075291, PILOT BNR ASSY Q385A2036 PILOT BNR ASSY Q385A2036
Ideal part no. 075291
 
23 Part number 003825, INJECTOR PILOT HONEYWELL 45900421-029 INJECTOR PILOT HONEYWELL 45900421-029
Ideal part no. 003825
 
24 Part number 170663, GAS VALVE ASSEMBLY MEXICO FF40-80 GAS VALVE ASSEMBLY MEXICO FF40-80
Ideal part no. 170663
£229.56
24 Part number 170664, GAS VALVE ASSEMBLY MEXICO FF100-125 GAS VALVE ASSEMBLY MEXICO FF100-125
Ideal part no. 170664
£213.65
25 Part number 003248, O-RING 25.0 I/D X 4.0 DES 0038 MN70 O-RING 25.0 I/D X 4.0 DES 0038 MN70
Ideal part no. 003248
£9.29
26 Part number 151079, IGN ELECTRODE H/W 45900413-004 IGN ELECTRODE H/W 45900413-004
Ideal part no. 151079
 
27 Part number 058826, 900mm H T LEADS CON 400/1450 900MM H T LEADS CON 400/1450
Ideal part no. 058826
 
27 Part number 130918, H T LEAD ASSY 1100mm LG SPRINT H T LEAD ASSY 1100MM LG SPRINT
Ideal part no. 130918
 
28 Part number 013580, 1/2INR/ANGLED GAS COCK F/F 1/2INR/ANGLED GAS COCK F/F
Ideal part no. 013580
 
29   PCB CHASSIS ASSEMBLY MEXICO FF
Ideal part no. 079892
£22.83
30 Part number 170665, PCB SUB ASSY MEXICO FF PCB SUB ASSY MEXICO FF
Ideal part no. 170665
£234.37
31   APS/FAN HARNESS MEXICO FF
Ideal part no. 153193
£12.79
32   OBSOLETE GAS VALVE HARNESS MEXICO FF
Ideal part no. 153195
 
33   PCB CONTROL HARNESS MEXICO FF
Ideal part no. 153216
£6.47
34 Part number 004420, PCB SUPPORT CLIP TCBS-6 PCB SUPPORT CLIP TCBS-6
Ideal part no. 004420
£3.06
37   PCB COVER MEXICO FF
Ideal part no. 153201
£4.66
38   OBSOLETE AIR PRESSURE SWITCH
Ideal part no. 155412
 
39 Part number 171468, PRESSURE SENSING PIPE KIT CLA FF PRESSURE SENSING PIPE KIT CLA FF
Ideal part no. 171468
£17.34
41   TURRET ASSEMBLY MEXICO FF40-80
Ideal part no. 153739
£63.13
42   OBSOLETE TURRET ACCESS COVER ASS MEXICO FF
Ideal part no. 153740
 
43   FLUE CONNECTOR-MEXICO FF
Ideal part no. 153206
£8.61
44   OBSOLETE AIR DUCT SLG PLT AS PTD CL2
Ideal part no. 110886
 
45   AIR DUCT SLG PLT GASKET CL2
Ideal part no. 110887
 
46   OBSOLETE BOILER BASE PLATE MEX 40-100
Ideal part no. 134236
 
46   OBSOLETE BLR BASE PLATE MX RS/CF125
Ideal part no. 134237
 
47   HT SHIELD-BASE PLATE MX3 100
Ideal part no. 150838
£2.13
47   HT SHIELD-BASE PLATE MX3 125
Ideal part no. 150839
£3.95
48   OBSOLETE H/WARE PK MEX RS/CF40
Ideal part no. 013915
 
48   H/WARE PK MEX RS/CF50-80
Ideal part no. 013916
 
48   OBSOLETE H/WARE PK MEX RS/CF100
Ideal part no. 013918
 
48   OBSOLETE H/WARE PK MEX RS/CF125
Ideal part no. 013919
 
48   OBSOLETE H/WARE PK FS50-80FF
Ideal part no. 154094
 
49   OBSOLETE FLUEWAY BAFFLE KIT MEXICO FF40-100
Ideal part no. 079890
 
49   OBSOLETE FLUEWAY BAFFLE KIT MEXICO FF125
Ideal part no. 079891
 
50   OBSOLETE PILOT SEALING GASKET MEXICO FF
Ideal part no. 012538
 
51 Part number 053596, OBSOLETE SEALING PLT MEX RS 40-125 OBSOLETE SEALING PLT MEX RS 40-125
Ideal part no. 053596
 
52 Part number 069929, OBSOLETE PLASTIC IMPELLER WCF690152-01 OBSOLETE PLASTIC IMPELLER WCF690152-01
Ideal part no. 069929
£9.95
53   FLUE HARDWARE PACK MEXICO FF
Ideal part no. 153724
£32.11
53   FLUE HARDWARE PACK FS50-80FF
Ideal part no. 154095
£24.79
54 Part number 171483, FLUE ELBOW ASSY KIT CLA FF FLUE ELBOW ASSY KIT CLA FF
Ideal part no. 171483
 
55   OBSOLETE FLUE EXTENSION TUBE(TOP) MEXICO FF
Ideal part no. 153399
 
56   FLUE EXTENSION TUBE ASS (REAR)MEXICO FF
Ideal part no. 153749
£7.13
57   OBSOLETE FLUE EXTENSION TUBE ASS (SIDE)MEXICO FF
Ideal part no. 153750
 
58   WALL TEMPLATE MEXICO FF
Ideal part no. 153648
£3.53
58   WALL MTG TEMPLATE FS40-125FF
Ideal part no. 153979
£5.46
59 Part number 111521, SEALING RING ASSY NF FLUE PCK CL2 SEALING RING ASSY NF FLUE PCK CL2
Ideal part no. 111521
 
60   OBSOLETE TERMINAL WALL PLATE (PLASTIC 15881)
Ideal part no. 131662
 
61   SIDE OUTLET PLATE PACK70/80
Ideal part no. 170493
£8.08
62   OBSOLETE JACKET COMPLETE MEXICO FF40-100
Ideal part no. 079893
 
62   OBSOLETE JACKET COMPLETE MEXICO FF125
Ideal part no. 079894
 
62   OBSOLETE JACKET COMPLETE HENRAD FS 40-100
Ideal part no. 170682
 
63   OBSOLETE CONTROLS PANEL COMPLETE MEXICO FF
Ideal part no. 079895
 
63   OBSOLETE CONTROL PANEL COMPLETE HENRAD FS FF
Ideal part no. 170684
 
64   OBSOLETE CONTROLS PANEL(STD BLR)MEXICO FF
Ideal part no. 153227
 
64   OBSOLETE CONTROLS PANEL FS50-70FF
Ideal part no. 154036
 
65   OBSOLETE CONTROL BOX ASS MEXICO FF
Ideal part no. 079897
 
66 Part number 151903, CTRL STAT-RANCO REF K36-P1354 CTRL STAT-RANCO REF K36-P1354
Ideal part no. 151903
 
67 Part number 111904, CONTROL KNOB ASSY CONTROL KNOB ASSY
Ideal part no. 111904
 
68   THERMO PHIAL BRKT MEX
Ideal part no. 057454
 
69 Part number 003147, SPLIT PIN 1/16 X 1 BRASS SPLIT PIN 1/16 X 1 BRASS
Ideal part no. 003147
£2.91
70 Part number 003022, OBSOLETE AMBER PROG LENS CLIP OBSOLETE AMBER PROG LENS CLIP
Ideal part no. 003022
 
71   OBSOLETE CONTROLS FRONT PANEL ASS MEXICO FF
Ideal part no. 079896
 
71   OBSOLETE CONTROLS FRONT PANEL ASSY HENRAD FS FF
Ideal part no. 170685
 
72   OBSOLETE MAGNETIC STRIP 210 X 13MM
Ideal part no. 151997
 
73   OBSOLETE JACKET SIDE PANEL ASS LH MEXICO FF40-100
Ideal part no. 170658
 
73   OBSOLETE JACKET SIDE PANEL ASS LH MEXICO FF125
Ideal part no. 170660
 
74   OBSOLETE JACKET SIDE PANEL ASS RH MEXICO FF40-100
Ideal part no. 170659
 
74   OBSOLETE JACKET SIDE PANEL ASS RH MEXICO FF125
Ideal part no. 170661
 
75 Part number 170662, JACKET FRONT PANEL ASS MEXICO FF JACKET FRONT PANEL ASS MEXICO FF
Ideal part no. 170662
£38.42
76   OBSOLETE JACKET TOP PANEL ASS MEXICO FF40-100
Ideal part no. 079898
 
76   OBSOLETE JACKET TOP PANEL ASS MEXICO FF125
Ideal part no. 079899
 
77   OBSOLETE GRILLE PANEL MEXICO 3
Ideal part no. 151423
 
78   OBSOLETE JKT FIXING PACK:MX 3 RS/CF/FAN
Ideal part no. 075350
 
80   PROGRAMMER-DIEHL REF 16500 MX3
Ideal part no. 151992
 
81 Part number 139603, ROCKER SWITCH ARCOELH8600VBWHITE ROCKER SWITCH ARCOELH8600VBWHITE
Ideal part no. 139603
£1.98
83   O/HT STAT RANCO LM7-P5108
Ideal part no. 153727
 
84   WIRING S/ASS CLASSIC NF/MEX FF
Ideal part no. 137717
£6.99
85 Part number 171930, THERMOSTAT POCKET KIT THERMOSTAT POCKET KIT
Ideal part no. 171930
£22.75
86   GASKET FLUE CONNECTOR MEXICO FF
Ideal part no. 153912
 
87   GASKET FAN MEXICO FF
Ideal part no. 153935
 



Heating spares made simple this website is secured by Geotrust