Click here to see our Easter working times

Official Stockist

  • Your Shopping BasketYour Shopping Baske

    Empty
  • SSL Secure Connection


Official Stockist

Diagram & User Manual Search

Quickly locate your appliance and order replacement parts using our secure online payment facility.

  • Over 20,000 appliances available
  • Simply click on the part to buy
  • Secure online payment
  • Next day delivery

Detailed Search




  

Specific Search



  

Created by Gas Engineers, for Gas Engineers • We only sell Genuine Boiler Spares • HSP - Where The Trade Buy

IDEAL
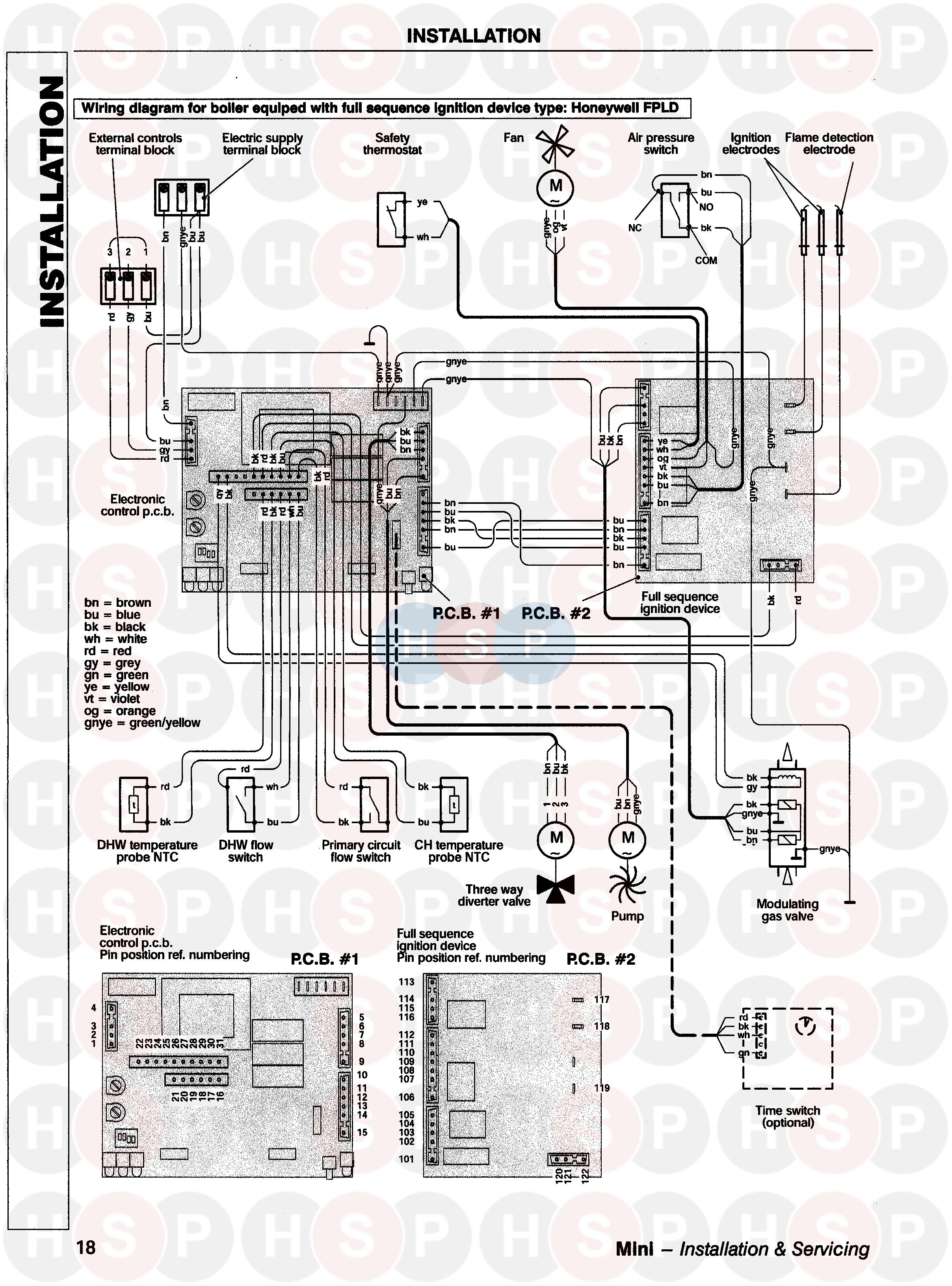
MINI S24 - (Wiring 2)
Appliance Code: 41-392-98

Appliance Diagram


Wiring 2 diagram for Ideal Mini S24Click the diagram to open it on a new page

You can then pinch & zoom to adjust the size.

1 Part number 172494, SAFETY VALVE (BI1131 100) SAFETY VALVE (BI1131 100)
Ideal part no. 172494
£22.34
2 Part number 075474, 1/2 IN SAFETY VLV CONNECTION BI1001 127 1/2 IN SAFETY VLV CONNECTION BI1001 127
Ideal part no. 075474
£5.54
3 Part number 172495, SAFETY VALVE CON.PIPE (BI1131 106) SAFETY VALVE CON.PIPE (BI1131 106)
Ideal part no. 172495
£7.62
4 Part number 172496, SENSOR (BI1001 117) SENSOR (BI1001 117)
Ideal part no. 172496
£18.51
5 Part number 075418, NTC GASKET C80FF BI1001 109 NTC GASKET C80FF BI1001 109
Ideal part no. 075418
£3.06
6 Part number 075480, O RING GASKET 1 78 X 15 6 BI1001 131 O RING GASKET 1 78 X 15 6 BI1001 131
Ideal part no. 075480
£2.10
7 Part number 075409, DRAINAGE VALVE 1/4IN C80FF BI1011 104 DRAINAGE VALVE 1/4IN C80FF BI1011 104
Ideal part no. 075409
 
8 Part number 172497, O RING GASKET 17.04X3.53(KI1043 114) O RING GASKET 17.04X3.53(KI1043 114)
Ideal part no. 172497
 
9 Part number 075472, SCREW M5X16mm HEX SKT BZP RPH BI1001 125 SCREW M5X16MM HEX SKT BZP RPH BI1001 125
Ideal part no. 075472
£2.49
10 Part number 172498, J15/2CM5X30-HEX S/H CAP (KL1217 115) J15/2CM5X30-HEX S/H CAP (KL1217 115)
Ideal part no. 172498
£2.02
11 Part number 172499, RETURN GROUP KIT (BI1131 501) RETURN GROUP KIT (BI1131 501)
Ideal part no. 172499
£133.21
12 Part number 075415, 3/4IN FLAT GASKET C80FF BI1001 108 3/4IN FLAT GASKET C80FF BI1001 108
Ideal part no. 075415
£2.49
14   SCREW M6 X 8MM BZP RPH BI1001 123
Ideal part no. 075471
£2.32
15 Part number 075414, 1/2IN FLAT GASKET BI1001 106 1/2IN FLAT GASKET BI1001 106
Ideal part no. 075414
£3.06
16 Part number 172500, FLOW LIMITER 10L (BI1091 102) FLOW LIMITER 10L (BI1091 102)
Ideal part no. 172500
£8.66
16 Part number 172501, FLOW LIMITER 12L (BI1091 103) FLOW LIMITER 12L (BI1091 103)
Ideal part no. 172501
£8.49
17 Part number 075479, O RING GASKET 2 62 X 20 63 BI1001 130 O RING GASKET 2 62 X 20 63 BI1001 130
Ideal part no. 075479
£2.21
18 Part number 172502, MAGNETIC FLOW SWITCH & FILTER BI1091 502 MAGNETIC FLOW SWITCH & FILTER BI1091 502
Ideal part no. 172502
£56.25
19 Part number 172503, DHW FLOW SWITCH (BI1091 104) DHW FLOW SWITCH (BI1091 104)
Ideal part no. 172503
£55.90
20 Part number 075460, DHW HEAT EXCHANGER & 4 O RINGS C80FF DHW HEAT EXCHANGER & 4 O RINGS C80FF
Ideal part no. 075460
£183.73
20 Part number 173785, DHW HEAT EXCHANGER & 4 O RINGS C95FF DHW HEAT EXCHANGER & 4 O RINGS C95FF
Ideal part no. 173785
£193.38
20 Part number 075540, NOW USE DHW HEAT EXCHANGER+4 O RINGS C95FF NOW USE DHW HEAT EXCHANGER+4 O RINGS C95FF
Ideal part no. 075540
 
21 Part number 075412, BY-PASS PIPE O RING C80FF BI1001 115 BY-PASS PIPE O RING C80FF BI1001 115
Ideal part no. 075412
£3.06
22 Part number 172504, BY-PASS PIPE (BI1131 101) BY-PASS PIPE (BI1131 101)
Ideal part no. 172504
 
23 Part number 075401, DHW HT EXCH O RING C80FFF KI1043 144 DHW HT EXCH O RING C80FFF KI1043 144
Ideal part no. 075401
£2.91
24 Part number 075411, BY-PASS PIPE FXG FORK C80FF BI1001 111 BY-PASS PIPE FXG FORK C80FF BI1001 111
Ideal part no. 075411
 
25 Part number 075478, O RING GASKET 1 78 X 14 BI1001 129 O RING GASKET 1 78 X 14 BI1001 129
Ideal part no. 075478
£2.21
26 Part number 172505, DIVERTER VALVE ACTUATOR (BI1101 102) DIVERTER VALVE ACTUATOR (BI1101 102)
Ideal part no. 172505
£95.83
27 Part number 172506, DVTR.V.ACTUATOR FIX G SP G(BI1101 101) DVTR.V.ACTUATOR FIX G SP G(BI1101 101)
Ideal part no. 172506
£2.47
28 Part number 172507, DIVERTER VALVE KIT (BI1141 501) DIVERTER VALVE KIT (BI1141 501)
Ideal part no. 172507
£114.80
29 Part number 075483, O RING GASKET 2 62 X 23 47 BI1011 107 O RING GASKET 2 62 X 23 47 BI1011 107
Ideal part no. 075483
£3.12
30 Part number 172508, O RING GASKET 2.7X13.6(BI1011 117) O RING GASKET 2.7X13.6(BI1011 117)
Ideal part no. 172508
£2.32
31 Part number 172509, FLOW GROUP KIT (BI1141 500) FLOW GROUP KIT (BI1141 500)
Ideal part no. 172509
£232.62
32 Part number 172510, FLOW GROUP KIT (BI1141 502) FLOW GROUP KIT (BI1141 502)
Ideal part no. 172510
£242.59
33 Part number 075421, CH PRESSURE SWITCH MEMBRANE BI1011 103 CH PRESSURE SWITCH MEMBRANE BI1011 103
Ideal part no. 075421
£10.27
34 Part number 075487, CH PRESSURE SWITCH DISK BI1011 111 CH PRESSURE SWITCH DISK BI1011 111
Ideal part no. 075487
£10.01
35 Part number 075422, CH PRESS SWITCH SPRING C80FF BI1011 110 CH PRESS SWITCH SPRING C80FF BI1011 110
Ideal part no. 075422
£17.34
36 Part number 075486, SCREW M4 X 12 SCH S/S B1011 109 SCREW M4 X 12 SCH S/S B1011 109
Ideal part no. 075486
£2.11
37 Part number 075484, MICROSWITCH GUIDE BUSH BI1011 502 MICROSWITCH GUIDE BUSH BI1011 502
Ideal part no. 075484
£22.86
38 Part number 075419, MICROSWITCH KIT RC80FF BI1011 505 MICROSWITCH KIT RC80FF BI1011 505
Ideal part no. 075419
£25.63
39 Part number 075420, M/SWITCH FXG CLIP C80FF BI1011 105 M/SWITCH FXG CLIP C80FF BI1011 105
Ideal part no. 075420
£2.32
40   OBSOLETE SCREW 2 9X13 AB S/TAP BZP RCH BI1011 108
Ideal part no. 075485
 
41 Part number 075488, BY PASS KIT BI1011 501 BY PASS KIT BI1011 501
Ideal part no. 075488
 
42 Part number 172511, O/H THERMOSTAT FIXING CLIP (BI1172 102) O/H THERMOSTAT FIXING CLIP (BI1172 102)
Ideal part no. 172511
£3.70
43 Part number 172512, O/HEAT STAT (BI1172 105) O/HEAT STAT (BI1172 105)
Ideal part no. 172512
£13.36
44 Part number 172608, MAIN H/E + 2 O-RINGS C24 MAIN H/E + 2 O-RINGS C24
Ideal part no. 172608
£279.72
44 Part number 172609, MAIN H/E + 2 O-RINGS C28 MAIN H/E + 2 O-RINGS C28
Ideal part no. 172609
£310.76
45 Part number 172515, O RING GASKET 17.13X2.62(KI1001 105) O RING GASKET 17.13X2.62(KI1001 105)
Ideal part no. 172515
 
46 Part number 172516, MAIN EXCHANGER CON.CLIP (BI1172 101) MAIN EXCHANGER CON.CLIP (BI1172 101)
Ideal part no. 172516
£3.06
47 Part number 075447, PRIMARY H/E GROMMET C80FF BI1002 113 PRIMARY H/E GROMMET C80FF BI1002 113
Ideal part no. 075447
£11.61
48 Part number 075436, PROBE HOLDER BI1105 108 PROBE HOLDER BI1105 108
Ideal part no. 075436
£2.11
49   MAIN EXCHANGER INLET PIPE (BI1172 108)
Ideal part no. 172517
£17.52
50   FORK (KI1042 115)
Ideal part no. 172518
£2.11
51   FORK (KI1042 120)
Ideal part no. 172519
£2.02
53   PUMP + O-RINGS
Ideal part no. 182444
£306.11
53 Part number 172610, PUMP + 2 O-RINGS C & S 24/28 PUMP + 2 O-RINGS C & S 24/28
Ideal part no. 172610
 
53 Part number 173778, NOW USE 182444 PUMP + O-RINGS NOW USE 182444 PUMP + O-RINGS
Ideal part no. 173778
 
54   OBSOLETE PUMP MOTOR WILO NFHUL 15/5(BI1172 114)
Ideal part no. 172522
 
55 Part number 172523, PUMP GASKET(FRONT) (BI1172 113) PUMP GASKET(FRONT) (BI1172 113)
Ideal part no. 172523
 
56 Part number 172524, PUMP GASKET(REAR) (BI1172 112) PUMP GASKET(REAR) (BI1172 112)
Ideal part no. 172524
 
57 Part number 172525, AUTO AIR VENT (BI1172 111) AUTO AIR VENT (BI1172 111)
Ideal part no. 172525
£30.81
58   PUMP CONNECTION FORK (BI1172 110)
Ideal part no. 172526
£13.23
59   EXP.VESSEL CON. PIPE (BI1172 109)
Ideal part no. 172527
£9.06
60   MAIN EXCHANGER OUTLET PIPE(BI1172 107)
Ideal part no. 172528
£34.90
61 Part number 172529, EXPANSION VESSEL CIMM (BI1172 103) EXPANSION VESSEL CIMM (BI1172 103)
Ideal part no. 172529
£90.73
62 Part number 172530, INJ.& GKTS.77-LPG POLIDORO(KI1064 506) INJ.& GKTS.77-LPG POLIDORO(KI1064 506)
Ideal part no. 172530
£20.89
62 Part number 075692, INJECTORS+GASKETS C95FF KI1064 505 INJECTORS+GASKETS C95FF KI1064 505
Ideal part no. 075692
 
63 Part number 075427, MAIN BURNER POLIDORO C80FF KI1004 102 MAIN BURNER POLIDORO C80FF KI1004 102
Ideal part no. 075427
£78.94
63 Part number 075535, MAIN BURNER C95FF KI1004 147 MAIN BURNER C95FF KI1004 147
Ideal part no. 075535
£97.37
64 Part number 172531, DETECTION ELECTRODE (BI1123 102) DETECTION ELECTRODE (BI1123 102)
Ideal part no. 172531
£12.82
65 Part number 172532, IGNITION ELECTRODE RIGHT (BI1123 103) IGNITION ELECTRODE RIGHT (BI1123 103)
Ideal part no. 172532
£10.46
66 Part number 172533, IGNITION ELECTRODE LEFT (BI1123 101) IGNITION ELECTRODE LEFT (BI1123 101)
Ideal part no. 172533
£10.46
67   GROMMET C80FF BI1002 115
Ideal part no. 075662
£2.19
68 Part number 075511, SCREW NO6B 3 5 X 9 5 C80FF BI1013 115 SCREW NO6B 3 5 X 9 5 C80FF BI1013 115
Ideal part no. 075511
£2.11
69   AIR DEFLECTOR (BI1183 102)
Ideal part no. 172534
£3.66
70   OBSOLETE SCREW M4X8 H/ST BZB RPH C80FF BI1013 111
Ideal part no. 075500
 
71 Part number 003847, NO 8X10 PP SCW S/TAP ZP B DES SPEC 0250 NO 8X10 PP SCW S/TAP ZP B DES SPEC 0250
Ideal part no. 003847
£2.32
73 Part number 172611, GAS VALVE + 2 GASKETS GAS VALVE + 2 GASKETS
Ideal part no. 172611
£232.90
73   OBSOLETE GAS VALVE (BI1093 104)
Ideal part no. 172535
 
74   GAS PIPE TO THE MANIFOLD (BI1183 101)
Ideal part no. 172536
£9.11
75   GAS MAN.& INJ.NG-24KW-POL.(BI1183 103)
Ideal part no. 172537
£54.87
75   GAS MAN.& INJ LPG 24KW-POL.(BI1183 104)
Ideal part no. 172538
£53.74
75   GAS MAN.& INJ NG 28KW-POL.(BI1183 105)
Ideal part no. 172539
£67.35
75   GAS MAN.& INJ LPG 28KW-POL.(BI1183 106)
Ideal part no. 172540
£41.63
76 Part number 172541, C.H.CONNECTION PIPE (BI1084 110) C.H.CONNECTION PIPE (BI1084 110)
Ideal part no. 172541
 
77 Part number 172542, TAP 3/4IN C.H. (BI1084 105) TAP 3/4IN C.H. (BI1084 105)
Ideal part no. 172542
£35.02
78 Part number 172543, TAP 1/2IN D.H.W. (BI1084 101) TAP 1/2IN D.H.W. (BI1084 101)
Ideal part no. 172543
£28.64
79 Part number 172544, TAP 3/4IN GAS (BI1084 100) TAP 3/4IN GAS (BI1084 100)
Ideal part no. 172544
 
80 Part number 075513, 1/2 IN NUT C80FF BI1004 101 1/2 IN NUT C80FF BI1004 101
Ideal part no. 075513
£2.68
80 Part number 075513, 1/2 IN NUT C80FF BI1004 101 1/2 IN NUT C80FF BI1004 101
Ideal part no. 075513
£2.68
81 Part number 172545, PIPE 15mm DIA (BENT) D.H.W.(BI1084 109) PIPE 15MM DIA (BENT) D.H.W.(BI1084 109)
Ideal part no. 172545
£7.57
82 Part number 172546, PIPE 22mm DIA GAS(BI1084 111) PIPE 22MM DIA GAS(BI1084 111)
Ideal part no. 172546
 
83 Part number 172547, PIPE 15mm DIA (STRAIGHT)DHW(BI1084 107) PIPE 15MM DIA (STRAIGHT)DHW(BI1084 107)
Ideal part no. 172547
 
84 Part number 172548, IGNITION PCB (BI1305 101) IGNITION PCB (BI1305 101)
Ideal part no. 172548
£181.46
85 Part number 172707, INFILL PANEL (BI1505 103) INFILL PANEL (BI1505 103)
Ideal part no. 172707
 
86 Part number 172550, O RING GASKET 1.78X6.75(BI1475 119) O RING GASKET 1.78X6.75(BI1475 119)
Ideal part no. 172550
£2.32
87 Part number 172551, PRESSURE GAUGE (BI1475 108) PRESSURE GAUGE (BI1475 108)
Ideal part no. 172551
£49.00
88 Part number 172552, OBSOLETE CONTROLS DOOR (DARK GREY) (BI1505 100) OBSOLETE CONTROLS DOOR (DARK GREY) (BI1505 100)
Ideal part no. 172552
 
90 Part number 172554, CONTROL KNOB (BI1475 102) CONTROL KNOB (BI1475 102)
Ideal part no. 172554
 
91 Part number 172555, KNOB SHAFT (BI1475 105) KNOB SHAFT (BI1475 105)
Ideal part no. 172555
 
92   CONTROL PANEL PLUG (BI1475 110)
Ideal part no. 172556
£2.09
93   CONTROL PANEL BOX (BI1505 101)
Ideal part no. 172557
£14.97
93   CONTROL PANEL BOX (BI1505 102)
Ideal part no. 172558
£12.88
94   CABLE HOLDER (KI1066 208)
Ideal part no. 172559
£2.02
95   TERMINAL BLOCK (BI1475 109)
Ideal part no. 172560
£3.71
96   SCREW 3 5X16 ZP BS1706 C80FF BI1165 101
Ideal part no. 075518
£2.02
97 Part number 172561, LOGIC PCB (BI1475 116) LOGIC PCB (BI1475 116)
Ideal part no. 172561
£261.47
98 Part number 172562, 1.6 AMP FUSE (BI1005 105) 1.6 AMP FUSE (BI1005 105)
Ideal part no. 172562
 
99   SERVICE PANEL COVER (BI1475 111)
Ideal part no. 172563
£3.39
100 Part number 172564, CONTROL PANEL COVER (BI1475 112) CONTROL PANEL COVER (BI1475 112)
Ideal part no. 172564
£8.43
103 Part number 172565, FAN CABLE(BI1485 112) FAN CABLE(BI1485 112)
Ideal part no. 172565
£57.06
104 Part number 172566, IGNITION ELECTRODE LEAD (BI1485 101) IGNITION ELECTRODE LEAD (BI1485 101)
Ideal part no. 172566
£3.82
105 Part number 172567, DETECTION ELECTRODE LEAD (BI1485 102) DETECTION ELECTRODE LEAD (BI1485 102)
Ideal part no. 172567
 
106 Part number 172568, PUMP-DIVERTER VALVE CABLE(BI1485 103) PUMP-DIVERTER VALVE CABLE(BI1485 103)
Ideal part no. 172568
£10.44
106 Part number 172569, PUMP CABLE (BI1485 114) PUMP CABLE (BI1485 114)
Ideal part no. 172569
£8.97
108 Part number 172571, ELEC.CON.PCB-IGN.CON.CBL(BI1485 104) ELEC.CON.PCB-IGN.CON.CBL(BI1485 104)
Ideal part no. 172571
 
109 Part number 172572, DHW FLOW SW.& TEMP.PRB CABLE(BI1485 105) DHW FLOW SW.& TEMP.PRB CABLE(BI1485 105)
Ideal part no. 172572
 
110 Part number 172573, CH/F/S-TEMP.PRB&MOD TR CABLE(BI1485 106) CH/F/S-TEMP.PRB&MOD TR CABLE(BI1485 106)
Ideal part no. 172573
£16.01
111 Part number 172574, POWER SUPPLY & EXT.CTRL CABLE BI1485 107 POWER SUPPLY & EXT.CTRL CABLE BI1485 107
Ideal part no. 172574
£11.17
112   EARTH WIRING (BI1485 108)
Ideal part no. 172575
£2.11
113   M5 X 10 P/P HD SCREW ZP DES SPEC 0250
Ideal part no. 003252
£2.73
115   M5 HEX NUT ZP DES SPEC 0250
Ideal part no. 002586
£2.22
116 Part number 172576, GAS VALVE CABLE (BI1485 109) GAS VALVE CABLE (BI1485 109)
Ideal part no. 172576
£6.56
117   OBSOLETE SIDE CASE PANEL (BI1326 105)
Ideal part no. 172577
 
119   OBSOLETE FRONT CASE PANEL (BI1336 117)
Ideal part no. 172578
 
120 Part number 170977, SIGHT GLASS INCL FRAME (BI1206 118) SIGHT GLASS INCL FRAME (BI1206 118)
Ideal part no. 170977
£11.01
122 Part number 172579, SAMPLING POINT PLUG (BI1336 110) SAMPLING POINT PLUG (BI1336 110)
Ideal part no. 172579
 
123 Part number 172580, SEALED CHAMBER LID (BI1336 100) SEALED CHAMBER LID (BI1336 100)
Ideal part no. 172580
£175.00
124 Part number 172581, SEALED CHAMBER GASKET KIT (BI1336 500) SEALED CHAMBER GASKET KIT (BI1336 500)
Ideal part no. 172581
 
125   AIR DEFLECTOR LEFT C28/S28(BI1336 112)
Ideal part no. 172582
£6.62
126 Part number 172583, COMBUSTION CH.SIDE PANEL (BI1326 100) COMBUSTION CH.SIDE PANEL (BI1326 100)
Ideal part no. 172583
 
127 Part number 172585, COMB.CH.REAR PNL C28/S28 (BI1326 108) COMB.CH.REAR PNL C28/S28 (BI1326 108)
Ideal part no. 172585
£14.96
127   COMB.CH.REAR PNL C24/S24 (BI1326 107)
Ideal part no. 172584
 
128   FLUE HOOD MINI C24/S24 (BI1336 101)
Ideal part no. 172586
£11.88
128   FLUE HOOD MINI C28/S28 (BI1336 102)
Ideal part no. 172587
£70.15
129 Part number 075506, FLUE PRESS SWITCH TUBE C80FF BI1016 107 FLUE PRESS SWITCH TUBE C80FF BI1016 107
Ideal part no. 075506
£22.41
130 Part number 172588, AIR PRESSURE SWITCH C6065FH1227 1.33mbar AIR PRESSURE SWITCH C6065FH1227 1.33MBAR
Ideal part no. 172588
£102.92
130 Part number 172589, AIR PRESSURE SWITCH C6065FH1235 1.53mbar AIR PRESSURE SWITCH C6065FH1235 1.53MBAR
Ideal part no. 172589
£84.70
131 Part number 075497, AIR SWITCH P/TEST POINT C80FF BI1036 101 AIR SWITCH P/TEST POINT C80FF BI1036 101
Ideal part no. 075497
 
132 Part number 172590, FLUE ELBOW(COMPLETE) (BI1336 108) FLUE ELBOW(COMPLETE) (BI1336 108)
Ideal part no. 172590
 
133 Part number 172591, FLUE ELBOW CLAMP (BI1336 113) FLUE ELBOW CLAMP (BI1336 113)
Ideal part no. 172591
£3.01
134   M4 X 16 P/P HD SCREW ZP DES SPEC 0250
Ideal part no. 003086
£2.63
135   GASKET-AIR INTAKE TWIN KIT(BI1016 101)
Ideal part no. 172592
£2.21
136 Part number 075689, TURRET SEALING GASKET C80FF BI1016 104 TURRET SEALING GASKET C80FF BI1016 104
Ideal part no. 075689
 
137   FLUE RESTRICTOR(BI1336 106)
Ideal part no. 172593
£6.55
138   VENTURI DEVICE TUBE (BI1256 101)
Ideal part no. 172594
 
139   OBSOLETE VENTURI (BI1036 108)
Ideal part no. 172595
 
140 Part number 172596, FLUE ELBOW GASKET (BI1336 103) FLUE ELBOW GASKET (BI1336 103)
Ideal part no. 172596
 
141 Part number 172597, FAN 24KW (BI1336 104) FAN 24KW (BI1336 104)
Ideal part no. 172597
£140.91
141 Part number 172598, FAN 28KW (BI1336 116) FAN 28KW (BI1336 116)
Ideal part no. 172598
£185.85
142   OBSOLETE SCREW 3.5X6.5MM AB S/T C80FF BI1013 116
Ideal part no. 075665
 
143   AIR DEFLECTOR RIGHT C28/S28(BI1336 111)
Ideal part no. 172599
£6.53
144 Part number 172600, FLUE SAMPLING POINT CON.(BI1336 109) FLUE SAMPLING POINT CON.(BI1336 109)
Ideal part no. 172600
 
145 Part number 172601, COMB.CH.FR.PNL.MINI C24/S24(BI1326 101) COMB.CH.FR.PNL.MINI C24/S24(BI1326 101)
Ideal part no. 172601
 
145   OBSOLETE COMB.CH.FR.PNL.MINI C28/S28(BI1326 102)
Ideal part no. 172602
 
146 Part number 172708, FILLING LOOP KIT(COMPLETE) (BI1084 112) FILLING LOOP KIT(COMPLETE) (BI1084 112)
Ideal part no. 172708
£40.06
147   WALL MOUNTING PLATE (BI1084 113)
Ideal part no. 172709
£6.19
300 Part number 172734, HARDWARE PACK (BI1084 500) HARDWARE PACK (BI1084 500)
Ideal part no. 172734
 



Heating spares made simple this website is secured by Geotrust