Click here to see our Christmas working times

Official Stockist

  • Your Shopping BasketYour Shopping Baske

    Empty
  • SSL Secure Connection


Official Stockist

Diagram & User Manual Search

Quickly locate your appliance and order replacement parts using our secure online payment facility.

  • Over 20,000 appliances available
  • Simply click on the part to buy
  • Secure online payment
  • Next day delivery

Detailed Search




  

Specific Search



  

Created by Gas Engineers, for Gas Engineers • We only sell Genuine Boiler Spares • HSP - Where The Trade Buy

IDEAL
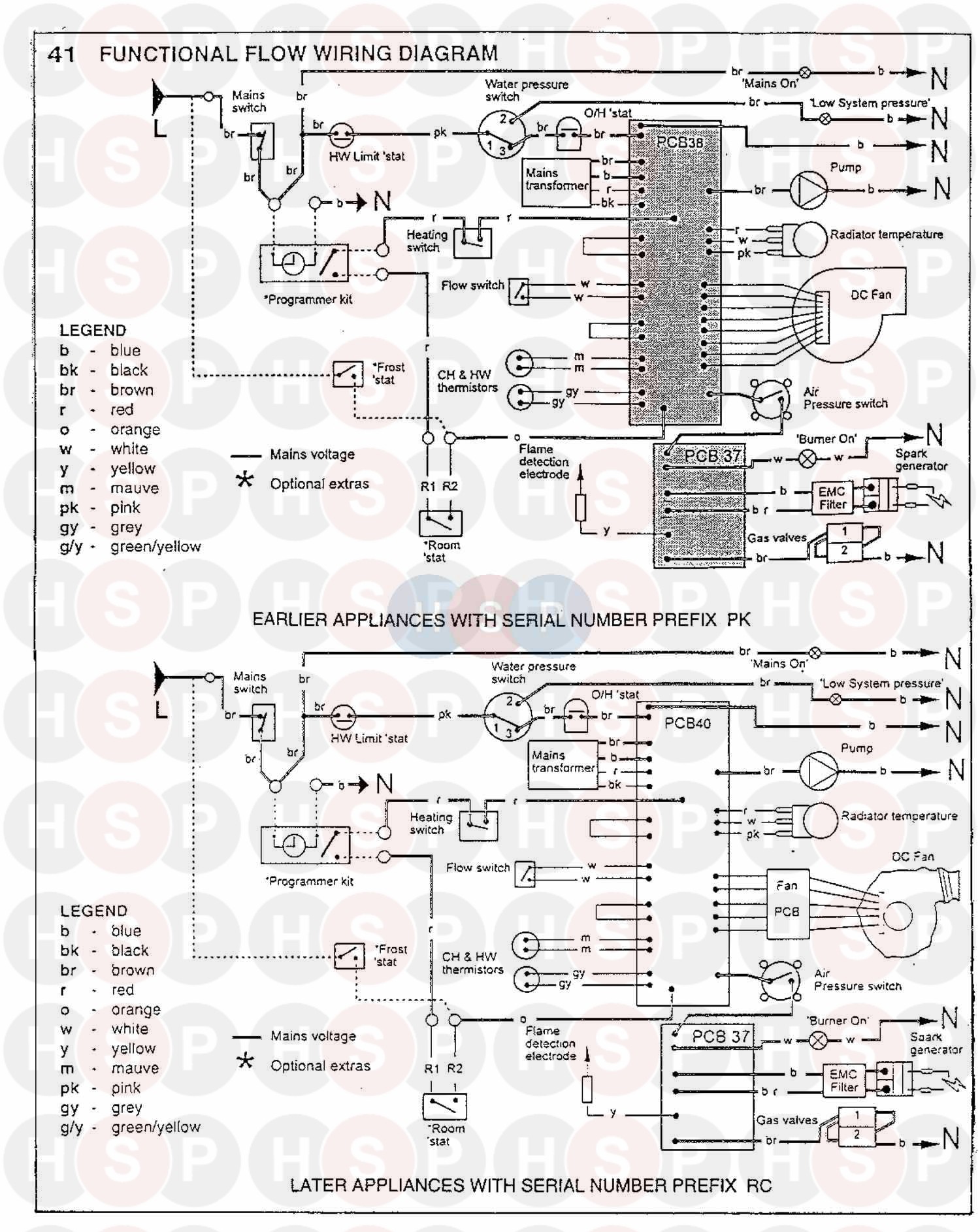
RESPONSE 80 - (Wiring Diagram 3)
Appliance Code: 47-348-02

Appliance Diagram


Wiring Diagram 3 diagram for Ideal Response 80Click the diagram to open it on a new page

You can then pinch & zoom to adjust the size.

0   M4 X 16 P/P HD SCREW ZP DES SPEC 0250
Ideal part no. 003086
£2.63
0   MAINS ON NEON ASSY RESP
Ideal part no. 151349
 
0   OBSOLETE LOW WATER NEON ASSY RESP
Ideal part no. 151350
 
0   BURNER ON NEON ASSY RESP
Ideal part no. 151351
 
1 Part number 075214, OBSOLETE MAIN BURNER ASSY RESP 80 PREFIX PR OBSOLETE MAIN BURNER ASSY RESP 80 PREFIX PR
Ideal part no. 075214
 
1 Part number 075397, OBSOLETE MAINS BURNER RESP 80 PREFIX RC OBSOLETE MAINS BURNER RESP 80 PREFIX RC
Ideal part no. 075397
 
2 Part number 139745, OBSOLETE INJECTOR BNR BRAY CAT 10 SIZE 2300C OBSOLETE INJECTOR BNR BRAY CAT 10 SIZE 2300C
Ideal part no. 139745
 
3 Part number 075212, OBSOLETE GAS VALVE ASSY RESP 80/FF80 OBSOLETE GAS VALVE ASSY RESP 80/FF80
Ideal part no. 075212
 
4 Part number 075268, FLAME SENSING ELECTRODE ASSY FLAME SENSING ELECTRODE ASSY
Ideal part no. 075268
 
5 Part number 075269, OBSOLETE IGNITION ELECTRODE AS RESPONSE OBSOLETE IGNITION ELECTRODE AS RESPONSE
Ideal part no. 075269
 
6 Part number 112417, PRESSURE SWITCH SIT-0380064 MINI/RESP PRESSURE SWITCH SIT-0380064 MINI/RESP
Ideal part no. 112417
£34.31
7 Part number 172853, PCB 41 PACKAGED PCB 41 PACKAGED
Ideal part no. 172853
£138.10
7 Part number 075174, NOW USE 172853 PCB 37 ASSY RESPONSE NOW USE 172853 PCB 37 ASSY RESPONSE
Ideal part no. 075174
 
8 Part number 075264, PCB 40 RESPONSE 120 PACKAGED PCB 40 RESPONSE 120 PACKAGED
Ideal part no. 075264
£161.16
8 Part number 075175, OBSOLETE PCB 38 ASSY RESP 80 OBSOLETE PCB 38 ASSY RESP 80
Ideal part no. 075175
 
9 Part number 075265, FAN SPEED CONTROL ASS RESP 120 FAN SPEED CONTROL ASS RESP 120
Ideal part no. 075265
£128.36
10 Part number 151355, SPARK GENERATOR ASSY RESP SPARK GENERATOR ASSY RESP
Ideal part no. 151355
 
11 Part number 138719, O/HT STAT RANCO LM7P5090000 RESP O/HT STAT RANCO LM7P5090000 RESP
Ideal part no. 138719
£11.97
12 Part number 075176, WATER PRESSURE SWITCH SIT-0340002 WATER PRESSURE SWITCH SIT-0340002
Ideal part no. 075176
 
13 Part number 075266, OBSOLETE DHW O/HT STAT RESPONSE OBSOLETE DHW O/HT STAT RESPONSE
Ideal part no. 075266
 
14 Part number 075201, CH & DHW SENSOR ASSY RESPONSE CH & DHW SENSOR ASSY RESPONSE
Ideal part no. 075201
£18.61
15   OBSOLETE POTENTIOMETER HARNESS 80 RESP
Ideal part no. 151353
 
16 Part number 139296, OBSOLETE CONTROL KNOB RESP OBSOLETE CONTROL KNOB RESP
Ideal part no. 139296
 
17 Part number 138953, PRESSURE GAUGE IMIT-IC96466228 PRESSURE GAUGE IMIT-IC96466228
Ideal part no. 138953
 
18 Part number 139603, ROCKER SWITCH ARCOELH8600VBWHITE ROCKER SWITCH ARCOELH8600VBWHITE
Ideal part no. 139603
£1.98
19 Part number 139368, FAN ASSY RESP/SYS/RES SE FAN ASSY RESP/SYS/RES SE
Ideal part no. 139368
£178.49
19 Part number 138923, OBSOLETE FAN ASSEMBLY 80 RESP OBSOLETE FAN ASSEMBLY 80 RESP
Ideal part no. 138923
 
20   OBSOLETE GROMMET SLEEVE RESP
Ideal part no. 151395
 
21 Part number 075178, PRESSURE RELIEF VALVE ASSY RESPONSE PRESSURE RELIEF VALVE ASSY RESPONSE
Ideal part no. 075178
£20.38
22 Part number 075179, OBSOLETE DHW ESP VESSEL ASSY RESPONSE OBSOLETE DHW ESP VESSEL ASSY RESPONSE
Ideal part no. 075179
 
23 Part number 075200, CH EXP VESSEL ASSY RESPONSE CH EXP VESSEL ASSY RESPONSE
Ideal part no. 075200
£143.95
24 Part number 075180, OBSOLETE PUMP ASSY RESPONSE OBSOLETE PUMP ASSY RESPONSE
Ideal part no. 075180
 
25 Part number 139717, FLOW SWITCH ASSEMBLY RESP FLOW SWITCH ASSEMBLY RESP
Ideal part no. 139717
£95.16
26 Part number 113116, 3/8 IN AUTO AIR VENT 3/8 IN AUTO AIR VENT
Ideal part no. 113116
£31.60
27   OBSOLETE HT EXCH ASSEMBLY 80 RESP(OLD STYLE)
Ideal part no. 151221
 
28   OBSOLETE SENSING PIPE ASSY RESP 80
Ideal part no. 075181
 
28   OBSOLETE P/SENSING PIPE C/W MNT+O RING PREFIX RC
Ideal part no. 075398
 
29   OBSOLETE SENS CLAMP PLT ASSY RESPONSE
Ideal part no. 075183
 
30 Part number 112757, OBSOLETE EMC FILTER-BELLING SF4110-5/01 OBSOLETE EMC FILTER-BELLING SF4110-5/01
Ideal part no. 112757
 
31   OBSOLETE CASING SEAL ASSY RESPONSE
Ideal part no. 075184
 
32   OBSOLETE RETURN PIPE ASSY RESPONSE
Ideal part no. 075185
 
33   OBSOLETE PUMP PIPE ASSY RESPONSE
Ideal part no. 075215
 
34   OBSOLETE CH LWR FLOW PIPE ASS RESPONSE
Ideal part no. 075216
 
35   OBSOLETE CH UPPER FLOW PIPE AS RESPONSE
Ideal part no. 075217
 
36   DHW UPPR CLD PIPE ASS RESPONSE
Ideal part no. 075188
£83.96
37   OBSOLETE DHW UPPER HOT PIPE AS RESPONSE
Ideal part no. 075218
 
38   OBSOLETE DHW LOWER CLD PIPE AS RESPONSE
Ideal part no. 075219
 
39   OBSOLETE DHW LOWER HOT PIPE AS RESPONSE
Ideal part no. 075220
 
40   OBSOLETE FRONT PANEL ASSY PTD RESP
Ideal part no. 151200
 
41   OBSOLETE SLD CSG FT PNL AS RESP
Ideal part no. 151312
 
42   OBSOLETE LH SIDE PANEL ASSY RESPONSE
Ideal part no. 075192
 
43   OBSOLETE RH SIDE PANEL ASSY RESPONSE
Ideal part no. 075193
 
44   OBSOLETE TANK COVER PANEL ASSY RESPONSE
Ideal part no. 075194
 
45   OBSOLETE CONTROLS POD DOOR ASS RESP 80
Ideal part no. 075261
 
46 Part number 004673, OBSOLETE RED NEON LENS CLIP TURBO 2 OBSOLETE RED NEON LENS CLIP TURBO 2
Ideal part no. 004673
 
47 Part number 003022, OBSOLETE AMBER PROG LENS CLIP OBSOLETE AMBER PROG LENS CLIP
Ideal part no. 003022
 
48   OBSOLETE GAS VALVE LEAD ASSY RESP
Ideal part no. 151352
 
49 Part number 151081, BALL VALVE ASSY 22mm INCL DRAIN BALL VALVE ASSY 22MM INCL DRAIN
Ideal part no. 151081
£25.61
50 Part number 151694, OBSOLETE BALL VALVE BODY 15mm UNMCD BOSS OBSOLETE BALL VALVE BODY 15MM UNMCD BOSS
Ideal part no. 151694
 
51   15MM VALVE ASSY RESP 80/120
Ideal part no. 075263
£16.23
52 Part number 151388, FIBRE WASHER 19 I/D X 26 O/D FIBRE WASHER 19 I/D X 26 O/D
Ideal part no. 151388
£2.59
53   WASHER SEALING 12MM
Ideal part no. 150937
£2.33
54 Part number 138112, O RING 91.0 I/D X 2.5 DES 0038 SIL70 O RING 91.0 I/D X 2.5 DES 0038 SIL70
Ideal part no. 138112
£5.44
55 Part number 111739, O RING 47.30 I/D X 2.62 DES 0038 MN70 O RING 47.30 I/D X 2.62 DES 0038 MN70
Ideal part no. 111739
£2.21
56   O RING 6.0 I/D X 1.5 DES 0038 SIL70
Ideal part no. 139945
£1.20
57 Part number 112043, GAS MANIFOLD GASKET MINIMISER GAS MANIFOLD GASKET MINIMISER
Ideal part no. 112043
£2.06
58 Part number 111733, GAS VALVE GASKET MINIMISER GAS VALVE GASKET MINIMISER
Ideal part no. 111733
£1.98
59 Part number 138419, TURRET CLAMP TURRET CLAMP
Ideal part no. 138419
£3.41
60   OBSOLETE H/WARE PK RESPONSE 80
Ideal part no. 139820
 
62   OBSOLETE PRE-PIPING FRAME ASSY RESP
Ideal part no. 151144
 
63   GROMMET AUTO AIR VENT 80 RESP
Ideal part no. 138707
 
64 Part number 004973, GROMMET GROMMET
Ideal part no. 004973
£2.57
65   OBSOLETE CTRLS PANEL/DOOR ASSY 80 RESP
Ideal part no. 151592
 
66   OBSOLETE CTRLS PNL ONLY(EXCLUDING DOOR)RESP
Ideal part no. 075208
 
67 Part number 151011, OBSOLETE TRANSFORMER ASSY RESP OBSOLETE TRANSFORMER ASSY RESP
Ideal part no. 151011
 
68   OBSOLETE 1/2 THRO GAS COCK BODY
Ideal part no. 004914
 
69   OBSOLETE DRAIN VALVE ALTECNIC 39165
Ideal part no. 075202
 
70 Part number 075205, EV1 SOLENOID SIT 0.007.424 EV1 SOLENOID SIT 0.007.424
Ideal part no. 075205
£83.13
71 Part number 075206, OBSOLETE EV2 SOLENOID SIT 0967066 OBSOLETE EV2 SOLENOID SIT 0967066
Ideal part no. 075206
 
73   7/8IN SEALING WASHER
Ideal part no. 113048
£2.24
74   CAN SENSING PIPE ASSY RESP 80
Ideal part no. 075182
£12.28
75   OBSOLETE O RING 8.0 I/D X 1.5 DES 0038 SIL70
Ideal part no. 112341
 
76   O RING 21.9 I/D X 2.62 DES 0038 MN80
Ideal part no. 003988
£2.59
78 Part number 112219, GASKET MINIMISER GASKET MINIMISER
Ideal part no. 112219
£2.87
79   SENSOR GASKET VARIOUS
Ideal part no. 136680
£2.33
80   OBSOLETE PCB 37 & 38 FUSE RESPONSE
Ideal part no. 075273
 
81   OBSOLETE PCB 40 FUSE RESP 120
Ideal part no. 075169
 
81   OBSOLETE PCB 38 FUSE RESP 80
Ideal part no. 075274
 
82 Part number 151684, BALL VALVE BODY 22mm UNMCD BOSS BALL VALVE BODY 22MM UNMCD BOSS
Ideal part no. 151684
£26.79
83   OBSOLETE DHW FILTER RESP
Ideal part no. 139943
 



Heating spares made simple this website is secured by Geotrust