Click here to see our Christmas working times

Official Stockist

  • Your Shopping BasketYour Shopping Baske

    Empty
  • SSL Secure Connection


Official Stockist

Diagram & User Manual Search

Quickly locate your appliance and order replacement parts using our secure online payment facility.

  • Over 20,000 appliances available
  • Simply click on the part to buy
  • Secure online payment
  • Next day delivery

Detailed Search




  

Specific Search



  

Created by Gas Engineers, for Gas Engineers • We only sell Genuine Boiler Spares • HSP - Where The Trade Buy

IDEAL
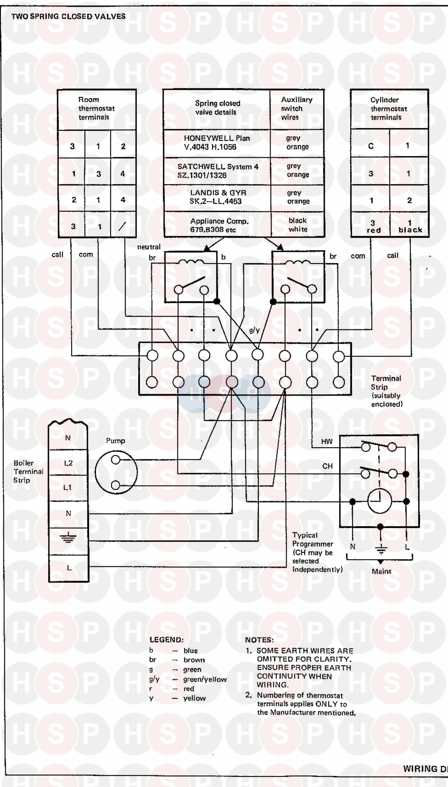
TURBO 12 - (Wiring Diagram 6)
Appliance Code: 41-415-18

Appliance Diagram


Wiring Diagram 6 diagram for Ideal Turbo 12Click the diagram to open it on a new page

You can then pinch & zoom to adjust the size.

0 Part number 052888, HT LEAD ASSY 460mm LG RS/MEXSL HT LEAD ASSY 460MM LG RS/MEXSL
Ideal part no. 052888
£3.74
0   OBSOLETE L.H SIDE TRIM E1616G:TURBO 12
Ideal part no. 130776
 
0   OBSOLETE RH SIDE TRIM:TURBO 12
Ideal part no. 130777
 
0   OBSOLETE CROSS TRIM E16161:TURBO 12
Ideal part no. 130778
 
1   OBSOLETE BLR BODY ASS:TURBO 12.
Ideal part no. 130518
 
3   OBSOLETE TUBE PACK ASS:TURBO 12
Ideal part no. 130525
 
4   OBSOLETE COVER PLATE +GASKETS TURBO12
Ideal part no. 079621
 
4   OBSOLETE HEADER ASS:TURBO 12
Ideal part no. 130527
 
5   OBSOLETE HT EXCHANGER COWL+DEFLECTOR
Ideal part no. 079623
 
6   OBSOLETE HT EXCHANGER/BNR BOX GASKETS
Ideal part no. 079622
 
7   OBSOLETE HEAT EXCH GSKT TURBO MK1
Ideal part no. 079574
 
8   OBSOLETE T/STAT POCKET LW7150 AGZ466016010
Ideal part no. 003572
 
9   OBSOLETE FLOW PIPE ASSY TURBO 1
Ideal part no. 130595
 
11 Part number 130542, OBSOLETE FAN ASSY TURBO 12 OBSOLETE FAN ASSY TURBO 12
Ideal part no. 130542
 
13 Part number 003205, OBSOLETE INJECTOR BNR BRAY CAT 10 SIZE 1150 OBSOLETE INJECTOR BNR BRAY CAT 10 SIZE 1150
Ideal part no. 003205
 
14   OBSOLETE BNR BOX ASS:TURBO 12
Ideal part no. 130519
 
15   OBSOLETE BNR TILE ASS TURBO 12
Ideal part no. 130553
 
16   OBSOLETE BNR SUPP BOX S/ASS:TURBO 12
Ideal part no. 130552
 
17   OBSOLETE BNR BOX INSULATION SET
Ideal part no. 079624
 
18   OBSOLETE SIGHT GLASS ASSY - BNR BOX
Ideal part no. 079333
 
20 Part number 003825, INJECTOR PILOT HONEYWELL 45900421-029 INJECTOR PILOT HONEYWELL 45900421-029
Ideal part no. 003825
 
21   OBSOLETE FLAME SENSING ELECTRODE.
Ideal part no. 004219
 
22 Part number 003278, OBSOLETE ELECTRODE TO DRG 003278A03 OBSOLETE ELECTRODE TO DRG 003278A03
Ideal part no. 003278
 
23   OBSOLETE PILOT PIPE TURBO 12
Ideal part no. 079562
 
24   OBSOLETE FLAME SENSING LEAD:TURBO 12
Ideal part no. 130605
 
25   OBSOLETE SUMP ASS TURBO 12
Ideal part no. 130520
 
26   OBSOLETE SUMP/HT EXCHANGER GASKET
Ideal part no. 079453
 
27   OBSOLETE DRAIN ASS TURBO 12
Ideal part no. 130604
 
28   OBSOLETE BLR FLUE DUCT ASSY TURBO 12
Ideal part no. 130594
 
28   OBSOLETE SUMP TO FLUE DUCT GASKET TURBO12
Ideal part no. 130602
 
30   OBSOLETE T/STAT RAK 21.4/3152
Ideal part no. 004610
 
33   OBSOLETE SOCKET + BK NUT 3 POLE SA2024
Ideal part no. 003435
 
34   OBSOLETE PLUG-BULGIN PX0587/ASHLY C4000
Ideal part no. 003069
 
35   OBSOLETE WIRE ENDED NEON
Ideal part no. 013357
 
37   OBSOLETE SPARK GENTR ASS TURBO 12
Ideal part no. 130574
 
39   OBSOLETE SATRONIC CTRL BOX DKG 972 MOD 10
Ideal part no. 002999
 
40   OBSOLETE CTRLS M/BRKT ASS:TURBO 12
Ideal part no. 130572
 
41   OBSOLETE HIGH STAT ESSEX TYPE.
Ideal part no. 013097
 
42   OBSOLETE SOLENOID VALVE W/ROGERS 91/373
Ideal part no. 065237
 
43   OBSOLETE PRESSURE SWITCH 80SR 439 B/T GAS
Ideal part no. 013363
 
44   OBSOLETE HIGH PRESSURE PIPE:TURBO 12
Ideal part no. 130609
 
45   OBSOLETE LOW PRESS PIPE:TURBO 12
Ideal part no. 130608
 
47   OBSOLETE GAS PIPE-VLVE/BNR MAF TURBO12
Ideal part no. 079611
 
48   OBSOLETE BOILER CASING TURBO 12.
Ideal part no. 130522
 
48   OBSOLETE GLASS FASCIA:TURBO 12
Ideal part no. 130775
 
50   OBSOLETE CTRL CSG DOOR PTD ASS WLX
Ideal part no. 132314
 
51   OBSOLETE BK PNL/AIR DUCT ASS:TURBO 12
Ideal part no. 130517
 
52   OBSOLETE PUSH-ON S/PLATE ASS:TURBO 12
Ideal part no. 130613
 
54   OBSOLETE SEALING PACK TURBO 12
Ideal part no. 079573
 
55   OBSOLETE WALL MTG PLT ASS:TURBO 12
Ideal part no. 130612
 
56   OBSOLETE C PACK TERMINAL GRILLE TURBO
Ideal part no. 130512
 
57   OBSOLETE B PACK TERMINAL GRILLE TURBO
Ideal part no. 130513
 
58   OBSOLETE B1 PACK LONG FLUE:TURBO 12
Ideal part no. 130514
 
59   OBSOLETE O/HAUL GSKT SET TURBO 12 (KIT)
Ideal part no. 079171
 
60   OBSOLETE LEAKAGE CORRECT N KIT:TURBO 12
Ideal part no. 133164
 



Heating spares made simple this website is secured by Geotrust