Click here to see our Christmas working times

Official Stockist

  • Your Shopping BasketYour Shopping Baske

    Empty
  • SSL Secure Connection


Official Stockist

Diagram & User Manual Search

Quickly locate your appliance and order replacement parts using our secure online payment facility.

  • Over 20,000 appliances available
  • Simply click on the part to buy
  • Secure online payment
  • Next day delivery

Detailed Search




  

Specific Search



  

Created by Gas Engineers, for Gas Engineers • We only sell Genuine Boiler Spares • HSP - Where The Trade Buy

IDEAL
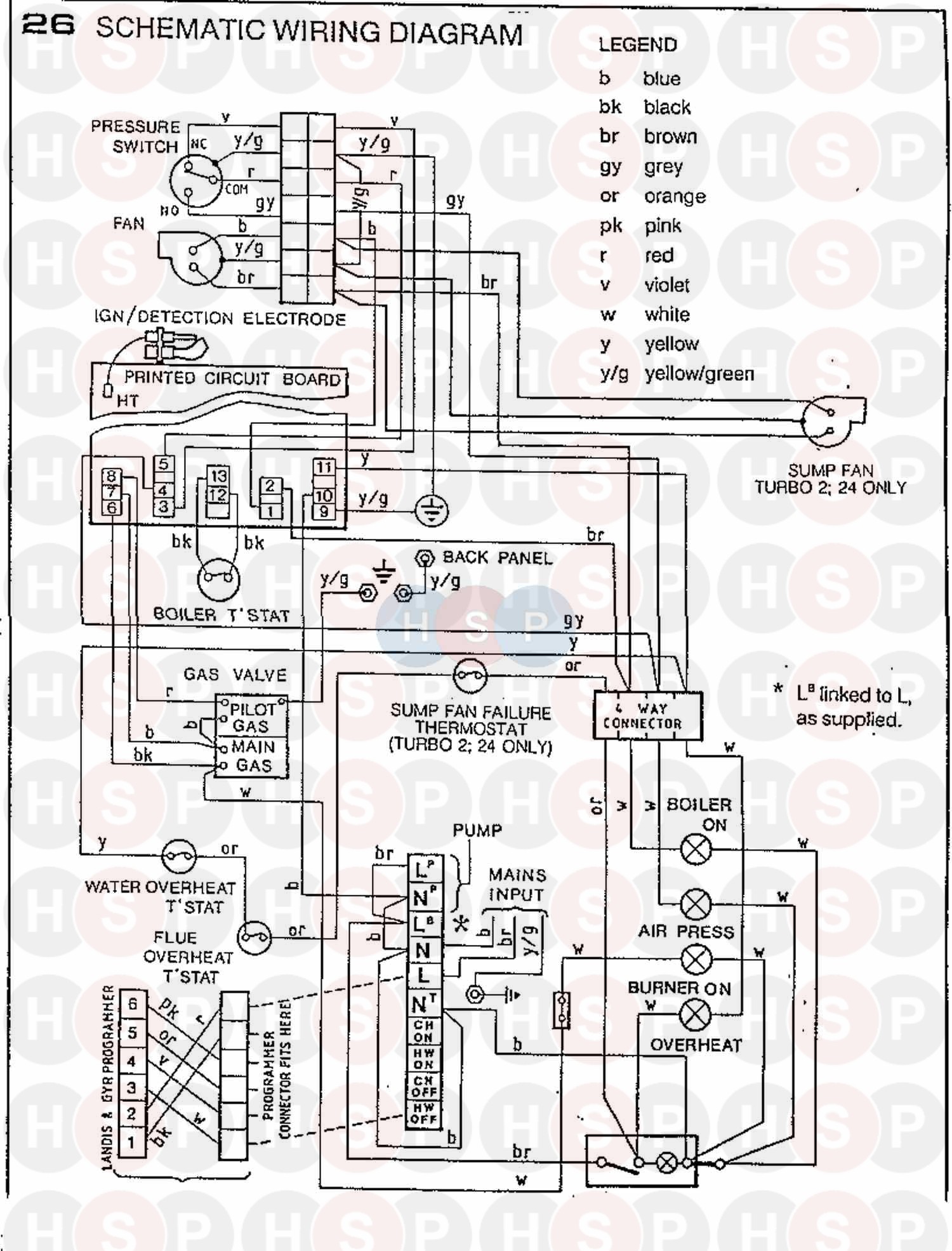
TURBO 2 12 - (Wiring Diagram 3)
Appliance Code: 41-415-91

Appliance Diagram


Wiring Diagram 3 diagram for Ideal Turbo 2 12Click the diagram to open it on a new page

You can then pinch & zoom to adjust the size.

0   M5 X 8 P/P HD SCREW DES SPEC 0250
Ideal part no. 003227
£2.22
0   M5 X 12 P/P HD SCREW ZP DES SPEC 0250
Ideal part no. 003641
£2.73
0   1IN SEALING WASHER
Ideal part no. 013325
£2.22
0 Part number 013514, NO 10X2 1/2IN WOOD SCREW RD HD DES 0250 NO 10X2 1/2IN WOOD SCREW RD HD DES 0250
Ideal part no. 013514
£2.47
0 Part number 133416, PILOT BURNER GASKET TURBO 2 PILOT BURNER GASKET TURBO 2
Ideal part no. 133416
£1.98
0   OBSOLETE ELBOW MF 3/4INX3/4INFIG 152 MI
Ideal part no. 000032
 
0   OBSOLETE 50GRM HERMITITE
Ideal part no. 003717
 
0   OBSOLETE
Ideal part no. 003929
 
0   OBSOLETE ORANGE LENSES SPRINT
Ideal part no. 003938
 
0   OBSOLETE NO 10 CAPTIVE NUT CB 0287/13
Ideal part no. 003953
 
0   OBSOLETE O RING 21.90MM I/D X 2.62MM SECTION EP
Ideal part no. 004363
 
0 Part number 004673, OBSOLETE RED NEON LENS CLIP TURBO 2 OBSOLETE RED NEON LENS CLIP TURBO 2
Ideal part no. 004673
 
0   OBSOLETE ROCKER SWITCH-C5403 TURBO 2
Ideal part no. 004674
 
0   OBSOLETE 1/2 BURNER TILE TURBO 2
Ideal part no. 004813
 
0   OBSOLETE BACK NUT 22MM OCTAGONAL BRASS
Ideal part no. 013089
 
0   OBSOLETE 22MM COMP OLIVE
Ideal part no. 013090
 
0   OBSOLETE 22MM COMPRESSION NUT
Ideal part no. 013091
 
0   OBSOLETE 22MM SEALING WASHER
Ideal part no. 013102
 
0   OBSOLETE H/WARE PK TURBO 2 9-15+P
Ideal part no. 013951
 
0   OBSOLETE 22MM O/LET CONNECTOR TURBO 2
Ideal part no. 027779
 
0   OBSOLETE SPACER WASHER ISTOR
Ideal part no. 058837
 
0   OBSOLETE TERM END PLT ASSY TURBO 2
Ideal part no. 079781
 
0   OBSOLETE LOCTITE SILICONE SEALANT-80ML
Ideal part no. 098060
 
0   OBSOLETE DRY STAT MTG BRACKET TURBO
Ideal part no. 110510
 
0   OBSOLETE T/STAT POCKET DRY STAT TURBO 2
Ideal part no. 110620
 
0   OBSOLETE DRY STAT-RANCO T93-063
Ideal part no. 110627
 
0   OBSOLETE WALL MTG TEMPLATE TURBO 2
Ideal part no. 111319
 
0   OBSOLETE JACKING SCREW ASS UNPTD VAR S
Ideal part no. 131711
 
0   OBSOLETE 22MM PUSH FITTING TURBO 2
Ideal part no. 132773
 
0   OBSOLETE DRAIN PLUG WASHER TURBO 2
Ideal part no. 134216
 
0   OBSOLETE DRAIN PLUG BODY TURBO 2
Ideal part no. 134217
 
0   OBSOLETE DRAIN PLUG KEY TURBO 2
Ideal part no. 134318
 
0   OBSOLETE HEADER ASS TURBO 2-9/12
Ideal part no. 135080
 
0   OBSOLETE GAS VALVE WIRING HRNS TURBO 2
Ideal part no. 135525
 
0   OBSOLETE T/STAT WIRING HRNS TURBO 2
Ideal part no. 135526
 
0   OBSOLETE FAN/PRESSURE SWITCH HRNS TUR 2
Ideal part no. 135527
 
0   OBSOLETE CONV KIT 9P/9NG TURBO 2 KIT
Ideal part no. 135736
 
0   OBSOLETE CONV KIT-12P TO 12NG TURBO 2
Ideal part no. 135737
 
0   OBSOLETE CONV KIT TURBO2 18 (KIT)
Ideal part no. 135738
 
0 Part number 137751, OBSOLETE ORIFICE PLT GASKET TURBO 2 OBSOLETE ORIFICE PLT GASKET TURBO 2
Ideal part no. 137751
 
0   OBSOLETE DRAIN PLUG VALVE TURBO 2
Ideal part no. 137782
 
1   OBSOLETE HEAT EXCH ASSY TURBO2 9-12
Ideal part no. 079412
 
2   OBSOLETE COMB/CHAMBER COMP TURBO 2 9/12
Ideal part no. 079414
 
3   OBSOLETE HT EXCH TUBE PACK TURBO 2 9/12
Ideal part no. 079416
 
4   OBSOLETE HEAT EXCH HEAD TURBO 2 9/12
Ideal part no. 079418
 
5   OBSOLETE H/EXCH CVR PLT TURBO 2 9/12
Ideal part no. 079420
 
6   OBSOLETE HT EXCH COWLS (PAIR) TURBO 2
Ideal part no. 079404
 
7   OBSOLETE HT EXCH BNR BOX GSKT TURBO 2
Ideal part no. 079406
 
8   OBSOLETE HEAT EXCH GSKT TURBO MK1
Ideal part no. 079574
 
9   OBSOLETE BOILER FLOW PIPE TURBO 2
Ideal part no. 132893
 
10   OBSOLETE RETURN PIPE TURBO 2-9/12
Ideal part no. 132894
 
11 Part number 135517, OBSOLETE FAN ASSY TURBO 2 SIFAN OBSOLETE FAN ASSY TURBO 2 SIFAN
Ideal part no. 135517
 
12   OBSOLETE FAN ORIFICE PLT TURBO 2-12/15
Ideal part no. 132981
 
13   OBSOLETE INJECTOR PIPE ASS TURBO 2-12
Ideal part no. 135088
 
14 Part number 003205, OBSOLETE INJECTOR BNR BRAY CAT 10 SIZE 1150 OBSOLETE INJECTOR BNR BRAY CAT 10 SIZE 1150
Ideal part no. 003205
 
15   OBSOLETE BNR BOX ASS TURBO 2-12
Ideal part no. 135450
 
16   OBSOLETE BNR PLAQUES ASS TURBO2-12
Ideal part no. 079425
 
17   OBSOLETE BNR DIFF BOX ASSY TUR2
Ideal part no. 079428
 
18   OBSOLETE BNR BOX INSULATION (SET) TURBO
Ideal part no. 079405
 
19   OBSOLETE SIGHT GLASS ASSY - BNR BOX
Ideal part no. 079333
 
20 Part number 079400, PILOT BNR H/WELL & INJ TURBO 2 PILOT BNR H/WELL & INJ TURBO 2
Ideal part no. 079400
£23.37
21   OBSOLETE INJECTOR PILOT H/WELL 45900421-017B TRB2
Ideal part no. 004755
 
22 Part number 004700, SPARK/SENSING ELECTRODE SPARK/SENSING ELECTRODE
Ideal part no. 004700
 
23   OBSOLETE LOWER PILOT PIPE ASS TURBO 2
Ideal part no. 079431
 
24   OBSOLETE PILOT PIPE ASS TURBO 2
Ideal part no. 079432
 
25 Part number 135531, FLAME SENSING LEAD TURBO 2 FLAME SENSING LEAD TURBO 2
Ideal part no. 135531
£6.41
26   OBSOLETE LOWER SUMP ASS TURBO 2-9/12
Ideal part no. 135495
 
27   OBSOLETE LOWER SUMP HT EXCH GSKT TURBO2
Ideal part no. 079434
 
28   OBSOLETE UPPER SUMP ASS TURBO 2-9/12
Ideal part no. 135494
 
29   OBSOLETE UPPER SUMP HT EXCH GSKT TURBO2
Ideal part no. 079435
 
30   OBSOLETE SUMP DRAIN PIPE W/SYPHON TURBO
Ideal part no. 079474
 
31   OBSOLETE SYPHON AND GASKET TURBO 2
Ideal part no. 079443
 
32   OBSOLETE CTRL BOX ASS TURBO 2
Ideal part no. 135516
 
33 Part number 013850, OBSOLETE LIMIT STAT OBSOLETE LIMIT STAT
Ideal part no. 013850
 
34 Part number 013851, BLR STAT 2455R 98 728 BLR STAT 2455R 98 728
Ideal part no. 013851
£14.99
35   OBSOLETE TML STRIP WIRING HRNS TURBO 2
Ideal part no. 135528
 
35   OBSOLETE NEON + LEADS SUB ASS TURBO2
Ideal part no. 135529
 
36 Part number 060550, PCB 7B BOARD (401201) PCB 7B BOARD (401201)
Ideal part no. 060550
 
36 Part number 132789, PCB 7B W/LINK XL30/60F PCB 7B W/LINK XL30/60F
Ideal part no. 132789
 
37 Part number 004853, GAS VALVE VR4700A4008U TURBO 2 GAS VALVE VR4700A4008U TURBO 2
Ideal part no. 004853
 
40   OBSOLETE 3/8 INCH ELBOW FLANGE TURBO 2
Ideal part no. 004450
 
41 Part number 135518, OBSOLETE AIR PRESSURE SWITCH TURBO 2 OBSOLETE AIR PRESSURE SWITCH TURBO 2
Ideal part no. 135518
 
42   OBSOLETE HIGH PRESS SENSING LINE TURBO2
Ideal part no. 079437
 
43   OBSOLETE LOW PRESS SENSING LINE TURBO 2
Ideal part no. 079439
 
44   OBSOLETE GASCOCK ASSY 004913/924/919
Ideal part no. 077012
 
45   OBSOLETE GAS PIPE S/ASS PTD TURBO 2
Ideal part no. 131582
 
46   OBSOLETE BLR CSG TURBO 2
Ideal part no. 135096
 
47   OBSOLETE GLASS FASCIA PANEL TURBO 2
Ideal part no. 133440
 
48   OBSOLETE DOOR CATCH ASS EL NF/EL2
Ideal part no. 132927
 
49   OBSOLETE CTRL CSG BTM PNL S/ASS PTD TUR
Ideal part no. 135202
 
50   OBSOLETE SET OF FACIA TRIMS TURBO 2
Ideal part no. 079441
 
51   OBSOLETE BACK PNL ASSY TURBO 2
Ideal part no. 135339
 
52   OBSOLETE CASING SEALING PACK TURBO 2
Ideal part no. 079442
 
53   OBSOLETE H/WARE PK ELAN CF
Ideal part no. 132961
 
58   OVERHAUL GASKET SET (DEN)
Ideal part no. 079569
 
59   OBSOLETE CASING SIGHT GLASS ASSY TURBO 2
Ideal part no. 079633
 



Heating spares made simple this website is secured by Geotrust