Click here to see our Easter working times

Official Stockist

  • Your Shopping BasketYour Shopping Baske

    Empty
  • SSL Secure Connection


Official Stockist

Diagram & User Manual Search

Quickly locate your appliance and order replacement parts using our secure online payment facility.

  • Over 20,000 appliances available
  • Simply click on the part to buy
  • Secure online payment
  • Next day delivery

Detailed Search




  

Specific Search



  

Created by Gas Engineers, for Gas Engineers • We only sell Genuine Boiler Spares • HSP - Where The Trade Buy

RIELLO
40 G3B DB 3743714 - (Riello 40 G3B DB)
Appliance Code: 3743714

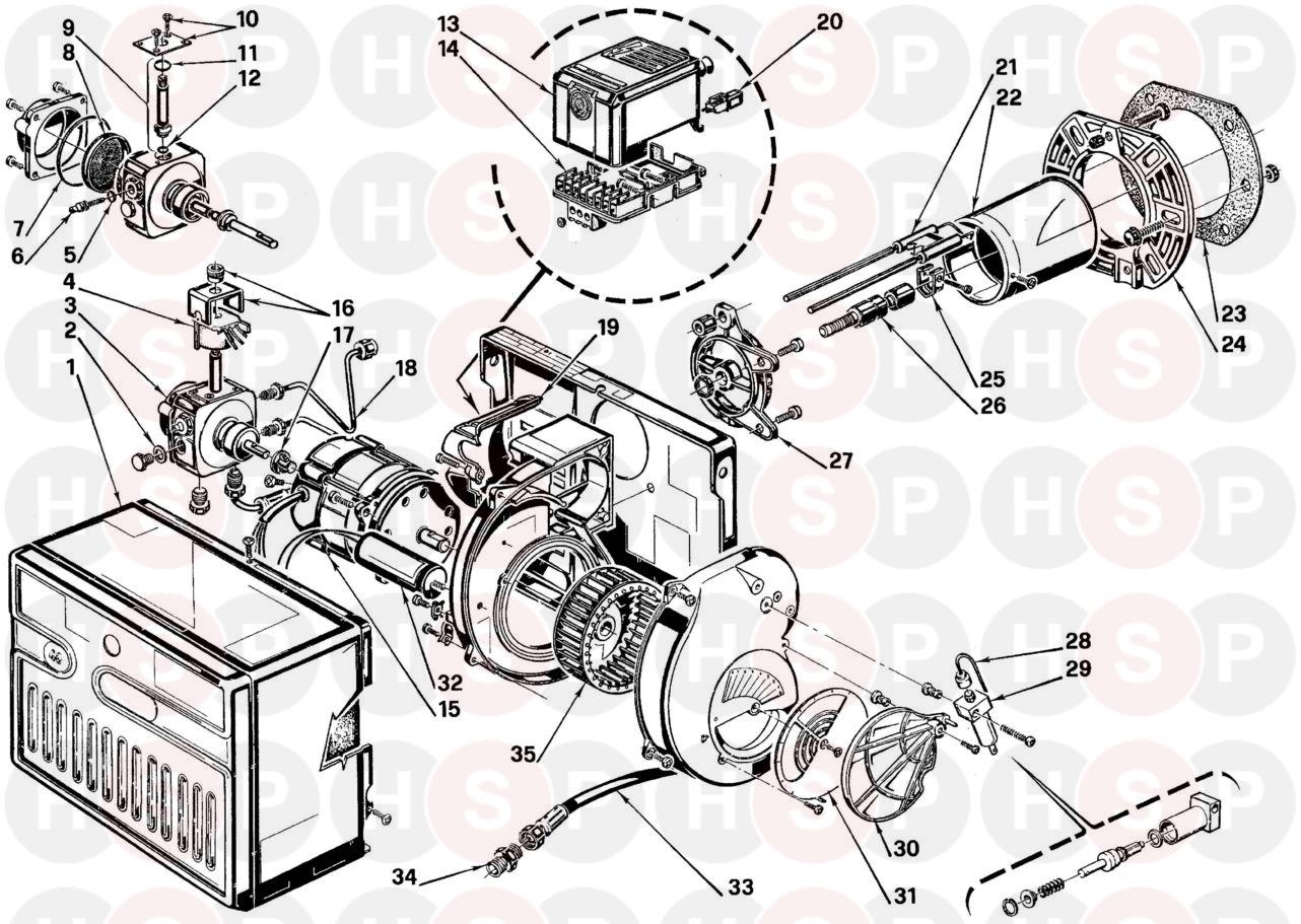
Appliance Diagram


Riello 40 G3B DB diagram for Riello 40 G3B DB 3743714Click the diagram to open it on a new page

You can then pinch & zoom to adjust the size.

1 Part number 3007232, CASING G3B AND G2 CASING G3B AND G2
Riello part no. 3007232
£64.61
2 Part number 3007077, WASHER SEAL 10 PCS WASHER SEAL 10 PCS
Riello part no. 3007077
£7.57
3 Part number 20031996, RIELLO - OIL PUMP RIELLO - OIL PUMP
Riello part no. 20031996
£122.86
3 Part number 3020476, NOW USE 20031996 OIL PUMP - RIELLO NOW USE 20031996 OIL PUMP - RIELLO
Riello part no. 3020476
 
4 Part number 3002279, COIL COIL
Riello part no. 3002279
£16.30
5 Part number 3007169, RING OR (10PCS) RING OR (10PCS)
Riello part no. 3007169
£8.76
5 Part number 3007028, NOW USE 3007169 RING SEAL (10 PCS) NOW USE 3007169 RING SEAL (10 PCS)
Riello part no. 3007028
 
6 Part number 3007202, OBSOLETE REGULATOR (G5BF) OBSOLETE REGULATOR (G5BF)
Riello part no. 3007202
£6.43
7 Part number 3007175, O ring (10 pcs) O RING (10 PCS)
Riello part no. 3007175
£15.98
7 Part number 3007162, NOW USE 3007175 O RING 10 PCS NOW USE 3007175 O RING 10 PCS
Riello part no. 3007162
 
8 Part number 3005719, FILTER MTN. 2/3/5 FILTER MTN. 2/3/5
Riello part no. 3005719
£3.22
9 Part number 3020437, NEEDLE VALVE NEEDLE VALVE
Riello part no. 3020437
£40.35
9 Part number 3006925, NOW USE 3020437 PUMP SOLENOID SHAFT NOW USE 3020437 PUMP SOLENOID SHAFT
Riello part no. 3006925
 
10 Part number 3007203, PLATE (5 PCS) G5BF PLATE (5 PCS) G5BF
Riello part no. 3007203
£10.07
11 Part number 3007029, RING SEAL (10 PCS) RING SEAL (10 PCS)
Riello part no. 3007029
£7.31
12 Part number 3007156, RING (10 PCS.) RING (10 PCS.)
Riello part no. 3007156
£4.68
13 Part number 3001156, CONTROL BOX 530 SE CONTROL BOX 530 SE
Riello part no. 3001156
£107.98
14 Part number 3002278, CONTROL BOX BASE (G5-G20) CONTROL BOX BASE (G5-G20)
Riello part no. 3002278
£12.78
15 Part number 3000439, PUMP SEAL KIT PUMP SEAL KIT
Riello part no. 3000439
£18.54
16 Part number 3006553, COVER CAGE AND NUT COVER CAGE AND NUT
Riello part no. 3006553
£6.66
17 Part number 3000443, COUPLING (10PCS) COUPLING (10PCS)
Riello part no. 3000443
£7.74
18 Part number 3005723, PIPE MTN 3 OIL LINE PIPE MTN 3 OIL LINE
Riello part no. 3005723
£9.98
19 Part number 3006554, COVER COVER
Riello part no. 3006554
£7.57
20   FLAME SENSOR (REPLACES 3002280)
Riello part no. 20132573
£28.53
20 Part number 3002280, NOW USE 20132573 PHOTOCELL NOW USE 20132573 PHOTOCELL
Riello part no. 3002280
 
21 Part number 3005721, ELECTRODES ELECTRODES
Riello part no. 3005721
£18.56
22 Part number 3006001, CONICAL COMB.HEAD CONICAL COMB.HEAD
Riello part no. 3006001
£31.89
23 Part number 3005787, FLANGE GASKET USED WITH 5786 FLANGE GASKET USED WITH 5786
Riello part no. 3005787
£7.50
24 Part number 3008636, FLANGE (replaces 3005786) FLANGE (REPLACES 3005786)
Riello part no. 3008636
£16.45
24 Part number 3005786, NOW USE 3008636 FLANGE G2-G5 NOW USE 3008636 FLANGE G2-G5
Riello part no. 3005786
 
25 Part number 3006552, ELECTRODE CLAMP (10 PCS) ELECTRODE CLAMP (10 PCS)
Riello part no. 3006552
£19.47
26 Part number 3005724, NOZZLE HOLDER MTN 3 NOZZLE HOLDER MTN 3
Riello part no. 3005724
£9.89
27 Part number 3005760, COLLAR COLLAR
Riello part no. 3005760
£14.59
28 Part number 3007814, TUBE (10 PCS) TUBE (10 PCS)
Riello part no. 3007814
£62.99
29 Part number 3006911, HYDRAULIC RAM HYDRAULIC RAM
Riello part no. 3006911
£28.91
30 Part number 3000878, SHUTTER ASSEMBLY SHUTTER ASSEMBLY
Riello part no. 3000878
£12.95
31 Part number 3007204, AIR DAMPER AIR DAMPER
Riello part no. 3007204
£14.93
32 Part number 3005798, CONDENSER/ CAPACITOR CONDENSER/ CAPACITOR
Riello part no. 3005798
£41.90
33 Part number 20022601, Oil Hose Line 3/8" Angled Male 3/8" OIL HOSE LINE 3/8" ANGLED MALE 3/8"
Riello part no. 20022601
£18.69
33 Part number 3005720, NOW USE 20022601 FLEXIBLE PIPE NOW USE 20022601 FLEXIBLE PIPE
Riello part no. 3005720
 
34 Part number 3009068, CONNECTOR 3/8 X 3/8 CONNECTOR 3/8 X 3/8
Riello part no. 3009068
£3.92
35 Part number 3005708, FAN FAN
Riello part no. 3005708
£20.62
36 Part number 3007971, MOTOR (REPLACES 3007355) MOTOR (REPLACES 3007355)
Riello part no. 3007971
£114.82



Heating spares made simple this website is secured by Geotrust