Official Stockist

  • Your Shopping BasketYour Shopping Baske

    Empty
  • SSL Secure Connection


Official Stockist

Diagram & User Manual Search

Quickly locate your appliance and order replacement parts using our secure online payment facility.

  • Over 20,000 appliances available
  • Simply click on the part to buy
  • Secure online payment
  • Next day delivery

Detailed Search




  

Specific Search



  

Created by Gas Engineers, for Gas Engineers • We only sell Genuine Boiler Spares • HSP - Where The Trade Buy

RIELLO
RIELLO 40 GS10 3755417 - (Riello Burner 40 GS10)
Appliance Code: 3755417

Appliance Diagram


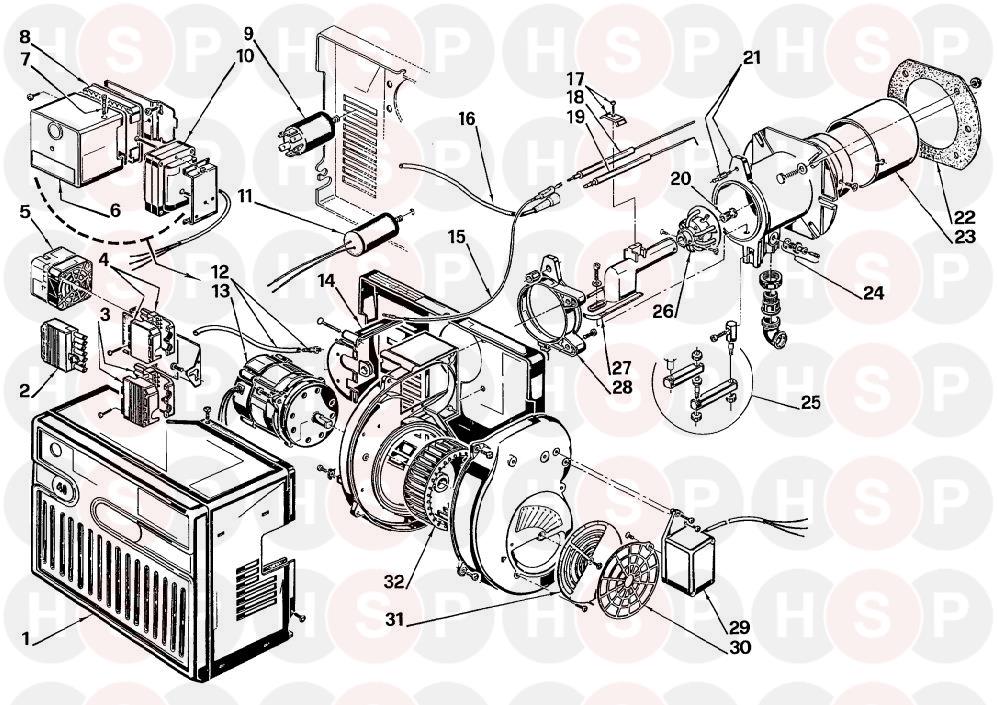
Riello Burner 40 GS10 diagram for Riello Riello 40 GS10 3755417Click the diagram to open it on a new page

You can then pinch & zoom to adjust the size.

1   CASING GS10
Riello part no. 3007240
£93.43
2 Part number 3006937, PLUG - 7 PIN - MALE PLUG - 7 PIN - MALE
Riello part no. 3006937
 
3 Part number 3006938, SOCKET 7 PIN SOCKET 7 PIN
Riello part no. 3006938
£50.96
4 Part number 3007425, 6 POLE BLACK SOCKET 6 POLE BLACK SOCKET
Riello part no. 3007425
£12.41
5 Part number 3007423, PRESSURE SWITCH PRESSURE SWITCH
Riello part no. 3007423
£93.75
6 Part number 3001138, CONTROL BOX RMG 508 SE CONTROL BOX RMG 508 SE
Riello part no. 3001138
£310.37
7 Part number 3006211, FUSE (10 PCS) FUSE (10 PCS)
Riello part no. 3006211
£25.59
8 Part number 3002256, CONTROL BASE FOR (508/509) CONTROL BASE FOR (508/509)
Riello part no. 3002256
£24.56
9 Part number 3008452, ELECTRICAL FILTER ELECTRICAL FILTER
Riello part no. 3008452
£33.05
10 Part number 3006592, TRANSFORMER TRANSFORMER
Riello part no. 3006592
£83.92
11 Part number 3006686, CAPACITOR CAPACITOR
Riello part no. 3006686
£9.82
12   CONNECTOR
Riello part no. 3006605
£8.42
13 Part number 3008451, MOTOR MOTOR
Riello part no. 3008451
 
14   COVER
Riello part no. 3007260
£9.92
15 Part number 3008453, H T LEAD CE GS10/20 (X2) H T LEAD CE GS10/20 (X2)
Riello part no. 3008453
£59.00
16 Part number 3008454, H T LEAD 5PCS H T LEAD 5PCS
Riello part no. 3008454
£48.83
17 Part number 3007265, U BOLT (10 PCS) U BOLT (10 PCS)
Riello part no. 3007265
£12.67
18 Part number 3006708, PROBE PROBE
Riello part no. 3006708
£16.99
19 Part number 3006943, ELECTRODE ELECTRODE
Riello part no. 3006943
£13.64
20 Part number 3006702, DIFFUSER/GAS NOZZLE DIFFUSER/GAS NOZZLE
Riello part no. 3006702
£10.93
21 Part number 3006946, MANIFOLD MANIFOLD
Riello part no. 3006946
£138.24
22 Part number 3005795, FLANGE GASKET (WAS 3008012) FLANGE GASKET (WAS 3008012)
Riello part no. 3005795
£7.74
23 Part number 3006693, END CONE END CONE
Riello part no. 3006693
£39.02
24   TEST POINT
Riello part no. 3005447
£10.68
25   HINGE UNIT
Riello part no. 3000870
£24.59
26 Part number 3006945, DISTRIBUTOR RING DISTRIBUTOR RING
Riello part no. 3006945
£64.60
27   ELBOW
Riello part no. 3006944
£34.38
28   COLLAR
Riello part no. 3006688
£16.46
29 Part number 3006898, AIR SHUTTER MOTOR AIR SHUTTER MOTOR
Riello part no. 3006898
£115.36
30 Part number 3006930, PLASTIC AIR SHUTTER PLASTIC AIR SHUTTER
Riello part no. 3006930
£9.24
31   AIR DAMPER
Riello part no. 3007205
£15.18
32 Part number 3005788, FAN FAN
Riello part no. 3005788
£19.20



Heating spares made simple this website is secured by Geotrust