Click here to see our Christmas working times

Official Stockist

  • Your Shopping BasketYour Shopping Baske

    Empty
  • SSL Secure Connection


Official Stockist

Diagram & User Manual Search

Quickly locate your appliance and order replacement parts using our secure online payment facility.

  • Over 20,000 appliances available
  • Simply click on the part to buy
  • Secure online payment
  • Next day delivery

Detailed Search




  

Specific Search



  

Created by Gas Engineers, for Gas Engineers • We only sell Genuine Boiler Spares • HSP - Where The Trade Buy

THORN
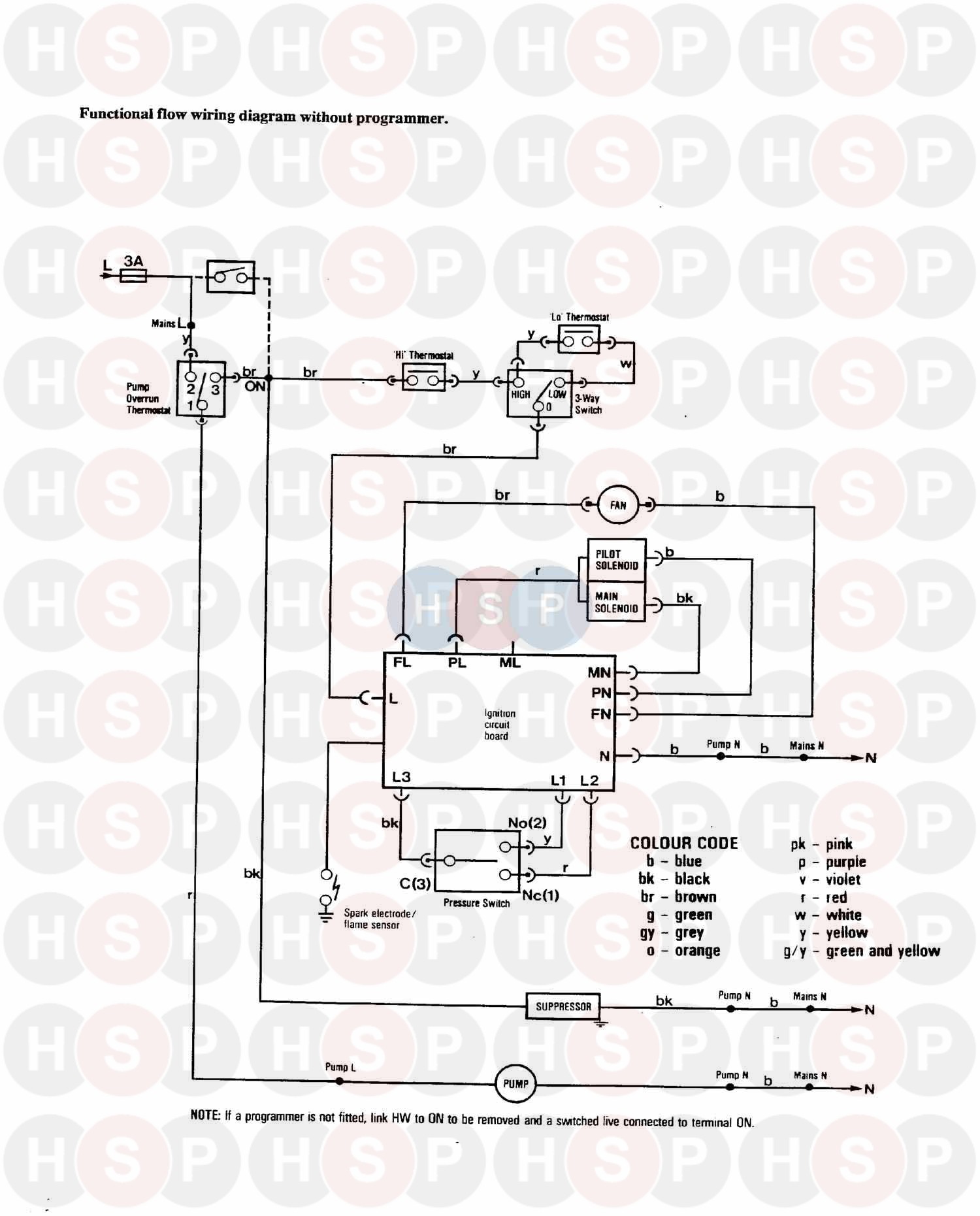
APOLLO (LATER) 60 SI 1997 - (Wiring 3)
Appliance Code: 41-494-40

Appliance Diagram


Wiring 3 diagram for Thorn Apollo (Later) 60 SI 1997Click the diagram to open it on a new page

You can then pinch & zoom to adjust the size.

Sorry

We don't appear to have any spare parts in our inventory for this search.

Please contact us to see if we can help you find what you're looking for.




Heating spares made simple this website is secured by Geotrust