Click here to see our Christmas working times

Official Stockist

  • Your Shopping BasketYour Shopping Baske

    Empty
  • SSL Secure Connection


Official Stockist

Diagram & User Manual Search

Quickly locate your appliance and order replacement parts using our secure online payment facility.

  • Over 20,000 appliances available
  • Simply click on the part to buy
  • Secure online payment
  • Next day delivery

Detailed Search




  

Specific Search



  

Created by Gas Engineers, for Gas Engineers • We only sell Genuine Boiler Spares • HSP - Where The Trade Buy

VOKERA
20-80 RS TURBO - (Wiring)
Appliance Code: 47-094-03

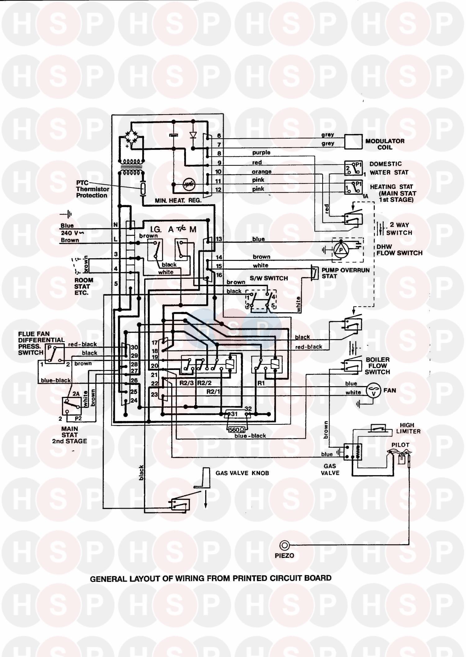
Appliance Diagram


Wiring diagram for Vokera 20-80 RS TurboClick the diagram to open it on a new page

You can then pinch & zoom to adjust the size.

0 Part number 0226, Diaphragm (6 Screw) DIAPHRAGM (6 SCREW)
Vokera part no. 0226
£7.41
0 Part number T0002, 3 Port Valve Service Kit 3 PORT VALVE SERVICE KIT
Vokera part no. T0002
£55.10
0   CYLINDER VENTING PLUG
Vokera part no. 4321
 
2 Part number 0139, 3 Way Valve Tail Plate 3 WAY VALVE TAIL PLATE
Vokera part no. 0139
£29.45
3 Part number 0159, 3 Way Valve Head Shaft 3 WAY VALVE HEAD SHAFT
Vokera part no. 0159
£35.15
4 Part number 0184, Extension Shaft EXTENSION SHAFT
Vokera part no. 0184
£34.07
5 Part number 0216, Front Seal FRONT SEAL
Vokera part no. 0216
£5.04
6   OBSOLETE CLAMP SCREW 3 PORT VALVE TO MANIFOLD
Vokera part no. 0217
 
7 Part number 0218, Retaining Ring RETAINING RING
Vokera part no. 0218
£5.99
8 Part number 0219, Shuttle SHUTTLE
Vokera part no. 0219
£20.90
9   SCREW
Vokera part no. 0220
 
10   WASHER
Vokera part no. 0221
£1.05
11   OBSOLETE SCREW M4 X 6
Vokera part no. 0299
 
12   NYLON PLATE
Vokera part no. 0301
 
13 Part number 0309, Front Seal FRONT SEAL
Vokera part no. 0309
£13.30
14 Part number 0341, Fibre Washer FIBRE WASHER
Vokera part no. 0341
£2.09
16   BY PASS PLUG
Vokera part no. 0364
 
17   BY PASS SPRING
Vokera part no. 0365
 
19   DOMESTIC WATER FLOW REGULATING SCREW
Vokera part no. 0367
 
20   WASHER
Vokera part no. 0371
£1.52
22   ALUMINIUM WASHER
Vokera part no. 0373
 
23   VENTURI
Vokera part no. 0381
£3.14
24 Part number 0394, NG Spring NG SPRING
Vokera part no. 0394
£2.38
26   GAS VALVE SOLENOID 220/240V
Vokera part no. 0402
 
30   OBSOLETE FLUE HOOD FOR R/S TURBO
Vokera part no. 3105
 
31   CLAMP BRACKET
Vokera part no. 3107
 
32   OBSOLETE AIR INLET ELBOW
Vokera part no. 3108
 
36   PRESSURE DIFFERENTIAL SWITCH RS TURBO
Vokera part no. 3112
 
37   PRESSURESOCKET&VENTURI
Vokera part no. 3113
 
39   OBSOLETE O-RING FOR FAN COUPLING
Vokera part no. 3115
 
40   OBSOLETE O-RING FOR AIR CONNECTION
Vokera part no. 3116
 
41   OBSOLETE RUBBER SEAL (AIR INLET TUBE)
Vokera part no. 3127
 
42   OBSOLETE AIR TUBE CLAMP
Vokera part no. 3128
 
44   OBSOLETE BAFFLE PLATE
Vokera part no. 3136
 
45 Part number 3139, Sight Glass SIGHT GLASS
Vokera part no. 3139
£5.80
47   OBSOLETE SEAL FOR FRONT COVER
Vokera part no. 3145
 
48   OBSOLETE SEAL FOR TOP COVER
Vokera part no. 3146
 
50   OBSOLETE INSPECTION PANEL FOR DRAFT DIVERTER
Vokera part no. 3385
 
52   PCB
Vokera part no. 3387
 
53 Part number 3434, R S Turbo Fan Assembly R S TURBO FAN ASSEMBLY
Vokera part no. 3434
 
55   BURNER BAFFLE RS TURBO
Vokera part no. 3484
 
56 Part number 3611, Domestic diaphragm TP DOMESTIC DIAPHRAGM TP
Vokera part no. 3611
 
57   OBSOLETE GROMMET
Vokera part no. 3727
 
58 Part number 4007, Sight Glass Retaining Ring SIGHT GLASS RETAINING RING
Vokera part no. 4007
£0.76
59 Part number 4008, 3/4in BSP Nipple 3/4IN BSP NIPPLE
Vokera part no. 4008
 
60   MAIN HEAT EXCHANGER RS TURBO
Vokera part no. 4009
 
61   GAS VALVE TO BURNER CONNECTING PIPE
Vokera part no. 4013
 
64   OBSOLETE PUMP RETURN PIPE SUPPORT
Vokera part no. 4018
 
65 Part number 4026, 3/4" BSP Locknut 3/4" BSP LOCKNUT
Vokera part no. 4026
£1.43
67   RUBBER RING FOR 4018
Vokera part no. 4036
 
68   SEAL (GAS PIPE TO COMBUSTION CHAMBER)
Vokera part no. 4037
 
69   SEAL
Vokera part no. 4039
 
72   NUT
Vokera part no. 4061
 
73   15MM OLIVE
Vokera part no. 4062
 
74   NUT (FOR F/R VALVES 4539)
Vokera part no. 4064
 
75   22MM OLIVE (FLOW AND RETURN VALVES)
Vokera part no. 4065
 
76   HOT WATER OUTLET NUT AND TAIL
Vokera part no. 4095
 
78   PUMP UNION NUT
Vokera part no. 4114
 
79   FLOW PIPE WITH AIR SEPARATOR
Vokera part no. 4189
 
80 Part number 4250, Safety Valve (Screw Fit) SAFETY VALVE (SCREW FIT)
Vokera part no. 4250
£14.25
81 Part number 4254, Automatic Air Vent AUTOMATIC AIR VENT
Vokera part no. 4254
£12.35
82 Part number 4298, Diaphragm DIAPHRAGM
Vokera part no. 4298
£6.08
83 Part number 4302, Microswitch MICROSWITCH
Vokera part no. 4302
£18.05
84   SINGLE MICRO SWITCH COVER
Vokera part no. 4332
 
85 Part number 4441, Temperature Gauge (rep 7171) TEMPERATURE GAUGE (REP 7171)
Vokera part no. 4441
£20.90
86   OBSOLETE BLANKING PLATE T/CLOCK APERTURE
Vokera part no. 4452
 
87   PRESSURE GAUGE (CLAMP OR PUSH FIT)
Vokera part no. 4472
 
88   EXPANSION PIPE
Vokera part no. 4489
 
89 Part number 4492, Expansion Vessel EXPANSION VESSEL
Vokera part no. 4492
£95.95
90   MECHANICAL 3 WAY VALVE
Vokera part no. 4495
 
91   HEATING FLOW PIPE WITH UNION
Vokera part no. 4496
 
92 Part number 4518, Domestic Expansion Vessel DOMESTIC EXPANSION VESSEL
Vokera part no. 4518
 
93   GAS CONNECTING BARREL
Vokera part no. 4535
 
94   OBSOLETE GAS VALVE MOUNTING BRACKET
Vokera part no. 4536
 
96 Part number 4539, FLOW RETURN VALVE FLOW RETURN VALVE
Vokera part no. 4539
 
98   COCK
Vokera part no. 4541
 
99   THERMOCOUPLE
Vokera part no. 4542
 
100   CONNECTION FOR DOM EXP VESSEL
Vokera part no. 4544
 
101   HEAT EXCHANGER
Vokera part no. 4545
 
102 Part number 4563, MICRO SWITCH MICRO SWITCH
Vokera part no. 4563
 
105   EXPANSION VESSEL FIXING BRACKET
Vokera part no. 4581
 
106 Part number 4611, Blanking Plug for Heating Manifold BLANKING PLUG FOR HEATING MANIFOLD
Vokera part no. 4611
 
107   BLANKING PLUG HEATING MANIFOLD
Vokera part no. 4612
 
108   OBSOLETE MOUNTING RING
Vokera part no. 4626
 
109 Part number 4632, ELECTRODE ELECTRODE
Vokera part no. 4632
 
110   GAS VALVE - REPLACED 4640
Vokera part no. 20040069
£215.65
110 Part number 4640, NOW USE 20040069 Gas Valve NOW USE 20040069 GAS VALVE
Vokera part no. 4640
 
111   SPRING FOR GAS REGULATOR LPG
Vokera part no. 4668
 
112   TAIL PLATE SEAL
Vokera part no. 4723
 
113   ELEC. MAGNETIC COMP. + SPRING + CORE
Vokera part no. 4751
 
114 Part number 4807, Lock Nut LOCK NUT
Vokera part no. 4807
£0.48
115   OBSOLETE ELECTRIC WIRE LOCKING SLEEVE
Vokera part no. 4838
 
116   RUBBER WALL LINER
Vokera part no. 4851
£11.40
117 Part number 4875, Case Clips CASE CLIPS
Vokera part no. 4875
 
118   FINGER GUARD
Vokera part no. 4881
 
119 Part number 5394, Domestic Thermostat DOMESTIC THERMOSTAT
Vokera part no. 5394
 
120 Part number 4888, H/l Stat (replaces 6399) H/L STAT (REPLACES 6399)
Vokera part no. 4888
£42.75
121 Part number 4891, Pilot Jet NG.27 PILOT JET NG.27
Vokera part no. 4891
 
122 Part number 4893, Pilot Jet LPG 22 PILOT JET LPG 22
Vokera part no. 4893
£1.05
124   MAIN JETS NG 1.25 DIAMETER
Vokera part no. 0357
 
124   MAIN BURNER SUPPORTING SHAFT
Vokera part no. 4925
 
126 Part number 4931, Pump Over-Run Thermostat PUMP OVER-RUN THERMOSTAT
Vokera part no. 4931
 
127   THERMOSTAT KNOB
Vokera part no. 4936
 
128   MOUNTING PLATE (BACK)
Vokera part no. 4944
 
129 Part number 4961, Thermocouple THERMOCOUPLE
Vokera part no. 4961
£9.50
130 Part number 4962, Domestic Distribution Manifold DOMESTIC DISTRIBUTION MANIFOLD
Vokera part no. 4962
 
131   DOMESTIC HEAT EXCHANGER RETURN PIPE
Vokera part no. 4965
 
132   SPACER FOR THERMOSTATS
Vokera part no. 4976
 
133 Part number 4980, On/Off Switch ON/OFF SWITCH
Vokera part no. 4980
 
134   HEATING SWITCH
Vokera part no. 4983
 
135   PILOT INJECTOR
Vokera part no. 3497
 
137 Part number 5023, 3/4" Fibre Washer 3/4" FIBRE WASHER
Vokera part no. 5023
£0.48
138   FIBRE WASHER (PRESSURE GAUGE)
Vokera part no. 5024
 
139 Part number 5025, WASHER WASHER
Vokera part no. 5025
£0.95
140 Part number 5026, 1/2" Fibre Washer 1/2" FIBRE WASHER
Vokera part no. 5026
£0.38
141   PUMP WASHER
Vokera part no. 5036
£0.95
141   O-RING FOR PUMP UNION
Vokera part no. 3740
 
142 Part number 5038, Washer WASHER
Vokera part no. 5038
£0.48
143   WASHER
Vokera part no. 5039
£0.48
144 Part number 5041, Washer WASHER
Vokera part no. 5041
£0.19
145 Part number 5042, Washer WASHER
Vokera part no. 5042
£0.29
146 Part number 5049, Gasket GASKET
Vokera part no. 5049
£0.67
147   OBSOLETE FIBRE WASHER
Vokera part no. 5064
 
148   SEAL
Vokera part no. 5068
£0.48
149 Part number 5070, Fibre Washer FIBRE WASHER
Vokera part no. 5070
£0.29
150 Part number 5071, Fibre Washer FIBRE WASHER
Vokera part no. 5071
£0.29
151 Part number 5072, Fibre Washer FIBRE WASHER
Vokera part no. 5072
£0.67
152   SCREW
Vokera part no. 5077
£0.19
153   SELF TAPPING SCREW
Vokera part no. 5078
 
154 Part number 5079, Screw SCREW
Vokera part no. 5079
£0.48
155   SCREW
Vokera part no. 5080
£0.19
156   SCREW
Vokera part no. 5081
£0.19
157   SCREW
Vokera part no. 5083
£0.19
158   SELF TAPPING SCREW
Vokera part no. 5084
 
159   MACHINE SCREW 10MM L X 5MM 0
Vokera part no. 5092
 
160   OBSOLETE SPLIT PIN FOR AIR SEPARATOR
Vokera part no. 5117
 
161   OBSOLETE NUT
Vokera part no. 5120
 
162   COWLING SCREW
Vokera part no. 5122
 
163   SCREW
Vokera part no. 5124
£0.29
164 Part number 5128, Edge Clip EDGE CLIP
Vokera part no. 5128
£0.19
165   MACHINE SCREWS FOR MOUNTING THERMOSTAT
Vokera part no. 5129
 
166   OBSOLETE CUP WASHER
Vokera part no. 5138
 
167   EDGE CLIP FOR 5077
Vokera part no. 5142
 
168   EDGE CLIP FOR 4577
Vokera part no. 5143
 
169   OBSOLETE SCREW 3.5M/M X 7
Vokera part no. 5145
 
170 Part number 5151, Edge Clip EDGE CLIP
Vokera part no. 5151
£0.19
171   CABLE CLIP
Vokera part no. 5155
 
172   ERP PUMP - REPLACED 6090 AND 6110
Vokera part no. 20109067
£151.05
172   NOW USE 20109067 PUMP 25-50
Vokera part no. 6090
 
173   SEAL (FAN TO FLUE HOOD)
Vokera part no. 9156
 
174 Part number 7281, Silicone Tube SILICONE TUBE
Vokera part no. 7281
£2.66
174   NOW USE 7281 SILICONE TUBE
Vokera part no. 9164
 
177 Part number 0536, Nylon Plate NYLON PLATE
Vokera part no. 0536
£11.40
178   AUTO BY-PASS RETAINING CAP
Vokera part no. 0549
 
179   OBSOLETE WASHER
Vokera part no. 0551
 
180   SPRING FOR AUTO BY-PASS (LARGE)
Vokera part no. 0552
 
181   OBSOLETE AUTO BY-PASS BOBBIN
Vokera part no. 0553
 
182   O-RING
Vokera part no. 0554
£0.48
183 Part number 0555, Spring SPRING
Vokera part no. 0555
£1.24
184 Part number 0556, By-pass Bearer Plate BY-PASS BEARER PLATE
Vokera part no. 0556
£4.75
185 Part number 0557, Diaphragm DIAPHRAGM
Vokera part no. 0557
£6.27
186   AUTO BY-PASS CONNECTING TUBE
Vokera part no. 3183
 
187 Part number 3207, 3 Port Valve 3 PORT VALVE
Vokera part no. 3207
£140.60
188   DISTRIBUTION MANIFOLD WITH AUTO BY-PASS
Vokera part no. 3208
 
189 Part number 3212, Heating Thermostat HEATING THERMOSTAT
Vokera part no. 3212
 
191   RESISTOR
Vokera part no. 4434
 
193   HEATING DISTRIBUTION MANIFOLD
Vokera part no. 4493
 
265   FAN SUPPORT
Vokera part no. 0903
 



Heating spares made simple this website is secured by Geotrust