Click here to see our Christmas working times

Official Stockist

  • Your Shopping BasketYour Shopping Baske

    Empty
  • SSL Secure Connection


Official Stockist

Diagram & User Manual Search

Quickly locate your appliance and order replacement parts using our secure online payment facility.

  • Over 20,000 appliances available
  • Simply click on the part to buy
  • Secure online payment
  • Next day delivery

Detailed Search




  

Specific Search



  

Created by Gas Engineers, for Gas Engineers • We only sell Genuine Boiler Spares • HSP - Where The Trade Buy

VOKERA
LINEA 28 MARK 1 SER #R UP TO 164370001,
LINEA 28 MARK 2 (AFTER SER # REF 164370001),
LINEA 28 MARK 3 (SER # REF CONTAINS ‘X’),
LINEA 28E - (Assembly 9)
Appliance Code: 47-094-28

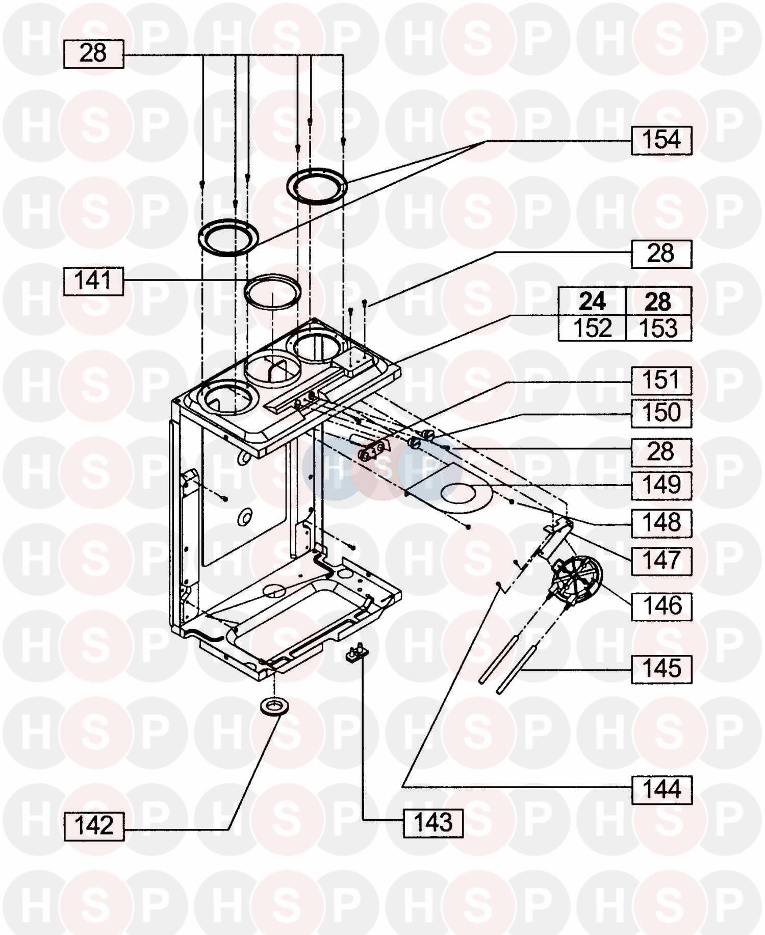
Appliance Diagram


Assembly 9 diagram for Vokera Linea 28EClick the diagram to open it on a new page

You can then pinch & zoom to adjust the size.

1 Part number 5317, NG Burner (replaces 48929 and 10027564) NG BURNER (REPLACES 48929 AND 10027564)
Vokera part no. 5317
£116.85
2 Part number 10020104, Burner (replaces 5295) BURNER (REPLACES 5295)
Vokera part no. 10020104
£100.70
2 Part number 5295, NOW USE 10020104 BURNER NOW USE 10020104 BURNER
Vokera part no. 5295
 
3 Part number 5297, Main Burner LPG MAIN BURNER LPG
Vokera part no. 5297
£98.80
4   MAIN BURNER LPG
Vokera part no. 5319
£115.90
6   BAFFLE
Vokera part no. 1453
 
7 Part number 5172, Burner Plate BURNER PLATE
Vokera part no. 5172
£0.29
8   SCREW
Vokera part no. 5212
 
9   OBSOLETE EDGE CLIP
Vokera part no. 5154
 
10 Part number 1839, Gas Pipe (requires 1840 too) GAS PIPE (REQUIRES 1840 TOO)
Vokera part no. 1839
£13.30
11 Part number 1837, Ignition Box IGNITION BOX
Vokera part no. 1837
£170.05
12 Part number 20035533, Gas valve - Relaced 10020574 & 10021021 GAS VALVE - RELACED 10020574 & 10021021
Vokera part no. 20035533
£165.30
12 Part number 10025074, NOW USE 20035533 Gas Valve (Replaced 10021021) TP NOW USE 20035533 GAS VALVE (REPLACED 10021021) TP
Vokera part no. 10025074
 
12 Part number 1836, NOW USE 20035533 GAS VALVE NOW USE 20035533 GAS VALVE
Vokera part no. 1836
 
13   PIPE (REQUIRES 1839 TOO)
Vokera part no. 1840
 
14   SCREW
Vokera part no. 5176
£0.29
15 Part number 1838, Spark Electrode with lead SPARK ELECTRODE WITH LEAD
Vokera part no. 1838
£20.90
16   L.P.G BAFFLE (80E)
Vokera part no. 7723
 
17   L.P.G BAFFLE (96E)
Vokera part no. 7724
 
18   SELF TAPPING SCREW
Vokera part no. 5169
 
19 Part number 1457, Silicone tube (1 Metre) SILICONE TUBE (1 METRE)
Vokera part no. 1457
£2.28
20   RIVET
Vokera part no. 5093
 
21 Part number 1882, Locating Clip L/H LOCATING CLIP L/H
Vokera part no. 1882
£2.00
22   LOCATING CLIP R/H
Vokera part no. 1881
 
23 Part number 5230, Clip CLIP
Vokera part no. 5230
£0.48
24   SELF ADHESIVE ALUM SHEET
Vokera part no. 5333
 
25 Part number 1880, Case CASE
Vokera part no. 1880
 
26   CASE
Vokera part no. 1922
 
27   LABEL
Vokera part no. 1781
 
28 Part number 5079, Screw SCREW
Vokera part no. 5079
£0.48
29   EXPANSION VESSEL PLATE
Vokera part no. 1829
£3.61
30   EXPANSION VESSEL PLATE
Vokera part no. 1910
 
31   UPRIGHT FRAME
Vokera part no. 1778
 
32   COVER
Vokera part no. 1831
 
32   INSERT
Vokera part no. 2127
 
33 Part number 1830, 8 Litre Expansion Vessel (Inc pipe) 8 LITRE EXPANSION VESSEL (INC PIPE)
Vokera part no. 1830
£110.20
34 Part number 5128, Edge Clip EDGE CLIP
Vokera part no. 5128
£0.19
35   PIPE
Vokera part no. 1849
 
36   PIPE
Vokera part no. 1918
 
37   OBSOLETE
Vokera part no. 1828
 
38   UPRIGHT FRAME
Vokera part no. 1777
 
39   CABLE CLAMP
Vokera part no. 5371
 
40   SCREW
Vokera part no. 5171
 
41   GUARD
Vokera part no. 1832
 
41   GUARD REPLACED 1832
Vokera part no. 1913
 
42   GUARD REPLACED 1832
Vokera part no. 1913
 
43   PUMP LOCK KEY
Vokera part no. 9263
£0.95
44 Part number 6898, O Ring O RING
Vokera part no. 6898
£1.05
45   ERP PUMP - REPLACED 10020438 & 10021792
Vokera part no. 20104311
£220.40
45 Part number 10021792, NOW USE 20104311 Pump Rep 10020437 NOW USE 20104311 PUMP REP 10020437
Vokera part no. 10021792
 
45 Part number 2950, NOW USE 20104311 PUMP NOW USE 20104311 PUMP
Vokera part no. 2950
 
46 Part number 1845, M15 to Pump Wiring M15 TO PUMP WIRING
Vokera part no. 1845
£8.55
47   BRACKET
Vokera part no. 2940
£2.76
48   MACHINE SCREW 10MM L X 5MM 0
Vokera part no. 5092
 
49   WASHER
Vokera part no. 5111
 
50   SCREW
Vokera part no. 5228
 
51 Part number 20007057, Heat exchanger jacket (Rep 1807) HEAT EXCHANGER JACKET (REP 1807)
Vokera part no. 20007057
£3.52
51 Part number 1807, NOW USE 20007057 Heat Exchanger Jacket NOW USE 20007057 HEAT EXCHANGER JACKET
Vokera part no. 1807
 
52 Part number 8036, Domestic Heat Exchanger (with 4 x 7999 O DOMESTIC HEAT EXCHANGER (WITH 4 X 7999 O
Vokera part no. 8036
£132.05
53 Part number 8037, Domestic Heat Exchanger DOMESTIC HEAT EXCHANGER
Vokera part no. 8037
£142.50
54 Part number 7999, O-RING O-RING
Vokera part no. 7999
£0.67
55 Part number 2903, DHW Inlet Manifold DHW INLET MANIFOLD
Vokera part no. 2903
£19.95
56   AUTOMATIC BY-PASS PLUG
Vokera part no. 2911
 
57 Part number 2915, Distribution Manifold (Complete) DISTRIBUTION MANIFOLD (COMPLETE)
Vokera part no. 2915
 
58   SCREW
Vokera part no. 5124
£0.29
59 Part number 5184, Machine Screw Hex Head M4 x 12 MACHINE SCREW HEX HEAD M4 X 12
Vokera part no. 5184
£1.05
60 Part number 5203, Plastic Washer PLASTIC WASHER
Vokera part no. 5203
£0.19
61 Part number 5042, Washer WASHER
Vokera part no. 5042
£0.29
62   BLANKING PLUG HEATING MANIFOLD
Vokera part no. 4612
 
63 Part number 6862, Spring SPRING
Vokera part no. 6862
£2.95
64 Part number 6895, O-RING O-RING
Vokera part no. 6895
£2.57
65 Part number 2910, 3 Port Valve Bobbin 3 PORT VALVE BOBBIN
Vokera part no. 2910
£3.61
66 Part number 6887, Push Rod PUSH ROD
Vokera part no. 6887
£2.28
67 Part number 2913, Bobbin Seating Washer BOBBIN SEATING WASHER
Vokera part no. 2913
£1.62
68 Part number 8444, O-RING O-RING
Vokera part no. 8444
£1.90
69 Part number 7134, Seating Plate SEATING PLATE
Vokera part no. 7134
£5.04
70 Part number 2906, Motorised Valve Fixing Wrench MOTORISED VALVE FIXING WRENCH
Vokera part no. 2906
£0.48
71 Part number 5041, Washer WASHER
Vokera part no. 5041
£0.19
72 Part number 10027352, Thermistor/NTC Sensor (20004978) THERMISTOR/NTC SENSOR (20004978)
Vokera part no. 10027352
£14.25
72 Part number 8484, NOW USE 10027352 N T C SENSOR NOW USE 10027352 N T C SENSOR
Vokera part no. 8484
 
73 Part number 9807, Fitting/union FITTING/UNION
Vokera part no. 9807
£19.00
75 Part number 2908, Non Return Valve NON RETURN VALVE
Vokera part no. 2908
£2.66
76 Part number 6872, Diaphragm DIAPHRAGM
Vokera part no. 6872
£2.66
77 Part number 6867, Bearer Plate BEARER PLATE
Vokera part no. 6867
£3.42
78 Part number 6888, Push Rod PUSH ROD
Vokera part no. 6888
£4.85
79 Part number 6853, Flow Manifold Cover FLOW MANIFOLD COVER
Vokera part no. 6853
 
80 Part number 1847, Pipe PIPE
Vokera part no. 1847
£15.20
81 Part number 6860, Front Seal FRONT SEAL
Vokera part no. 6860
£8.17
82 Part number 10020335, Manifold Top Rep 2904 MANIFOLD TOP REP 2904
Vokera part no. 10020335
£10.45
82 Part number 2904, NOW USE 10020335 MANIFOLD TOP NOW USE 10020335 MANIFOLD TOP
Vokera part no. 2904
 
83 Part number 6919, Front Seal FRONT SEAL
Vokera part no. 6919
£5.13
84 Part number 2905, Motorised Valve MOTORISED VALVE
Vokera part no. 2905
£48.45
85 Part number 4611, Blanking Plug for Heating Manifold BLANKING PLUG FOR HEATING MANIFOLD
Vokera part no. 4611
 
86 Part number 2909, Valve For DHW Bypass VALVE FOR DHW BYPASS
Vokera part no. 2909
£7.41
87 Part number 5214, Large Screw DHW Heat Exchanger LARGE SCREW DHW HEAT EXCHANGER
Vokera part no. 5214
£1.05
88 Part number 6865, Spring SPRING
Vokera part no. 6865
£2.47
89 Part number 2907, Safety valve Replaced 8433 (Push Fit) SAFETY VALVE REPLACED 8433 (PUSH FIT)
Vokera part no. 2907
£15.20
89 Part number 1806, NOW USE 2907 Safety Valve (Push Fit) NOW USE 2907 SAFETY VALVE (PUSH FIT)
Vokera part no. 1806
 
90 Part number 8009, Flow governor (Blue) FLOW GOVERNOR (BLUE)
Vokera part no. 8009
£3.71
91 Part number 9430, Flow governor (Red) FLOW GOVERNOR (RED)
Vokera part no. 9430
£3.80
92 Part number 1783, Hanging bracket HANGING BRACKET
Vokera part no. 1783
£5.80
93 Part number 1817, Hanging bracket - Replaced 10024384 HANGING BRACKET - REPLACED 10024384
Vokera part no. 1817
£8.55
94   CONNECTION
Vokera part no. 1785
 
95   CLIP
Vokera part no. 1901
 
96 Part number 1784, Plate PLATE
Vokera part no. 1784
 
97 Part number 5023, 3/4" Fibre Washer 3/4" FIBRE WASHER
Vokera part no. 5023
£0.48
100 Part number 1791, Double Non Return Valve DOUBLE NON RETURN VALVE
Vokera part no. 1791
£20.90
101 Part number 1793, Brass Nut Rep 088131` BRASS NUT REP 088131`
Vokera part no. 1793
 
102 Part number 5026, 1/2" Fibre Washer 1/2" FIBRE WASHER
Vokera part no. 5026
£0.38
103 Part number 10023643, S.Valve outlet tail repl 1792 S.VALVE OUTLET TAIL REPL 1792
Vokera part no. 10023643
£19.95
103 Part number 1792, NOW USE 10023643 Pipe Safety Valve Outlet Tail NOW USE 10023643 PIPE SAFETY VALVE OUTLET TAIL
Vokera part no. 1792
 
104 Part number 1890, Clip CLIP
Vokera part no. 1890
£0.86
106 Part number 1790, Connection Rep 088128 CONNECTION REP 088128
Vokera part no. 1790
£16.15
107 Part number 1787, Gas Cock GAS COCK
Vokera part no. 1787
£17.10
108 Part number 1794, Flexible Pipe/Filling Loop FLEXIBLE PIPE/FILLING LOOP
Vokera part no. 1794
£30.40
110 Part number 8083, Fan Flue Tube FAN FLUE TUBE
Vokera part no. 8083
£13.30
111 Part number 7315, Clamp CLAMP
Vokera part no. 7315
£1.62
111 Part number 5916, NOW USE 7315 Maintenance Clip (small) NOW USE 7315 MAINTENANCE CLIP (SMALL)
Vokera part no. 5916
 
112 Part number 7948, Venturi Rep 6984 (Negative) VENTURI REP 6984 (NEGATIVE)
Vokera part no. 7948
£11.40
113 Part number 6985, Venturi (Positive) VENTURI (POSITIVE)
Vokera part no. 6985
£5.04
114 Part number 5910, Fan Assembly FAN ASSEMBLY
Vokera part no. 5910
£110.20
115 Part number 5911, Fan Assembly FAN ASSEMBLY
Vokera part no. 5911
£132.05
116   HOOD ASSEMBLY
Vokera part no. 1842
 
117   HOOD ASSEMBLY
Vokera part no. 5907
£37.05
118 Part number 5270, Rear Insulation Panel for Combustion Chamber REAR INSULATION PANEL FOR COMBUSTION CHAMBER
Vokera part no. 5270
£18.05
119 Part number 5316, Rear Insulation Panel for Combustion Chamber REAR INSULATION PANEL FOR COMBUSTION CHAMBER
Vokera part no. 5316
£18.05
120 Part number 5271, Side Insulation Panel for Combustion Chamber SIDE INSULATION PANEL FOR COMBUSTION CHAMBER
Vokera part no. 5271
£9.50
121 Part number 6027, Combustion Chamber COMBUSTION CHAMBER
Vokera part no. 6027
£23.75
122 Part number 6028, Combustion Chamber COMBUSTION CHAMBER
Vokera part no. 6028
£23.75
123   AIR BAFFLE
Vokera part no. 5924
 
124   AIR BAFFLE
Vokera part no. 5951
 
125 Part number 5269, Front Insulation Panel for Combustion Chamber FRONT INSULATION PANEL FOR COMBUSTION CHAMBER
Vokera part no. 5269
£17.10
126 Part number 5315, Front Insulation Panel for Combustion Chamber FRONT INSULATION PANEL FOR COMBUSTION CHAMBER
Vokera part no. 5315
£17.10
127 Part number 7317, Washer WASHER
Vokera part no. 7317
£1.33
127 Part number 5917, NOW USE 7317 Seal For Maintenance Clip (small) NOW USE 7317 SEAL FOR MAINTENANCE CLIP (SMALL)
Vokera part no. 5917
 
128   SCREW
Vokera part no. 5081
£0.19
129 Part number 6228, Fan to Flue Connector (without Venturi FAN TO FLUE CONNECTOR (WITHOUT VENTURI
Vokera part no. 6228
£8.55
130   FAN TO FLUE CONNECTOR (WITHOUT VENTURI'S)
Vokera part no. 7280
£34.20
131 Part number 4807, Lock Nut LOCK NUT
Vokera part no. 4807
£0.48
132   OBSOLETE SELF-TAPPING SCREW 10MM L X 4MM 0
Vokera part no. 5165
 
133 Part number 01005245, Exchanger In place of 1841 & 2381 EXCHANGER IN PLACE OF 1841 & 2381
Vokera part no. 01005245
£236.55
133 Part number 1841, NOW USE 01005245 HEAT EXCHANGER NOW USE 01005245 HEAT EXCHANGER
Vokera part no. 1841
 
134 Part number 01005246, Main Heat Exchanger rep 2378 & 1914 MAIN HEAT EXCHANGER REP 2378 & 1914
Vokera part no. 01005246
£259.35
134 Part number 1914, NOW USE 01005246 HEAT EXCHANGER NOW USE 01005246 HEAT EXCHANGER
Vokera part no. 1914
 
135 Part number 5279, Gas Valve Support GAS VALVE SUPPORT
Vokera part no. 5279
£2.28
137 Part number 2258, High Limit Thermostat HIGH LIMIT THERMOSTAT
Vokera part no. 2258
£9.50
137 Part number 8367, NOW USE 2258 HIGH LIMIT THERMOSTAT NOW USE 2258 HIGH LIMIT THERMOSTAT
Vokera part no. 8367
 
138   SCREW
Vokera part no. 5080
£0.19
139 Part number 5908, Combustion Chamber Front (Metal) COMBUSTION CHAMBER FRONT (METAL)
Vokera part no. 5908
£9.50
140 Part number 5909, Combustion Chamber Front (Metal) COMBUSTION CHAMBER FRONT (METAL)
Vokera part no. 5909
£11.40
141   AIR FLANGE
Vokera part no. 5922
 
142   SEAL
Vokera part no. 5927
£4.66
143 Part number 1835, Electrode Seal ELECTRODE SEAL
Vokera part no. 1835
£1.33
146 Part number 9232, NOW USE 01005272 PRESSURE SWITCH NOW USE 01005272 PRESSURE SWITCH
Vokera part no. 9232
 
148   RIVET
Vokera part no. 5094
 
149   AIR DEFLECTOR
Vokera part no. 5923
 
150 Part number 8086, Brass Cap BRASS CAP
Vokera part no. 8086
£2.57
151 Part number 10026933, Block with combustion analysis check BLOCK WITH COMBUSTION ANALYSIS CHECK
Vokera part no. 10026933
£9.50
151 Part number 8085, NOW USE 10026933 Combustion analysis check NOW USE 10026933 COMBUSTION ANALYSIS CHECK
Vokera part no. 8085
 
153   AIR BOX BOTTOM (REP 10027894/1912)
Vokera part no. 2073
£67.45
153   NOW USE 2073 AIR CHAMBER BOTTOM
Vokera part no. 1912
 
154 Part number 8084, Air Box Hole Cap AIR BOX HOLE CAP
Vokera part no. 8084
£4.18
155   AIR CHAMBER SIDE PANEL REP 1878/48928
Vokera part no. 1549
£23.75
155   NOW USE 1549 AIR CHAMBER SIDE PANEL
Vokera part no. 1878
 
156   SELF TAPPING HEX HEAD 3.9 X L0MM LONG STEEL
Vokera part no. 5180
 
158 Part number 5072, Fibre Washer FIBRE WASHER
Vokera part no. 5072
£0.67
159 Part number 3139, Sight Glass SIGHT GLASS
Vokera part no. 3139
£5.80
161 Part number 10021849, PCB Cover Rep 1855 PCB COVER REP 1855
Vokera part no. 10021849
£20.90
161   NOW USE 10021849 COVER
Vokera part no. 1855
 
162   COVER
Vokera part no. 1856
 
163 Part number 1780, Internal clock wire INTERNAL CLOCK WIRE
Vokera part no. 1780
£19.95
164   TERMINAL BOARD
Vokera part no. 1895
£4.85
165 Part number 10023044, Bush (replaces 1863) BUSH (REPLACES 1863)
Vokera part no. 10023044
£2.19
165 Part number 1863, NOW USE 10023044 Pin NOW USE 10023044 PIN
Vokera part no. 1863
 
166 Part number 5168, Rivet RIVET
Vokera part no. 5168
 
167 Part number 1867, Pin/Screw for Control Panel PIN/SCREW FOR CONTROL PANEL
Vokera part no. 1867
£1.90
168 Part number 6903, Screw SCREW
Vokera part no. 6903
£1.52
169 Part number 1862, Spring SPRING
Vokera part no. 1862
£2.09
170   O-RING
Vokera part no. 5174
 
171 Part number 1498, Front Flap (New Linea) FRONT FLAP (NEW LINEA)
Vokera part no. 1498
£19.95
172   MAIN PCB - REPLACED 10024528
Vokera part no. 20205196
£162.45
172 Part number 10021847, NOW USE 20205196 PCB NOW USE 20205196 PCB
Vokera part no. 10021847
 
172 Part number 10024528, NOW USE 20205196 Main Printed Circuit Board (Rep 10021847) & 10020907 NOW USE 20205196 MAIN PRINTED CIRCUIT BOARD (REP 10021847) & 10020907
Vokera part no. 10024528
 
173 Part number 1858, Green to Red LED GREEN TO RED LED
Vokera part no. 1858
£8.55
174 Part number 10024558, Control Printed circuit board - rep 10020477 CONTROL PRINTED CIRCUIT BOARD - REP 10020477
Vokera part no. 10024558
£85.50
174 Part number 10020477, NOW USE 10024558 Display PCB (Replaced 1854) NOW USE 10024558 DISPLAY PCB (REPLACED 1854)
Vokera part no. 10020477
 
175   O-RING
Vokera part no. 1869
£0.29
176 Part number 10021951, Instrument Panel INSTRUMENT PANEL
Vokera part no. 10021951
£47.50
176 Part number 1851, NOW USE 10021951 Instrument Panel NOW USE 10021951 INSTRUMENT PANEL
Vokera part no. 1851
 
177 Part number 10022015, Instrument Panel Replaces 1919 INSTRUMENT PANEL REPLACES 1919
Vokera part no. 10022015
£49.40
177 Part number 1919, NOW USE 10022015 Instrument Panel NOW USE 10022015 INSTRUMENT PANEL
Vokera part no. 1919
 
178   CAP
Vokera part no. 1861
£1.05
179 Part number 1864, Clip CLIP
Vokera part no. 1864
£5.89
180   ADHESIVE FILM
Vokera part no. 1866
 
181   ADHESIVE FILM
Vokera part no. 1865
£2.38
182 Part number 8654, Clock Blanking Plate CLOCK BLANKING PLATE
Vokera part no. 8654
£2.38
183 Part number 1859, temp control knob htg&dhw TEMP CONTROL KNOB HTG&DHW
Vokera part no. 1859
£3.99
184 Part number 1860, dhw/htg Mode selector switch DHW/HTG MODE SELECTOR SWITCH
Vokera part no. 1860
£3.99
185   SCREW
Vokera part no. 5077
£0.19
186   O-RING
Vokera part no. 1868
 
187 Part number 1857, Pressure Gauge PRESSURE GAUGE
Vokera part no. 1857
£19.00
189 Part number 4026, 3/4" BSP Locknut 3/4" BSP LOCKNUT
Vokera part no. 4026
£1.43
190 Part number 1850, Expansion Vessel Pipe EXPANSION VESSEL PIPE
Vokera part no. 1850
£10.45
191   PUMP PIPE REPLACED 10023195
Vokera part no. 1848
 
192   PIPE
Vokera part no. 10023202
£18.05
192   NOW USE 10023202 PUMP PIPE
Vokera part no. 1917
 
194 Part number 5208, Washer WASHER
Vokera part no. 5208
£0.19
195   LOCKNUT 1/2
Vokera part no. 6208
 
196 Part number 1489, Water filter WATER FILTER
Vokera part no. 1489
£2.57
196 Part number 8446, NOW USE 1489 FILTER NOW USE 1489 FILTER
Vokera part no. 8446
 
197   COVER
Vokera part no. 2966
 
200 Part number 10022125, Pipe PIPE
Vokera part no. 10022125
£19.95
200 Part number 1779, NOW USE 10022125 Pipe NOW USE 10022125 PIPE
Vokera part no. 1779
 
201   FITTING/UNION
Vokera part no. 2946
£3.71
202 Part number 0439, Auto Air Vent AUTO AIR VENT
Vokera part no. 0439
£12.35
206 Part number 4007, Sight Glass Retaining Ring SIGHT GLASS RETAINING RING
Vokera part no. 4007
£0.76



Heating spares made simple this website is secured by Geotrust